Затворы дисковые поворотные с тройным эксцентриситетом DN.ru WBV3EX-3431M-1W-F-ISO Ду100 Ру25, корпус - углеродистая сталь WCB, диск - нержавеющая сталь 304, уплотнение - METAL, с пневмоприводом PA-DA-105-1 и БКВ APL-210N

СТМ многоступенчатые насосы 2
СТМ многоступенчатые насосы 2-mobile
КИПиА Акваконтроль 2
КИПиА Акваконтроль 2-mobile

Затворы дисковые поворотные предназначены для использования в качестве запорной или регулирующей арматуры для управления потоками в системах теплоснабжения, водоснабжения, в технологических процессах пищевой, химической, нефтегазовой, целлюлозно-бумажной и других отраслях промышленности. Пневмопривод поворотный предназначен для автоматизации процесса управления промышленной арматурой. Блок концевых выключателей предназначен для визуальной и электрической сигнализации конечных положений запорного органа арматуры: клапана, крана или дискового затвора.

Технические параметры затворов дисковых поворотных с тройным эксцентриситетом DN.ru WBV3EX-3431M-1W-F-ISO Ду100 Ру25

ХарактеристикаЗначение
Номинальный диаметр DN, мм50-300
Номинальное давление PN, бар25
Температура рабочей среды t, ⁰Cот -45 до +425
Рабочая средавода, воздух, пар, природный газ и газообразные углеводороды, нефть, нефтепродукты, коксовый газ, агрессивные среды
Направление потокаодностороннее
Класс герметичности«A» ГОСТ 9544-2015
Присоединение к трубопроводуфланцевое
Материал корпусасталь WCB (аналог 25Л)
Материал дисканержавеющая сталь AISI 304 (аналог 08Х18Н10)
Область применениясистемы водо- и теплоснабжения, технологические трубопроводы
Средний ресурс, циклов открытие/закрытие30000
Средний срок службы, лет10
Затворы дисковые поворотные с тройным эксцентриситетом DN.ru WBV3EX-3431M-1W-F-ISO Ду100 Ру25, корпус - углеродистая сталь WCB, диск - нержавеющая сталь 304, уплотнение - METAL, с пневмоприводом PA-DA-105-1 и БКВ APL-210N

Изображение затворов дисковых поворотных с тройным эксцентриситетом DN.ru WBV3EX-3431M-1W-F-ISO Ду100 Ру25

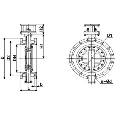
Габаритные и установочные размеры затворов дисковых поворотных с тройным эксцентриситетом DN.ru WBV3EX-3431M-1W-F-ISO Ду100 Ру25

РазмерDN, ммL, ммD, ммD1, ммD2, ммb, ммH1, ммH2, ммn-Ød, мм
Ду10010012723019015624155788-Ø22
Затворы дисковые поворотные с тройным эксцентриситетом DN.ru WBV3EX-3431M-1W-F-ISO Ду100 Ру25, корпус - углеродистая сталь WCB, диск - нержавеющая сталь 304, уплотнение - METAL, с пневмоприводом PA-DA-105-1 и БКВ APL-210N

Эскиз габаритов затворов дисковых поворотных с тройным эксцентриситетом DN.ru WBV3EX-3431M-1W-F-ISO Ду100 Ру25

Деталировка затворов дисковых поворотных с тройным эксцентриситетом DN.ru WBV3EX-3431M-1W-F-ISO Ду100 Ру25

Наименование деталиМатериал
1Корпуссталь WCB (аналог 25Л)
2Дискнержавеющая сталь AISI 304 (аналог 08Х18Н10)
3Штокнержавеющая сталь AISI 304 (аналог 08Х18Н10)
4Седловое уплотнениеметалл (наплавка D507) + графит
5Сальниковое уплотнениенержавеющая сталь AISI 304 (аналог 08Х18Н10) + графит
Затворы дисковые поворотные с тройным эксцентриситетом DN.ru WBV3EX-3431M-1W-F-ISO Ду100 Ру25, корпус - углеродистая сталь WCB, диск - нержавеющая сталь 304, уплотнение - METAL, с пневмоприводом PA-DA-105-1 и БКВ APL-210N

Эскиз деталировки затворов дисковых поворотных с тройным эксцентриситетом DN.ru WBV3EX-3431M-1W-F-ISO Ду100 Ру25

Технические параметры блоков концевых выключателей DN.ru APL-210N

ХарактеристикаЗначение
Защита корпусавсепогодный IP65
Температура окружающей среды, °Cот -40 до +80
Совместимые устройствачетвертьоборотные пневмоприводы; - исполнительные механизмы с поворотом вала на 90°
Кабельные вводы2 x NPT1/2”
Клеммная колодка8 ячеек 0.08-2.6 мм2
Напряжение12V, 24V, 38V, 48V, 110V, 220V, 250V
Положение индикатораЗАКРЫТО: красный ОТКРЫТО: зелёный
Датчик2 SPDT электромеханических микровыключателя OMRON V151-1C25 тип "сухой контакт"
Внешнее покрытиеполиэстеровое покрытие (чёрное)
Валстандартный вал – 17 мм
Изображение блоков концевых выключателей DN.ru APL-210N

Изображение блоков концевых выключателей DN.ru APL-210N

Деталировка блоков концевых выключателей DN.ru APL-210N

НаименованиеМатериал
1Корпуслитьевой алюминий
2Индикаторный колпакполиэстер пластик
33D-индикаторABC -пластик
4Кулачокполиэстер пластик
5Пружинанержавеющая сталь
6Винтынержавеющая сталь
7Уплотнительные кольцаNBR
8Втулкабронза
9Клемма заземлениянержавеющая сталь
10Валнержавеющая сталь

Технические параметры пневмоприводов DN.ru PA-DA-105-1 двойного действия со штурвалом

ХарактеристикаЗначение
Тип пневмоприводадвойного действия
Давление управления, бар2 ÷ 8
Управляющая средаподготовленный воздух не выше 5 класса по ГОСТ 17433-80
Рабочая температура, °Cот -20 до +80
Визуальный индикатор положенияоткрыто / закрыто
Ручное управлениеоткрыто / закрыто
Ручное управлениемаховик
Угол поворота, °90 ± 5
Стандарт верхнего соединенияNAMUR
Стандарт соединения подачи воздухаNAMUR
Присоединительная резьба подачи воздухаG 1/4ʺ
Тип ISO фланцаF07/F10
Квадрат штока, мм22х22
Вес, кг9
Средний ресурс, циклов закрытие/открытие300 000
Изображение пневмоприводов DN.ru PA-DA-105-1 двойного действия со штурвалом

Изображение пневмоприводов DN.ru PA-DA-105-1 двойного действия со штурвалом

Деталировка пневмоприводов DN.ru PA-DA-105-1 двойного действия со штурвалом

Наименование деталиМатериал
1Индикаторный винтABS - пластик
2Индикатор положенияABS - пластик
3Пружинный зажимнержавеющая сталь 304
4Шайбанержавеющая сталь 304
5Внешняя шайбаинженерный пластик
6Регулировочный винтнержавеющая сталь 304
7Гайканержавеющая сталь 304
8Шайбанержавеющая сталь 304
9Корпусэкструдированный алюминиевый сплав
10Поршеньлитой под давлением алюминиевый сплав
11Уплотнительное кольцо поршняNBR
12Группа подшипниковинженерный пластик
13Уплотнительное кольцо торцевой крышкиNBR
14Торцевая крышкалитой алюминиевый сплав, покрытый полиэфирной краской
15Винт крепежныйнержавеющая сталь 304
16Шайба внутренняяинженерный пластик
17Уплотнительное кольцоNBR
18Подшипникинженерный пластик
19Фиксаторлегированная сталь
20Шестернялегированная сталь
21Подшипникинженерный пластик
22Уплотнительное кольцоNBR
Эскиз деталировки пневмоприводов DN.ru PA-DA-105-1 двойного действия со штурвалом

Эскиз деталировки пневмоприводов DN.ru PA-DA-105-1 двойного действия со штурвалом

Быстрый заказ

Вы можете отправить нам запрос на необходимые позиции и наш менеджер свяжется с вами в ближайшее время для формирования заказа

Нажмите, чтобы загрузить файлы или перетащите сюда
Максимальный размер файла - 10 Мб. Типы файлов: jpg, jpeg, png, xls, xlsx, doc, docx, pdf.