Затворы дисковые поворотные предназначены для использования в качестве запорной или регулирующей арматуры для управления потоками в системах теплоснабжения, водоснабжения, в технологических процессах пищевой, химической, нефтегазовой, целлюлозно-бумажной и других отраслях промышленности. Принцип работы: Затворы открываются и закрываются путем поворота диска на 90°. Открытие производится поворотом рукоятки или штурвала редуктора против часовой стрелки, закрытие по часовой стрелке. |
Технические параметры затворов дисковых поворотных DN.ru WBV0232E-2W-Fb-ISO-H Ду25/32 Ру16| Характеристика | Значение |
|---|
| Бренд | DN.ru | | Номинальный диаметр DN | 25/32 мм | | Номинальное давление PN | 16 бар | | Температура рабочей среды | от -20 до +120 ⁰C | | Рабочая среда | холодная и горячая вода, воздух без примесей масла и жира, иные среды нейтральные к материалу | | Направление потока | двустороннее | | Присоединение к трубопроводу | межфланцевое | | Тип присоединенния | ISO 5211 | | Страна производитель | Россия |
|  Изображение затворов дисковых поворотных DN.ru WBV0232E-2W-Fb-ISO-H Ду25/32 Ру16 |
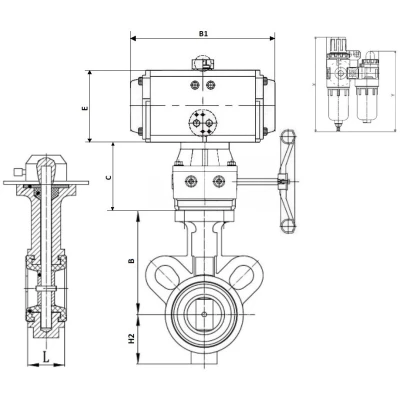
Габаритные и установочные размеры затворов дисковых поворотных DN.ru WBV0232E-2W-Fb-ISO-H Ду25/32 Ру16| Размер | B, мм | H2, мм | L, мм | B1, мм | E, мм | C, мм | X, мм | Y, мм |
|---|
| Ду25/32 | 93 | 44.5 | 36 | 168 | 108 | 104 | 162 | 139 |
|  Эскиз габаритов затворов дисковых поворотных DN.ru WBV0232E-2W-Fb-ISO-H Ду25/32 Ру16 |
Деталировка затворов дисковых поворотных DN.ru WBV0232E-2W-Fb-ISO-H Ду25/32 Ру16| № | Наименование детали | Материал |
|---|
| 1 | Корпус | алюминиевый сплав | | 2 | Седловое уплотнение | EPDM | | 3 | Штифт | нержавеющая сталь AISI 304 (аналог 08Х18Н10) | | 4 | Диск | нержавеющая сталь AISI 316L (аналог 03Х17Н14М3) | | 5 | Шток | нержавеющая сталь SS 410 (аналог 12Х13) | | 6 | Уплотнительное кольцо | EPDM | | 7 | Пластина | сталь 45 | | 10 | Прокладка | нержавеющая сталь SS 201 (аналог 12Х15Г9НД) | | 11 | Гайка | нержавеющая сталь SS 201 (аналог 12Х15Г9НД) | | 12 | Прокладка | нержавеющая сталь SS 201 (аналог 12Х15Г9НД) |
|  Эскиз деталировки затворов дисковых поворотных DN.ru WBV0232E-2W-Fb-ISO-H Ду25/32 Ру16 |
Технические параметры пневмоприводов DN.ru PA-DA двойного действия| Характеристика | Значение |
|---|
| Бренд | DN.ru | | Тип пневмопривода | двойного действия | | Номинальное давление | 12 бар | | Рабочее давление | 2...8 бар | | Среда | сжатый воздух | | Температура рабочей среды | от -20 °C до +80 °C | | Угол поворота | 0 - 90° | | Регулировка угла поворота | ±5% | | Страна производитель | Китай | | Максимальный диаметр частиц рабочей среды | ≤30 мкм2 | | Стандарт верхнего соединения | NAMUR | | Стандарт соединения подачи воздуха | NAMUR |
| Видео пневмоприводов DN.ru PA-DA двойного действия |
Деталировка пневмоприводов DN.ru PA-DA двойного действия| № | Наименование детали | Материал |
|---|
| 1 | Индикаторный винт | АБС-пластик | | 2 | Индикатор положения | АБС-пластик | | 3 | Пружинный зажим | нержавеющая сталь 304 | | 4 | Металлическая шайба | нержавеющая сталь 304 | | 5 | Прижимная шайба | инженерный пластик | | 6 | Корпус | экструдированный алюминиевый сплав с твердым анодированием | | 7 | Прижимная шайба | инженерный пластик | | 8 | Ограничитель | легированная сталь | | 9 | Уплотнительное кольцо вала верхнее | NBR | | 10 | Антифрикционное кольцо вала верхнее | инженерный пластик | | 11 | Вал | легированная сталь никелированная | | 12 | Антифрикционное кольцо вала нижнее | инженерный пластик | | 13 | Уплотнительное кольцо вала нижнее | NBR | | 14 | Заглушка | NBR | | 15 | Уплотнительное кольцо регулировочных винтов | NBR | | 16 | Шайба регулировочного винта | нержавеющая сталь 304 | | 17 | Стопорная гайка регулировочного винта | нержавеющая сталь 304 | | 18 | Винт регулировочный | нержавеющая сталь 304 | | 19 | Поршень | алюминиевый сплав, литой под давлением | | 20 | Направляющая накладка поршня | инженерный пластик | | 21 | Антифрикционное кольцо поршня | инженерный пластик | | 22 | Уплотнительное кольцо поршня | NBR | | 23 | Комплект пружин | пружинная сталь | | 24 | Уплотнительное кольцо крышки | NBR | | 25 | Торцевая крышка | литой алюминий с полиэфирным покрытием | | 26 | Винт крышки | нержавеющая сталь 304 | | 27 | Стопорный винт | нержавеющая сталь 304 | | 28 | Адаптер | углеродистая сталь |
|  Эскиз деталировки пневмоприводов DN.ru PA-DA двойного действия |
Технические параметры блоков подготовки воздуха DN.ru AFC2000| Характеристика | Значение |
|---|
| Рабочее давление, бар | 8 | | Максимальное давление, бар | 10 | | Регулируемый диапазон давления, бар | 0,5 ÷ 9 | | Давление разрушения, бар | 15 | | Подсоединение воздуха | 1/4" | | Рабочая температура, ⁰C | от -5 до +60 | | Размер фильтруемых частиц, мкм | 40 | | Вязкость масла | ISO VG 32 | | Вес, кг | 0,395 |
|  Изображение блоков подготовки воздуха DN.ru AFC2000 |
Технические параметры ручных дублеров DN.ru MONx-x-x-ISO| Характеристика | Значение |
|---|
| Режим работы | повторно-кратковременный, реверсивный | | Рабочая температура t, ⁰C | от–20 до +80; от–40 до +80 (низкотемпературная версия); от–20 до +160 (при сухом воздухе) | | Рабочая среда | фильтрованный сжатый воздух или неагрессивные газы, масла | | Климатическое исполнение | У, УХЛ, Т, ОМ по ГОСТ 15150-69 | | Степень защиты | IP67 | | Тип присоединения | ISO 5211 | | Применение | водоснабжение, отопление, пожаротушение, тепловые пункты | | Монтаж | горизонтальный/вертикальный | | Материал корпуса | сплав алюминия | | Ход | механический предел 0-90 ° | | Среда эксплуатации | в помещениях и на открытом воздухе | | Место установки | между пневмоприводом и шаровым краном или затвором | | Угол поворота вала | 90° ± 5° |
|  Изображение ручных дублеров DN.ru MONx-x-x-ISO |
Деталировка ручных дублеров DN.ru MONx-x-x-ISO| № | Наименование детали | Материал |
|---|
| 1 | Шток для монтажа пневмопривода | сталь 45 | | 2, 8 | Уплотнительное кольцо | EPDM | | 3 | Фиксирующая пружина | пружинная сталь | | 4 | Верхняя торцевая крышка | сплав алюминия | | 5 | Винт | нержавеющая сталь AISI 304 (аналог 08Х18Н10) | | 6 | Фиксирующая скоба (главная тяга) | нержавеющая сталь AISI 304 (аналог 08Х18Н10) | | 7 | Корпус | сплав алюминия | | 9 | Редуктор | чугун ВЧ50 | | 10 | Переходная муфта | чугун ВЧ40 | | 11 | Шток редуктора | чугун ВЧ40 |
|  Эскиз деталировки ручных дублеров DN.ru MONx-x-x-ISO |
Технические параметры пневмораспределителей DN.ru 4V320-08 AC220V (подключение со шлангом)| Характеристика | Значение |
|---|
| Тип пневмораспределителя | золотниковый | | Материал корпуса | алюминевый сплав и технополимер | | Управление | двустороннее электромагнитное | | Схема работы | 5/2 – 5 рабочих линий; 2 позиции | | Эффективная площадь сечения, мм2 | 25 (Cv = 1,4) | | Резьба рабочих портов | G 1/4 | | Резьба выхлопного порта | G 1/4 | | Рабочее давление, бар | 1,5 ÷ 8 | | Максимальное давление, бар | 12 | | Рабочая среда | очищенный воздух (тонкость очистки 40 мкм) | | Напряжение питания, В | 220 | | Полная мощность, В·А | 4,5 | | Допустимые изменения напряжения питания | ±10% | | Степень защиты/класс изоляции | IP65/F | | Температура эксплуатации, °C | от -5 до +50 | | Максимальная частота срабатывания | 5 циклов в секунду | | Минимальное время переключения, с | 0,05 | | Пропускная способность, л/мин | 1 350 | | Средний ресурс, циклов | 20 000 000 | | Вес, кг | 1,200 |
|  Изображение пневмораспределителей DN.ru 4V320-08 AC220V (подключение со шлангом) |