Затворы дисковые поворотные DN.ru WBV3434Pf-2W-Fb-H Ду50-80 Ру16 корпус - углеродистая сталь WCB, диск - углеродистая сталь WCB, футерованный PTFE, уплотнение - PTFE, с PA-SA и ALS200D

СТМ многоступенчатые насосы 2
СТМ многоступенчатые насосы 2-mobile
КИПиА Акваконтроль 2
КИПиА Акваконтроль 2-mobile

Затворы дисковые поворотные предназначены для использования в качестве запорной или регулирующей арматуры для управления потоками в системах теплоснабжения, водоснабжения, в технологических процессах пищевой, химической, нефтегазовой, целлюлозно-бумажной и других отраслях промышленности. Привод пневматический предназначен для автоматизации процесса управления четвертьоборотной арматурой. Магнитный переключатель предназначен для преобразования конечных значений положения вала пневматических приводов или запорной арматуры в электрические сигналы.

Технические параметры затворов дисковых поворотных DN.ru WBV3434Pf-2W-Fb-H Ду50-80 Ру16

ХарактеристикаЗначение
Номинальный диаметр DN, мм50-125
Номинальное давление PN, бар16
Номинальная температура рабочей среды t, ⁰Cот -10 до +150
Максимальная температура рабочей среды tmax, ⁰C (кратковременно)180
Рабочая средавода, щелочи, кислоты, растворители, окислители и прочие химические вещества не агрессивные по отношению к материалу уплотнения PTFE
Направление потокадвустороннее
Класс герметичностиA ГОСТ 9544-2015
Присоединение к трубопроводумежфланцевое
Корпусуглеродистая сталь WCB (аналог 25Л), футерованный PTFE
Дискуглеродистая сталь WCB (аналог 25Л), футерованный PTFE
Толщина футеровки, мм3
Сфера применениясистемы отопления и водоснабжения; промышленные трубопроводы
Средний срок службы, лет10
Средний ресурс, циклов закрытие/открытие50000-100000
Затворы дисковые поворотные DN.ru WBV3434Pf-2W-Fb-H Ду50-80 Ру16 корпус - углеродистая сталь WCB, диск - углеродистая сталь WCB, футерованный PTFE, уплотнение - PTFE, с PA-SA и ALS200D

Изображение затворов дисковых поворотных DN.ru WBV3434Pf-2W-Fb-H Ду50-80 Ру16

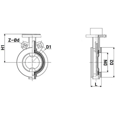
Габаритные и установочные размеры затворов дисковых поворотных DN.ru WBV3434Pf-2W-Fb-H Ду50-80 Ру16

РазмерDN, ммD1, ммD2, ммL, ммH1, ммZ-d, мм
Ду505012510043802-18
Ду656514512046902-18
Ду8080160135461004-18
Затворы дисковые поворотные DN.ru WBV3434Pf-2W-Fb-H Ду50-80 Ру16 корпус - углеродистая сталь WCB, диск - углеродистая сталь WCB, футерованный PTFE, уплотнение - PTFE, с PA-SA и ALS200D

Эскиз габаритов затворов дисковых поворотных DN.ru WBV3434Pf-2W-Fb-H Ду50-80 Ру16

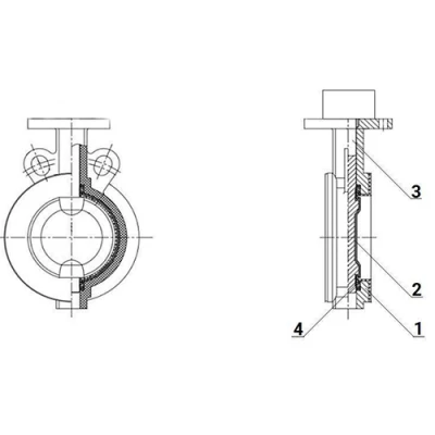
Деталировка затворов дисковых поворотных DN.ru WBV3434Pf-2W-Fb-H Ду50-80 Ру16

Наименование деталиМатериал
1Корпусуглеродистая сталь WCB (аналог 25Л), футерованный PTFE
2Дискуглеродистая сталь WCB (аналог 25Л), футерованный PTFE
3Штокнержавеющая сталь 2Cr13 (аналог ст.20Х13)
4Седловое уплотнениеPTFE
Затворы дисковые поворотные DN.ru WBV3434Pf-2W-Fb-H Ду50-80 Ру16 корпус - углеродистая сталь WCB, диск - углеродистая сталь WCB, футерованный PTFE, уплотнение - PTFE, с PA-SA и ALS200D

Эскиз деталировки затворов дисковых поворотных DN.ru WBV3434Pf-2W-Fb-H Ду50-80 Ру16

Технические параметры пневмоприводов DN.ru PA-SA с возвратными пружинами

ХарактеристикаЗначение
БрендDN.ru
Тип пневмоприводас возвратными пружинами
Количество пружин10 шт
Номинальное давление12 бар
Рабочее давление2...8 бар
Средасжатый воздух
Температура рабочей средыот -20 °C до +80 °C
Угол поворота0 - 90°
Регулировка угла поворота±5%
Страна производительКитай
Максимальный диаметр частиц рабочей среды≤30 мкм2
Стандарт верхнего соединенияNAMUR
Стандарт соединения подачи воздухаNAMUR

Видео пневмоприводов DN.ru PA-SA с возвратными пружинами

Деталировка пневмопривода DN.ru PA-SA с возвратными пружинами

Наименование деталиМатериал
1Индикаторный винтАБС-пластик
2Индикатор положенияАБС-пластик
3Пружинный зажимнержавеющая сталь 304
4Металлическая шайбанержавеющая сталь 304
5Прижимная шайбаинженерный пластик
6Корпусэкструдированный алюминиевый сплав с твердым анодированием
7Прижимная шайбаинженерный пластик
8Ограничительлегированная сталь
9Уплотнительное кольцо вала верхнееNBR
10Антифрикционное кольцо вала верхнееинженерный пластик
11Валлегированная сталь никелированная
12Антифрикционное кольцо вала нижнееинженерный пластик
13Уплотнительное кольцо вала нижнееNBR
14ЗаглушкаNBR
15Уплотнительное кольцо регулировочных винтовNBR
16Шайба регулировочного винтанержавеющая сталь 304
17Стопорная гайка регулировочного винтанержавеющая сталь 304
18Винт регулировочныйнержавеющая сталь 304
19Поршеньалюминиевый сплав, литой под давлением
20Направляющая накладка поршняинженерный пластик
21Антифрикционное кольцо поршняинженерный пластик
22Уплотнительное кольцо поршняNBR
23Комплект пружинпружинная сталь
24Уплотнительное кольцо крышкиNBR
25Торцевая крышкалитой алюминий с полиэфирным покрытием
26Винт крышкинержавеющая сталь 304
27Стопорный винтнержавеющая сталь 304
28Адаптеруглеродистая сталь
Эскиз деталировки пневмоприводов DN.ru PA-SA с возвратными пружинами

Эскиз деталировки пневмоприводов DN.ru PA-SA с возвратными пружинами

Технические параметры магнитных переключателей DN.ru ALS200D

ХарактеристикаЗначение
Материал корпусапластик PP-GF30
Степень защиты корпусаIP67
Совместимые устройства- пневматические приводы; - любые исполнительные механизмы с поворотом вала на 90°
Индикация угла поворота вала совмещаемого устройства, °0 – 90
Тип контактаNO
Тип взаимодействия датчиковмагнитный
Расстояние взаимодействия датчиков, мм1 ÷ 6
Частота переключения вкл/выкл, кГц0 ÷ 4,8
Визуальная индикациядва светодиода
Номинальное напряжение, В5 ÷ 240 AC/DC
Номинальный ток, mА0 ÷ 300
Номинальная мощность, Ватт10
Допустимая температура окружающей среды, °Сот -40 до +85
Кабельный вывод4 провода (2 провода/обрыв, 2 провода/закрытие)
Средний ресурс, лет10
Вес, кг0,140
Изображение магнитных переключателей DN.ru ALS200D

Изображение магнитных переключателей DN.ru ALS200D

Быстрый заказ

Вы можете отправить нам запрос на необходимые позиции и наш менеджер свяжется с вами в ближайшее время для формирования заказа

Нажмите, чтобы загрузить файлы или перетащите сюда
Максимальный размер файла - 10 Мб. Типы файлов: jpg, jpeg, png, xls, xlsx, doc, docx, pdf.