Затворы дисковые поворотные предназначены для использования в качестве запорной или регулирующей арматуры для управления потоками в системах теплоснабжения, водоснабжения, в технологических процессах пищевой, химической, нефтегазовой, целлюлозно-бумажной и других отраслях промышленности. Привод пневматический предназначен для автоматизации процесса управления четвертьоборотной арматурой. Пневмораспределитель служит для изменения направления, пуска, остановки потоков сжатого воздуха в пневматической системе в зависимости от внешнего управляющего воздействия. Блок концевых выключателей предназначен для визуальной и электрической сигнализации конечных положений запорного органа арматуры. |
Технические параметры затворов дисковых поворотных DN.ru WBV3131S-2W-T-H Ду15-100 Ру10| Характеристика | Значение |
|---|
| Номинальный диаметр DN, мм | 15 - 100 | | Номинальное давление PN, бар | 10 | | Температура рабочей среды t, ⁰C | от -50 до +180 | | Температура стерилизации, ⁰C | +135 (макс. 20 мин) | | Рабочая среда | холодная и горячая вода, пар, иные среды нейтральные к материалам деталей | | Материал уплотнения | Silicon | | Направление потока | двустороннее | | Класс герметичности | A ГОСТ 9544-2015 | | Присоединение к трубопроводу | резьбовое | | Материал корпуса | пищевая нержавеющая сталь AISI 304 (аналог 08Х18Н10) | | Материал диска | пищевая нержавеющая сталь AISI 304 (аналог 08Х18Н10) | | Сфера применения | производство пищевой продукции, а также отрасли с высокими требованиями к санитарному контролю и чистоте оборудования | | Средний ресурс, кол-во циклов закрытия/открытия | 30000 – 50000 (в зависимости от рабочей среды и условий эксплуатации) |
|  Изображение затворов дисковых поворотных DN.ru WBV3131S-2W-T-H Ду15-100 Ру10 |
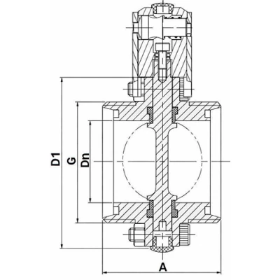
Габаритные и установочные размеры затворов дисковых поворотных DN.ru WBV3131S-2W-T-H Ду15-100 Ру10| Размер | Dn, мм | D1, мм | A, мм | G |
|---|
| Ду40 с PA-DA-052 | 37 | 90 | 74 | Rd65x1/6 | | Ду100 с PA-DA-052 | 100 | 159 | 104 | Rd130x1/4 | | Ду100 с PA-DA-065 | 100 | 159 | 104 | Rd130x1/4 | | Ду80 с PA-DA-052 | 81 | 139 | 84 | Rd110x1/4 | | Ду80 с PA-DA-065 | 81 | 139 | 84 | Rd110x1/4 | | Ду65 с PA-DA-052 | 66 | 124 | 80 | Rd95x1/6 | | Ду65 с PA-DA-065 | 66 | 124 | 80 | Rd95x1/6 | | Ду50 с PA-DA-052 | 49 | 106 | 76 | Rd78x1/6 | | Ду50 с PA-DA-065 | 49 | 106 | 76 | Rd78x1/6 | | Ду15 с PA-DA-065 | 15 | 78 | 66 | Rd34x1/8 | | Ду40 с PA-DA-065 | 37 | 90 | 74 | Rd65x1/6 | | Ду32 с PA-DA-052 | 31 | 86 | 70 | Rd58x1/6 | | Ду32 с PA-DA-065 | 31 | 86 | 70 | Rd58x1/6 | | Ду25 с PA-DA-052 | 25 | 78 | 66 | Rd52x1/6 | | Ду25 с PA-DA-065 | 25 | 78 | 66 | Rd52x1/6 | | Ду20 с PA-DA-052 | 19 | 78 | 66 | Rd44x1/6 | | Ду20 с PA-DA-065 | 19 | 78 | 66 | Rd44x1/6 | | Ду15 с PA-DA-052 | 15 | 78 | 66 | Rd34x1/8 |
|  Эскиз габаритов затворов дисковых поворотных DN.ru WBV3131S-2W-T-H Ду15-100 Ру10 |
Деталировка затворов дисковых поворотных DN.ru WBV3131S-2W-T-H Ду15-100 Ру10| № | Наименование детали | Материал |
|---|
| 1 | Корпус | нержавеющая сталь AISI 304 (аналог 08Х18Н10) | | 2 | Поворотный узел | нержавеющая сталь AISI 304 (аналог 08Х18Н10) | | 3 | Диск | нержавеющая сталь AISI 304 (аналог 08Х18Н10) | | 4 | Седловое уплотнение | Silicon | | 5 | Гайка | сталь A2~70 | | 6 | Болт | сталь A2~70 | | 7 | Пробка | пластик ABS |
|  Эскиз деталировки затворов дисковых поворотных DN.ru WBV3131S-2W-T-H Ду15-100 Ру10 |
Технические параметры пневмоприводов DN.ru PA-DA двойного действия| Характеристика | Значение |
|---|
| Бренд | DN.ru | | Тип пневмопривода | двойного действия | | Номинальное давление | 12 бар | | Рабочее давление | 2...8 бар | | Среда | сжатый воздух | | Температура рабочей среды | от -20 °C до +80 °C | | Угол поворота | 0 - 90° | | Регулировка угла поворота | ±5% | | Страна производитель | Китай | | Максимальный диаметр частиц рабочей среды | ≤30 мкм2 | | Стандарт верхнего соединения | NAMUR | | Стандарт соединения подачи воздуха | NAMUR |
| Видео пневмоприводов DN.ru PA-DA двойного действия |
Деталировка пневмоприводов DN.ru PA-DA двойного действия| № | Наименование детали | Материал |
|---|
| 1 | Индикаторный винт | АБС-пластик | | 2 | Индикатор положения | АБС-пластик | | 3 | Пружинный зажим | нержавеющая сталь 304 | | 4 | Металлическая шайба | нержавеющая сталь 304 | | 5 | Прижимная шайба | инженерный пластик | | 6 | Корпус | экструдированный алюминиевый сплав с твердым анодированием | | 7 | Прижимная шайба | инженерный пластик | | 8 | Ограничитель | легированная сталь | | 9 | Уплотнительное кольцо вала верхнее | NBR | | 10 | Антифрикционное кольцо вала верхнее | инженерный пластик | | 11 | Вал | легированная сталь никелированная | | 12 | Антифрикционное кольцо вала нижнее | инженерный пластик | | 13 | Уплотнительное кольцо вала нижнее | NBR | | 14 | Заглушка | NBR | | 15 | Уплотнительное кольцо регулировочных винтов | NBR | | 16 | Шайба регулировочного винта | нержавеющая сталь 304 | | 17 | Стопорная гайка регулировочного винта | нержавеющая сталь 304 | | 18 | Винт регулировочный | нержавеющая сталь 304 | | 19 | Поршень | алюминиевый сплав, литой под давлением | | 20 | Направляющая накладка поршня | инженерный пластик | | 21 | Антифрикционное кольцо поршня | инженерный пластик | | 22 | Уплотнительное кольцо поршня | NBR | | 23 | Комплект пружин | пружинная сталь | | 24 | Уплотнительное кольцо крышки | NBR | | 25 | Торцевая крышка | литой алюминий с полиэфирным покрытием | | 26 | Винт крышки | нержавеющая сталь 304 | | 27 | Стопорный винт | нержавеющая сталь 304 | | 28 | Адаптер | углеродистая сталь |
|  Эскиз деталировки пневмоприводов DN.ru PA-DA двойного действия |
Технические параметры блоков концевых выключателей DN.ru APL-210N| Характеристика | Значение |
|---|
| Защита корпуса | всепогодный IP65 | | Температура окружающей среды, °C | от -40 до +80 | | Совместимые устройства | четвертьоборотные пневмоприводы; - исполнительные механизмы с поворотом вала на 90° | | Кабельные вводы | 2 x NPT1/2” | | Клеммная колодка | 8 ячеек 0.08-2.6 мм2 | | Напряжение | 12V, 24V, 38V, 48V, 110V, 220V, 250V | | Положение индикатора | ЗАКРЫТО: красный ОТКРЫТО: зелёный | | Датчик | 2 SPDT электромеханических микровыключателя OMRON V151-1C25 тип "сухой контакт" | | Внешнее покрытие | полиэстеровое покрытие (чёрное) | | Вал | стандартный вал – 17 мм |
|  Изображение блоков концевых выключателей DN.ru APL-210N |
Деталировка блоков концевых выключателей DN.ru APL-210N| № | Наименование | Материал |
|---|
| 1 | Корпус | литьевой алюминий | | 2 | Индикаторный колпак | полиэстер пластик | | 3 | 3D-индикатор | ABC -пластик | | 4 | Кулачок | полиэстер пластик | | 5 | Пружина | нержавеющая сталь | | 6 | Винты | нержавеющая сталь | | 7 | Уплотнительные кольца | NBR | | 8 | Втулка | бронза | | 9 | Клемма заземления | нержавеющая сталь | | 10 | Вал | нержавеющая сталь |
| |
Технические параметры пневмораспределителей DN.ru 4M320-10 AC220V (на корпус)| Характеристика | Значение |
|---|
| Тип пневмораспределителя | золотниковый | | Материал корпуса | алюминевый сплав и технополимер | | Управление | двустороннее электромагнитное | | Присоединение к пневмоприводу | стыковочная поверхность по стандарту NAMUR (VDI/VDE3845) | | Схема работы | 5/2 – 5 рабочих линий; 2 позиции | | Эффективная площадь сечения, мм2 | 30 (Cv = 1,68 | | Размер порта подвода воздуха (в пневмораспределитель) | G 3/8 | | Размер портов отвода воздуха (в пневмопривод) | 2 х Ø20 | | Размеры выхлопных портов (сброс в атмосферу) | 2 х G 1/4 | | Рабочее давление, бар | 1,5 ÷ 8 | | Максимальное давление, бар | 12 | | Рабочая среда | очищенный воздух (тонкость очистки 40 мкм) | | Напряжение питания, В | 220 | | Полная мощность, В·А | 4,5 | | Допустимые изменения напряжения питания | ±10% | | Степень защиты/класс изоляции | IP65/F | | Температура эксплуатации, °C | от -5 до +50 | | Максимальная частота срабатывания | 5 циклов в секунду | | Минимальное время переключения, с | 0,05 | | Пропускная способность, л/мин | 1 350 | | Средний ресурс, циклов | 20 000 000 | | Вес, кг | 1,200 |
|  Изображение пневмораспределителей DN.ru 4M320-10 AC220V (на корпус) |