Затворы дисковые поворотные DN.ru WBV1616E-2W-Fb-H Ду50-150 Ру16 LUG корпус-чугун QT450, диск-чугун QT450, уплотнение-EPDM, межфланцевые, с пневмоприводом PA-DA, пневмораспределителем 4М310-08 220В NAMUR, БКВ APL-210N и БПВ AFC2000

NY2026 - all categories (2)
NY2026 - all categories (2)-mobile
Aquaflame 2026 (2)
Aquaflame 2026 (2)-mobile
СТМ многоступенчатые насосы 2
СТМ многоступенчатые насосы 2-mobile
КИПиА Акваконтроль 2
КИПиА Акваконтроль 2-mobile

Затвор дисковый поворотный предназначен для использования в качестве запорной или регулирующей арматуры для управления потоками в системах теплоснабжения, водоснабжения, в технологических процессах пищевой, химической, нефтегазовой, целлюлозно-бумажной и других отраслях промышленности. Затворы открываются и закрываются путем поворота диска на 90°. Открытие производится поворотом рукоятки против часовой стрелки, закрытие - по часовой стрелке.

Приводы пневматические DN.ru поворотные двойного действия PA-DAXXX предназначены для автоматизации процесса управления промышленной арматурой при максимальном значении крутящего момента до 2128 Нм.

Пневмораспределитель служит для изменения направления, пуска, остановки потоков сжатого воздуха в пневматической системе в зависимости от внешнего управляющего воздействия. Управление осуществляется за счет переключения схемы соединения внутренних каналов распределителя с входными и выходными присоединительными отверстиями. Под внешними пневмолиниями понимаются воздухопроводы и каналы для прохождения воздуха (в том числе и отверстия для связи с атмосферой), соединяемые в определенных сочетаниях при различных положениях распределительного органа. Основными элементами конструкции золотникового пневмораспределителя являются корпус, в котором выполнены каналы и золотник, установленный в корпусе. На золотнике выполнены шейки, позволяющие соединять выбранные каналы между собой. При перемещении сердечника под воздействием управляющих сигналов, изменяющих создаваемую соленоидом напряженность магнитного поля, происходит переключение внутренних каналов распределителя, при помощи которых соединяются входные и выходные отверстия. Перемещаясь в корпусе, золотник изменяет схему соединения каналов пневмораспределителя.

Блок концевых выключателей предназначен для визуальной и электрической сигнализации конечных положений запорного органа арматуры: клапана, крана или дискового затвора. Устанавливается сверху на поверхность пневматического привода и соединен с валом привода стандарт DIN. В герметичной коробке, как правило, находятся два датчика, которые отслеживают положение вала привода и сигнализируют в крайних положениях. В качестве датчиков используются микровыключатели OMRON, индуктивные датчики или герконы. Визуальную индикацию положения можно наблюдать на корпусе блока имеется 3D визуальный индикатор КРАСНЫЙ–ЗАКРЫТО и ЗЕЛЁНЫЙ-ОТКРЫТО.

Блок подготовки воздуха предназначен для очистки сжатого воздуха от капельной влаги и твердых частиц, удаления конденсата, автоматического поддержания величины давления на заданном уровне, подвода смазочного материала из резервуара в поток сжатого воздуха к элементам пневмосистемы.

Технические параметры затворов дисковых поворотных DN.ru WBV1616E-2W-Fb-H Ду50-150 Ру16 LUG корпус-чугун QT450, диск-чугун QT450, уплотнение-EPDM, межфланцевых, с пневмоприводом PA-DA, пневмораспределителем 4М310-08 220В NAMUR, БКВ APL-210N и БПВ AFC2000:

Наименование Значение
Давление номинальное PN, бар 16
Температура рабочей среды, °С от -20 до 100
Применение водоснабжение, теплоснабжение
Присоединение к трубопроводу Межфланцевый (резьбовые проушины)
Тип затвора поворотный дисковый
Класс герметичности A по ГОСТ 9544
Тип управления пневмопривод
Страна производитель Россия

Затворы дисковые поворотные DN.ru WBV1616E-2W-Fb-H Ду50-150 Ру16 LUG корпус-чугун QT450, диск-чугун QT450, уплотнение-EPDM, межфланцевые, с пневмоприводом PA-DA, пневмораспределителем 4М310-08 220В NAMUR, БКВ APL-210N и БПВ AFC2000

Габариты и размеры затворов дисковых поворотных DN.ru WBV1616E-2W-Fb-H Ду50-150 Ру16 LUG корпус-чугун QT450, диск-чугун QT450, уплотнение-EPDM, межфланцевых, с пневмоприводом PA-DA, пневмораспределителем 4М310-08 220В NAMUR, БКВ APL-210N и БПВ AFC2000:

Модель Н, мм A, мм E, мм I, мм B, мм С, мм
Ду50 203 174 89 162 88 139
Ду65 224 174 89 162 88 139
Ду80 248 216 109 162 88 139
Ду100 277.5 216 109 162 88 139
Ду125 317.5 279 134 162 88 139
Ду150 354.5 279 134 162 88 139
Затворы дисковые поворотные DN.ru WBV1616E-2W-Fb-H Ду50-150 Ру16 LUG корпус-чугун QT450, диск-чугун QT450, уплотнение-EPDM, межфланцевые, с пневмоприводом PA-DA, пневмораспределителем 4М310-08 220В NAMUR, БКВ APL-210N и БПВ AFC2000

Эскиз габариты и размеры затворов дисковых поворотных DN.ru WBV1616E-2W-Fb-H Ду50-150 Ру16 LUG корпус-чугун QT450, диск-чугун QT450, уплотнение-EPDM, межфланцевых, с пневмоприводом PA-DA, пневмораспределителем 4М310-08 220В NAMUR, БКВ APL-210N и БПВ AFC2000

Таблица деталей и материалов затворов дисковых поворотных DN.ru WBV1616E-2W-Fb-H Ду50-150 Ру16 LUG корпус-чугун QT450, диск-чугун QT450, уплотнение-EPDM, межфланцевых, с пневмоприводом PA-DA, пневмораспределителем 4М310-08 220В NAMUR, БКВ APL-210N и БПВ AFC2000:

Детали Материал
1 Корпус чугун QT450 (аналог ВЧ 45)
2 Диск чугун QT450 (аналог ВЧ 45)
3 Седловое уплотнение EPDM
4 Шток нержавеющая сталь AISI 316 (аналог 08Х17Н13М2)
Затворы дисковые поворотные DN.ru WBV1616E-2W-Fb-H Ду50-150 Ру16 LUG корпус-чугун QT450, диск-чугун QT450, уплотнение-EPDM, межфланцевые, с пневмоприводом PA-DA, пневмораспределителем 4М310-08 220В NAMUR, БКВ APL-210N и БПВ AFC2000

Эскиз деталей и материалов затворов дисковых поворотных DN.ru WBV1616E-2W-Fb-H Ду50-150 Ру16 LUG корпус-чугун QT450, диск-чугун QT450, уплотнение-EPDM, межфланцевых, с пневмоприводом PA-DA, пневмораспределителем 4М310-08 220В NAMUR, БКВ APL-210N и БПВ AFC2000

Технические параметры пневмопривода DN.ru

Наименование Значение
Давление управления, бар 2 ÷ 8
Затворы дисковые поворотные DN.ru WBV1616E-2W-Fb-H Ду50-150 Ру16 LUG корпус-чугун QT450, диск-чугун QT450, уплотнение-EPDM, межфланцевые, с пневмоприводом PA-DA, пневмораспределителем 4М310-08 220В NAMUR, БКВ APL-210N и БПВ AFC2000

Пневмопривод DN.ru

Габариты и размеры пневмопривода DN.ru

Модель привода DA-065 DA-083 DA-105
G, мм 15 15 25
М, мм 80 80 80
N, мм 30 30 30
Ф0, мм 34 34 41
Р, мм 20 20 20
B1, мм 174 216 279
C, мм 36 46 55
E, мм 89 109 134
J 4-M6x10 4-M6x10 4-M8x12
К 4-М8х12 4-М8х12 4-М10х16
F, мм 26 26 26
А1, мм 125 152 189
D, мм 46 55 64
L, мм 14х14 17х17 22х22
H F05 F05 F07
I F07 F07 F10
Затворы дисковые поворотные DN.ru WBV1616E-2W-Fb-H Ду50-150 Ру16 LUG корпус-чугун QT450, диск-чугун QT450, уплотнение-EPDM, межфланцевые, с пневмоприводом PA-DA, пневмораспределителем 4М310-08 220В NAMUR, БКВ APL-210N и БПВ AFC2000

Эскиз габаритов и размеров пневмопривода DN.ru

Таблица деталей и материалов пневмопривода DN.ru

Наименование Кол-во Материал Покрытие
1 Корпус 1 эструдированный алюминий твердое анодированное
2 Боковые заглушки 2 литой алюминий
3 Шестерня 1 нержавеющая сталь никелированное
4 Поршень 2 сталь/алюминий оксидирование/ гальваническая оцинковка
5 Заглушки 8 нержавеющая сталь
6 Поршневое кольцо 2 NBR
7 Пружины 0-12 пружинная сталь эпоксидное покрытие
8 Подшипник поршня 2 инженерный пластик
9 Поршневое кольцо 2 NBR
10 Заглушка 2 NBR
11 Упорное кольцо 2 инженерный пластик
12 Кольцо 1 инженерный пластик
13 Шайба 1 нержавеющая сталь
14 Пружинный зажим 2 нержавеющая сталь
15 Индикатор 1 пластик
16 Корпус индикатора 1 пластик
17 Подшипник 1 инженерный пластик
18 Кулачок 1 сталь оксидирование/ гальваническая оцинковка
19 Подшипник 1 NBR
20 Подшипник 1 инженерный пластик
21 Подшипник 1 инженерный пластик
22 Уплотнительное кольцо 2 NBR
23 Уплотнительное кольцо 2 NBR
24 Подшипник 2 нержавеющая сталь
25 Гайка регулировки 2 нержавеющая сталь
26 Винт регулировки 2 нержавеющая сталь
27 Втулка 2 алюминий

Технические параметры пневмораспределителя DN.ru 4М310-08 220В NAMUR

Наименование Значение
Тип пневмораспределителя золотниковый
Модель пневмораспределителя 4М310-08 220В NAMUR
Рабочее давление, бар 1.5 ÷ 8
Частота срабатывания, цикл/сек 5
Затворы дисковые поворотные DN.ru WBV1616E-2W-Fb-H Ду50-150 Ру16 LUG корпус-чугун QT450, диск-чугун QT450, уплотнение-EPDM, межфланцевые, с пневмоприводом PA-DA, пневмораспределителем 4М310-08 220В NAMUR, БКВ APL-210N и БПВ AFC2000

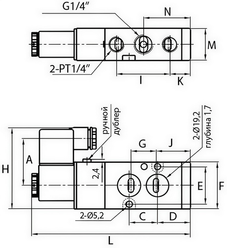
Пневмораспределитель DN.ru 4М310-08 220В NAMUR

Габариты и размеры пневмораспределителя DN.ru 4М310-08 220В NAMUR

Модель 4M310-08
A, мм 40
C, мм 24
D, мм 28
E, мм 32
F, мм 40
G, мм 21.5
H, мм 69
I, мм 45
K, мм 17.5
L, мм 135
J, мм 29.3
N, мм 40
M, мм 27
Затворы дисковые поворотные DN.ru WBV1616E-2W-Fb-H Ду50-150 Ру16 LUG корпус-чугун QT450, диск-чугун QT450, уплотнение-EPDM, межфланцевые, с пневмоприводом PA-DA, пневмораспределителем 4М310-08 220В NAMUR, БКВ APL-210N и БПВ AFC2000

Эскиз габаритов и размеров пневмораспределителя DN.ru 4М310-08 220В NAMUR

Технические параметры блока концевых выключателей DN.ru APL-210N

Наименование Значение
Модель блока концевых выключателей APL-210N
Срок службы, лет 10
Затворы дисковые поворотные DN.ru WBV1616E-2W-Fb-H Ду50-150 Ру16 LUG корпус-чугун QT450, диск-чугун QT450, уплотнение-EPDM, межфланцевые, с пневмоприводом PA-DA, пневмораспределителем 4М310-08 220В NAMUR, БКВ APL-210N и БПВ AFC2000

Блок концевых выключателей DN.ru APL-210N

Габариты и размеры блока концевых выключателей DN.ru APL-210N

Модель Н, мм L, мм B, мм D, мм D1, мм M
APL-210N 77 112 88 10 5 20х1.5
Затворы дисковые поворотные DN.ru WBV1616E-2W-Fb-H Ду50-150 Ру16 LUG корпус-чугун QT450, диск-чугун QT450, уплотнение-EPDM, межфланцевые, с пневмоприводом PA-DA, пневмораспределителем 4М310-08 220В NAMUR, БКВ APL-210N и БПВ AFC2000

Эскиз габаритов и размеров блока концевых выключателей DN.ru APL-210N

Таблица деталей и материалов блока концевых выключателей DN.ru APL-210N

Деталь Материал
Корпус литьевой алюминий
Индикаторный колпак полиэстер пластик
3D-индикатор ABC -пластик
Кулачок полиэстер пластик
Пружина нержавеющая сталь
Винты нержавеющая сталь
Уплотнительные кольца NBR
Втулка бронза
Клемма заземления нержавеющая сталь
Вал нержавеющая сталь

Технические параметры блока подготовки воздуха Dn.ru AFC2000

Наименование Значение
Рабочее давление, бар 8
Регулируемый диапазон давления, бар 0.5 ÷ 9
Размер фильтруемых частиц, мкм 40 мкм
Вес, кг 0.395
Затворы дисковые поворотные DN.ru WBV1616E-2W-Fb-H Ду50-150 Ру16 LUG корпус-чугун QT450, диск-чугун QT450, уплотнение-EPDM, межфланцевые, с пневмоприводом PA-DA, пневмораспределителем 4М310-08 220В NAMUR, БКВ APL-210N и БПВ AFC2000

Блок подготовки воздуха Dn.ru AFC2000

Габариты и размеры блока подготовки воздуха Dn.ru AFC2000:

Модель AFC2000
A, мм 162
B, мм 88
C, мм 139
D, мм 31
E, мм 53.5
F, мм 12
G, мм 8
H, мм 7
I, мм 13.3
J, мм 39
K, мм 5
L, мм 40
M, мм 32
N, мм 53
O, мм 29
P, мм 6
R, мм 41.5
Затворы дисковые поворотные DN.ru WBV1616E-2W-Fb-H Ду50-150 Ру16 LUG корпус-чугун QT450, диск-чугун QT450, уплотнение-EPDM, межфланцевые, с пневмоприводом PA-DA, пневмораспределителем 4М310-08 220В NAMUR, БКВ APL-210N и БПВ AFC2000

Эскиз габаритов и размеров блока подготовки воздуха Dn.ru AFC2000

Быстрый заказ

Вы можете отправить нам запрос на необходимые позиции и наш менеджер свяжется с вами в ближайшее время для формирования заказа

Нажмите, чтобы загрузить файлы или перетащите сюда
Максимальный размер файла - 10 Мб. Типы файлов: jpg, jpeg, png, xls, xlsx, doc, docx, pdf.