Затворы дисковые поворотные DN.ru WBV0232E-2W-Fb Ду25-32 Ру16, корпус - алюминевый сплав, диск - нержавеющая сталь 316L, уплотнение - EPDM, с пневмоприводом PA-SA с возвратными пружинами, с пневмораспределителем 4V320-08 220В, с БПВ AFC2000

Aquaflame 2026 (2)
Aquaflame 2026 (2)-mobile
СТМ многоступенчатые насосы 2
СТМ многоступенчатые насосы 2-mobile
КИПиА Акваконтроль 2
КИПиА Акваконтроль 2-mobile

Затвор дисковый поворотный предназначен для использования в качестве запорной или регулирующей арматуры для управления потоками в системах теплоснабжения, водоснабжения, в технологических процессах пищевой, химической, нефтегазовой, целлюлозно-бумажной и других отраслях промышленности.

Приводы пневматические DN.ru поворотные двойного действия PA-DAXXX и приводы пневматические поворотные с возвратной пружиной PA-SA-XXX предназначены для автоматизации процесса управления промышленной арматурой при максимальном значении крутящего момента до 2128 Нм.

Пневмораспределитель служит для изменения направления, пуска, остановки потоков сжатого воздуха в пневматической системе в зависимости от внешнего управляющего воздействия.

Блок подготовки воздуха предназначен для очистки сжатого воздуха от капельной влаги и твердых частиц, удаления конденсата, автоматического поддержания величины давления на заданном уровне, подвода смазочного материала из резервуара в поток сжатого воздуха к элементам пневмосистемы.

Технические параметры Затворы дисковые поворотные DN.ru WBV0232E-2W-Fb Ду25-32 Ру16, корпус - алюминевый сплав, диск - нержавеющая сталь 316L, уплотнение - EPDM, с пневмоприводом PA-SA с возвратными пружинами, с пневмораспределителем 4V320-08 220В, с БПВ AFC2000:

Наименование Значение
Рабочее давление, бар 16
Температура рабочей среды, °С от -20 до 120
Применение водоснабжение, теплоснабжение
Присоединение к трубопроводу межфланцевый
Тип затвора поворотный дисковый
Класс герметичности шарового затвора A по ГОСТ 9544
Тип управления пневмопривод
Страна производитель Россия
Затворы дисковые поворотные DN.ru WBV0232E-2W-Fb Ду25-32 Ру16, корпус - алюминевый сплав, диск - нержавеющая сталь 316L, уплотнение - EPDM, с пневмоприводом PA-SA с возвратными пружинами, с пневмораспределителем 4V320-08 220В, с БПВ AFC2000

Затворы дисковые поворотные DN.ru WBV0232E-2W-Fb Ду25-32 Ру16, корпус - алюминевый сплав, диск - нержавеющая сталь 316L, уплотнение - EPDM, с пневмоприводом PA-SA с возвратными пружинами, с пневмораспределителем 4V320-08 220В, с БПВ AFC2000

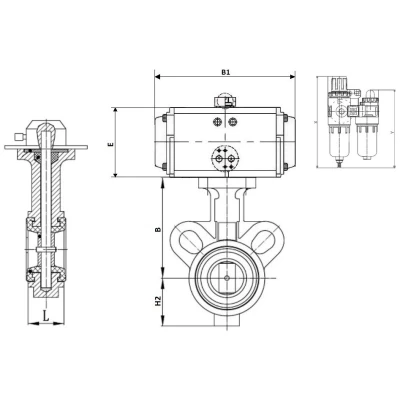
Габариты и размеры Затворы дисковые поворотные DN.ru WBV0232E-2W-Fb Ду25-32 Ру16, корпус - алюминевый сплав, диск - нержавеющая сталь 316L, уплотнение - EPDM, с пневмоприводом PA-SA с возвратными пружинами, с пневмораспределителем 4V320-08 220В, с БПВ AFC2000:

Типоразмер B, мм L, мм H2, мм E, мм B1, мм X, мм Y, мм
Ду25 93 36 44.5 26 152 162 139
Ду32 93 36 44.5 26 152 162 139
Затворы дисковые поворотные DN.ru WBV0232E-2W-Fb Ду25-32 Ру16, корпус - алюминевый сплав, диск - нержавеющая сталь 316L, уплотнение - EPDM, с пневмоприводом PA-SA с возвратными пружинами, с пневмораспределителем 4V320-08 220В, с БПВ AFC2000

Эскиз Затворы дисковые поворотные DN.ru WBV0232E-2W-Fb Ду25-32 Ру16, корпус - алюминевый сплав, диск - нержавеющая сталь 316L, уплотнение - EPDM, с пневмоприводом PA-SA с возвратными пружинами, с пневмораспределителем 4V320-08 220В, с БПВ AFC2000

Таблица деталей и материалов Затворы дисковые поворотные DN.ru WBV0232E-2W-Fb Ду25-32 Ру16, корпус - алюминевый сплав, диск - нержавеющая сталь 316L, уплотнение - EPDM, с пневмоприводом PA-SA с возвратными пружинами, с пневмораспределителем 4V320-08 220В, с БПВ AFC2000:

№ п/п Деталь Материал
1 Корпус Чугун GGG50
2 Диск Высокопрочный чугун
3 Седловое уплотнение EPDM
4 Шток верхний Сталь AISI 420
5 Шток нижний Сталь AISI 420
6,11 Кольцо стопорное Сталь AISI 201
7 Пыльник NBR
8 Прокладка штока NBR
9 Вкладыш Сталь AISI 201
10 Пробка Пластмасса
Затворы дисковые поворотные DN.ru WBV0232E-2W-Fb Ду25-32 Ру16, корпус - алюминевый сплав, диск - нержавеющая сталь 316L, уплотнение - EPDM, с пневмоприводом PA-SA с возвратными пружинами, с пневмораспределителем 4V320-08 220В, с БПВ AFC2000

Эскиз деталей и материалов Затворы дисковые поворотные DN.ru WBV0232E-2W-Fb Ду25-32 Ру16, корпус - алюминевый сплав, диск - нержавеющая сталь 316L, уплотнение - EPDM, с пневмоприводом PA-SA с возвратными пружинами, с пневмораспределителем 4V320-08 220В, с БПВ AFC2000

Технические параметры пневмопривода DN.ru

Наименование Значение
Рабочее давление, бар 6
Рабочая среда фильтрованный сжатый воздух или неагрессивные газы, масла
Затворы дисковые поворотные DN.ru WBV0232E-2W-Fb Ду25-32 Ру16, корпус - алюминевый сплав, диск - нержавеющая сталь 316L, уплотнение - EPDM, с пневмоприводом PA-SA с возвратными пружинами, с пневмораспределителем 4V320-08 220В, с БПВ AFC2000

Пневмопривод DN.ru

Габариты и размеры пневмопривода DN.ru:

Модель привода SA-083
G, мм 15
М, мм 80
N, мм 30
Ф0, мм 34
Р, мм 20
B1, мм 216
C, мм 46
E, мм 109
J 4-M6x10
К 4-М8х12
F, мм 26
А1, мм 152
D, мм 55
L 17х17
H F05
I F07
Затворы дисковые поворотные DN.ru WBV0232E-2W-Fb Ду25-32 Ру16, корпус - алюминевый сплав, диск - нержавеющая сталь 316L, уплотнение - EPDM, с пневмоприводом PA-SA с возвратными пружинами, с пневмораспределителем 4V320-08 220В, с БПВ AFC2000

Эскиз габаритов и размеров пневмопривода DN.ru

Таблица деталей и материалов пневмопривода DN.ru:

Наименование Кол-во Материал Покрытие
1 Корпус 1 эструдированный алюминий твердое анодированное
2 Боковые заглушки 2 литой алюминий
3 Шестерня 1 нержавеющая сталь никелированное
4 Поршень 2 сталь/алюминий оксидирование/ гальваническая оцинковка
5 Заглушки 8 нержавеющая сталь
6 Поршневое кольцо 2 NBR
7 Пружины 0-12 пружинная сталь эпоксидное покрытие
8 Подшипник поршня 2 инженерный пластик
9 Поршневое кольцо 2 NBR
10 Заглушка 2 NBR
11 Упорное кольцо 2 инженерный пластик
12 Кольцо 1 инженерный пластик
13 Шайба 1 нержавеющая сталь
14 Пружинный зажим 2 нержавеющая сталь
15 Индикатор 1 пластик
16 Корпус индикатора 1 пластик
17 Подшипник 1 инженерный пластик
18 Кулачок 1 сталь оксидирование/ гальваническая оцинковка
19 Подшипник 1 NBR
20 Подшипник 1 инженерный пластик
21 Подшипник 1 инженерный пластик
22 Уплотнительное кольцо 2 NBR
23 Уплотнительное кольцо 2 NBR
24 Подшипник 2 нержавеющая сталь
25 Гайка регулировки 2 нержавеющая сталь
26 Винт регулировки 2 нержавеющая сталь
27 Втулка 2 алюминий
Затворы дисковые поворотные DN.ru WBV0232E-2W-Fb Ду25-32 Ру16, корпус - алюминевый сплав, диск - нержавеющая сталь 316L, уплотнение - EPDM, с пневмоприводом PA-SA с возвратными пружинами, с пневмораспределителем 4V320-08 220В, с БПВ AFC2000

Эскиз деталей и материалов пневмопривода DN.ru

Технические параметры пневмораспределителя DN.ru

Наименование Значение
Тип пневмораспределителя золотниковый
Рабочее давление, бар 1.5 ÷ 8
Напряжение питания 220В
Полная мощность, Ва 4.5
Управление двустороннее электромагнитное
Частота срабатывания, цикл/сек 5
Затворы дисковые поворотные DN.ru WBV0232E-2W-Fb Ду25-32 Ру16, корпус - алюминевый сплав, диск - нержавеющая сталь 316L, уплотнение - EPDM, с пневмоприводом PA-SA с возвратными пружинами, с пневмораспределителем 4V320-08 220В, с БПВ AFC2000

Пневмораспределитель DN.ru

Габариты и размеры пневмораспределителя DN.ru:

Модель пневмораспределителя 4V320-08
A, мм 71.9
B, мм 45
C, мм 94.4
D, мм 27
E, мм 69
F, мм 40
I, мм 24
K, мм 40
L, мм 188.8
M, мм 69.4
N, мм 50
O, мм 82.4
P, мм 24
S, мм 20
T, мм 6.5
U, мм 2.4
V, мм 4
H, мм 82.4
Затворы дисковые поворотные DN.ru WBV0232E-2W-Fb Ду25-32 Ру16, корпус - алюминевый сплав, диск - нержавеющая сталь 316L, уплотнение - EPDM, с пневмоприводом PA-SA с возвратными пружинами, с пневмораспределителем 4V320-08 220В, с БПВ AFC2000

Эскиз габаритов и размеров пневмораспределителя DN.ru

Технические параметры блока подготовки воздуха Dn.ru AFC2000

Наименование Значение
Рабочее давление, бар 8
Регулируемый диапазон давления, бар 0.5 ÷ 9
Размер фильтруемых частиц, мкм 40 мкм
Вес, кг 0.395
Затворы дисковые поворотные DN.ru WBV0232E-2W-Fb Ду25-32 Ру16, корпус - алюминевый сплав, диск - нержавеющая сталь 316L, уплотнение - EPDM, с пневмоприводом PA-SA с возвратными пружинами, с пневмораспределителем 4V320-08 220В, с БПВ AFC2000

Блок подготовки воздуха Dn.ru AFC2000

Габариты и размеры блока подготовки воздуха Dn.ru AFC2000:

Модель AFC2000
A, мм 162
B, мм 88
C, мм 139
D, мм 31
E, мм 53.5
F, мм 12
G, мм 8
H, мм 7
I, мм 13.3
J, мм 39
K, мм 5
L, мм 40
M, мм 32
N, мм 53
O, мм 29
P, мм 6
R, мм 41.5
Затворы дисковые поворотные DN.ru WBV0232E-2W-Fb Ду25-32 Ру16, корпус - алюминевый сплав, диск - нержавеющая сталь 316L, уплотнение - EPDM, с пневмоприводом PA-SA с возвратными пружинами, с пневмораспределителем 4V320-08 220В, с БПВ AFC2000

Эскиз габаритов и размеров блока подготовки воздуха Dn.ru AFC2000

Быстрый заказ

Вы можете отправить нам запрос на необходимые позиции и наш менеджер свяжется с вами в ближайшее время для формирования заказа

Нажмите, чтобы загрузить файлы или перетащите сюда
Максимальный размер файла - 10 Мб. Типы файлов: jpg, jpeg, png, xls, xlsx, doc, docx, pdf.