Кран шаровой DN.ru BV3232P(2pc)-FP-F-ISO-H Ду150 Ру16, 24х24, фланцевый, полнопроходной, нержавеющая сталь SS316, уплотнение - PTFE, с пневмоприводом PA-DA-140 и пневмораспределителем 4М310-08 24В NAMUR

Артикул: D160-77948   

О товаре

Артикул:
D160-77948
Бренд:
DN.ru
Страна производитель:
Россия
Доступность товара:
Товар в наличии на складе либо у поставщика
Серия бренда:
BV3232P
Присоединение:
фланцевое
Класс материала корпуса:
нержавеющая сталь
не указано
бронза
латунь
латунь никелированная
Низколегированная сталь
НПВХ
сталь
углеродистая сталь
чугун
Диаметр условный Ду(Dn), мм:
Диаметр в дюймах:
6″
не указано
1″
1 1/2″
1 1/4″
1/2″
1/4″
1/8″
10″
12″
14″
16″
2″
2 1/2″
20″
24″
28″
3″
3 1/2″
3/4″
3/8″
32″
4″
5″
7″
8″
½″
Давление условное Ру(Pn), бар:
Строительная длина, мм:
350
Проход шара:
полнопроходной
Таблица фигур:
не указано
10нж45фт
10нж45фт-01
10нж46фт
10нж46фт-01
10нж47фт-01
11б27п(т)1
11Б27п1
11Б27п11
11Б27п13
11Б27п17
11Б27п7
11б27фт1М
11С10ФТ
11с41п
11с42п
11с42фт (11с42п)
11с667п
11с67п
11с67пМ
11с69п
11с70п
11с967п
Рабочая среда крана:
вода, нейтральные среды, нефтепродукты
Тип управления:
С пневмоприводом
под редуктор/привод
ручной
Ручной (рукоятка, редуктор)
с редуктором
С электроприводом
Устройство крана:
двухходовой
Регулирующий
сливной
трехходовой
четырехходовой
Тип присоединения:
Фланцевый
Компрессионное
межфланцевый
муфтовый (резьбовой)
муфтовый (резьбовой) / американка
муфтовый (резьбовой) / гайка
муфтовый (резьбовой) / обжимной
муфтовый (резьбовой) / под приварку
муфтовый (резьбовой) / пресс
муфтовый (резьбовой) / цапка
муфтовый (резьбовой) / штуцер
обжим (цанговый)
под приварку
Под приварку / цапка
Под приварку / штуцер
пресс
Фланцевый / муфта
фланцевый / под приварку
Фланцевый / цапка
Корпус:
Нержавеющая сталь AISI/SS 316/08Х17Н14М2
Уплотнение шара:
PTFE / Фторопласт / Тефлон
не указано
EPDM
NBR
PPL
PTFE
Резина
Температура:
200 ℃
Применение:
водоснабжение, теплоснабжение
Класс герметичности:
A
Все характеристики
на 2026-12-31
190 506,66
Гарантия 12 месяцев
Возможна отсрочка до 90 дней
В избранное
Бесплатная доставка до ТК
Сертифицированный товар

Характеристики

Кран шаровой применяется в качестве запорной арматуры в системах теплоснабжения, водоснабжения, в топливных и пневмосистемах со сжатым воздухом и нейтральными газами. Установка кранов данной серии возможна в системы транспортирующие жидкие и газообразные среды (вода, нефть, масла, воздух, спирты, гликоль и др.), неагрессивные к материалам крана. Использование шаровых кранов в качестве регулирующей арматуры не допускается.

Технические характеристики крана шарового DN.ru BV3232P(2pc)-FP-F-ISO-H Ду150 Ру16

  • Диаметр номинальный DN - 150 мм
  • Диаметр в дюймах - 6″
  • Давление номинальное PN - 16 бар
  • Материал корпуса - Нержавеющая сталь AISI/SS 316/08Х17Н14М2
  • Материал шара - Нержавеющая сталь AISI/SS 316/08Х17Н14М2
  • Проход шара крана - полнопроходной
  • Тип присоединения - Фланцевый
  • Присоединение - фланцевое
  • Тип управления - С пневмоприводом
  • Управление - пневмопривод двойного действия
  • Тип ISO фланца арматуры - F10, F12
  • Размер вала арматуры (квадрат) - 24х24
  • Уплотнение - PTFE / Фторопласт / Тефлон
  • Тип устройства крана - двухходовой
  • Количество болтовых отверстий на фланце - 8 шт
  • Диаметр болтовых отверстий на фланце - 22 мм
  • Рабочая среда - вода, нефтепродукты, нейтральные среды
  • Температура рабочей среды, минимальная - от -20 °C
  • Температура рабочей среды, максимальная - до 200 °C
  • Область применения - водоснабжение, теплоснабжение
  • Строительная длина - 350 мм
  • Конструкция крана шарового - Разборный 2-х составной
  • Водоразборный - нет
  • Наличие концевых выключателей - нет
  • Наличие спускника - нет
  • Класс герметичности - A
  • Крутящий момент на валу арматуры - 340 Нм
  • Цвет - серебристый
  • Наличие пневмораспределителя - есть
  • Наличие блока подготовки воздуха - нет
  • Наличие электропневматического позиционера - нет
  • Наличие колонки управления - нет
  • Модель арматуры - BV3232P(2pc)-FP-F-ISO-H
  • Маркировка - BV3232P(2pc)-FP-F-ISO-H PA-DA 4M310-08 24В
  • Серия - BV3232P
  • Бренд - DN.ru
  • Страна производитель - Россия
  • Срок службы - 10 лет
  • Гарантия - 12 мес.
  • Вес - 54.35 кг

Видео крана шарового DN.ru BV3232P(2pc)-FP-F-ISO-H Ду150 Ру16

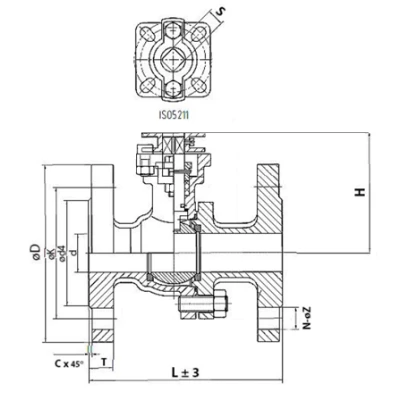
Габаритные и установочные размеры крана шарового DN.ru BV3232P(2pc)-FP-F-ISO-H Ду150 Ру16

  • d - 146 мм
  • d4 - 214 мм
  • K - 240 мм
  • D - 285 мм
  • C - 3 мм
  • T - 24 мм
  • L - 350 мм
  • H - 223 мм
  • S - 27х27 мм
  • N - 8 шт
  • ØZ - 22 мм
Кран шаровой DN.ru BV3232P(2pc)-FP-F-ISO-H Ду150 Ру16, 24х24, фланцевый, полнопроходной, нержавеющая сталь SS316, уплотнение - PTFE, с пневмоприводом PA-DA-140 и пневмораспределителем 4М310-08 24В NAMUR

Эскиз габаритов крана шарового DN.ru BV3232P(2pc)-FP-F-ISO-H Ду150 Ру16

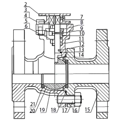
Деталировка крана шарового DN.ru BV3232P(2pc)-FP-F-ISO-H Ду150 Ру16

НаименованиеМатериал
2Переходная втулканержавеющая сталь SS 201 (аналог 12Х15Г9НД)
3Шестигранные винтынержавеющая сталь AISI 304 (аналог 08Х18Н10)
4Гайканержавеющая сталь AISI 304 (аналог 08Х18Н10)
5Болтнержавеющая сталь AISI 304 (аналог 08Х18Н10)
6Гайканержавеющая сталь AISI 304 (аналог 08Х18Н10)
7Шестигранные винтынержавеющая сталь AISI 304 (аналог 08Х18Н10)
8Сальникнержавеющая сталь AISI 304 (аналог 08Х18Н10)
9Пружинная шайбанержавеющая сталь AISI 304 (аналог 08Х18Н10)
10Сальниковая втулканержавеющая сталь AISI 304 (аналог 08Х18Н10)
11УплотнениеPTFE
12Уплотнительное кольцоFKM
13Упорная прокладкаPTFE
14Штокнержавеющая сталь AISI 316 (аналог 08Х17Н14М2)
15Фланцевый элементнержавеющая сталь CF8М/SS 316 (аналог 08Х17Н14М2)
16Гайканержавеющая сталь AISI 304 (аналог 08Х18Н10)
17Болтнержавеющая сталь AISI 304 (аналог 08Х18Н10)
18ПрокладкаPTFE
19Корпуснержавеющая сталь CF8М/SS 316 (аналог 08Х17Н14М2)
20Шарнержавеющая сталь AISI 316 (аналог 08Х17Н14М2)
21СедлоRPTFE
Кран шаровой DN.ru BV3232P(2pc)-FP-F-ISO-H Ду150 Ру16, 24х24, фланцевый, полнопроходной, нержавеющая сталь SS316, уплотнение - PTFE, с пневмоприводом PA-DA-140 и пневмораспределителем 4М310-08 24В NAMUR

Эскиз материалов крана шарового DN.ru BV3232P(2pc)-FP-F-ISO-H Ду150 Ру16

Технические параметры пневмопривода DN.ru PA-DA-140 двойного действия

  • Бренд - DN.ru
  • Тип пневмопривода - двойного действия
  • Номинальное давление - 12 бар
  • Минимальное рабочее давление - 2 бар
  • Максимальное рабочее давление - 8 бар
  • Среда - сжатый воздух
  • Температура рабочей среды минимальная - от -20 °C
  • Температура рабочей среды максимальная - до +80 °C
  • Крутящий момент - 513 Нм
  • Тип ISO-фланца - F10, F12
  • Размер штока - 27х27 мм
  • Угол поворота - 90°
  • Диапазон регулировки - 5°
  • Страна производитель - Китай
  • Максимальный диаметр частиц рабочей среды - ≤30 мкм2
  • Вес - 13 кг

Видео пневмопривода DN.ru PA-DA-140 двойного действия

Деталировка пневмопривода DN.ru PA-DA-140 двойного действия

Наименование деталиМатериал
1Индикаторный винтАБС-пластик
2Индикатор положенияАБС-пластик
3Пружинный зажимнержавеющая сталь 304
4Металлическая шайбанержавеющая сталь 304
5Прижимная шайбаинженерный пластик
6Корпусэкструдированный алюминиевый сплав с твердым анодированием
7Прижимная шайбаинженерный пластик
8Ограничительлегированная сталь
9Уплотнительное кольцо вала верхнееNBR
10Антифрикционное кольцо вала верхнееинженерный пластик
11Валлегированная сталь никелированная
12Антифрикционное кольцо вала нижнееинженерный пластик
13Уплотнительное кольцо вала нижнееNBR
14ЗаглушкаNBR
15Уплотнительное кольцо регулировочных винтовNBR
16Шайба регулировочного винтанержавеющая сталь 304
17Стопорная гайка регулировочного винтанержавеющая сталь 304
18Винт регулировочныйнержавеющая сталь 304
19Поршеньалюминиевый сплав, литой под давлением
20Направляющая накладка поршняинженерный пластик
21Антифрикционное кольцо поршняинженерный пластик
22Уплотнительное кольцо поршняNBR
23Комплект пружинпружинная сталь
24Уплотнительное кольцо крышкиNBR
25Торцевая крышкалитой алюминий с полиэфирным покрытием
26Винт крышкинержавеющая сталь 304
27Стопорный винтнержавеющая сталь 304
28Адаптеруглеродистая сталь
Эскиз деталировки пневмопривода DN.ru PA-DA-140 двойного действия

Эскиз деталировки пневмопривода DN.ru PA-DA-140 двойного действия

Технические параметры пневмораспределителя DN.RU 4M310-08 24VDC NAMUR

  • Модель пневмораспределителя - 4M310-08
  • Тип пневмораспределителя - Золотниковый
  • Схема работы пневмораспределителя - 5/2
  • Материал корпуса - анодированный алюминий
  • Рабочая среда пневмораспределителя - очищенный воздух (тонкость очистки 40 мкм)
  • Рабочее давление пневмопривода - от 1.5 до 8 бар
  • Максимальное давление - 10 бар
  • Напряжение питания - 24В
  • Наличие ручного дублера - есть
  • Степень защиты корпуса IP - 65
  • Взрывозащита - нет
  • Резьба подвода воздуха - G1/4"
  • Резьба атмосферных каналов - 2-PT1/4"
  • Частота срабатывания пневмораспределителя - 5 циклов в секунду
  • Средний ресурс - 10000000 циклов
  • Страна производитель - Россия
  • Бренд - DN.ru
  • Гарантия - 12 мес.
  • Вес - 0.35 кг
Изображение пневмораспределителя DN.RU 4M310-08 24VDC NAMUR

Изображение пневмораспределителя DN.RU 4M310-08 24VDC NAMUR

Деталировка пневмораспределителя DN.RU 4M310-08 24VDC NAMUR

Наименование деталиМатериал
1Разъеминженерный пластик
2ГайкаPOM + углеродистая сталь
3Катушкамедь
4Управляющие элементы-
5Пластинауглеродистая сталь
6ПоршеньPOM
7Седло управляющего клапанаинженерный пластик
8Корпус клапанаалюминиевый сплав
9Золотникалюминиевый сплав
10Уплотнительное кольцо O-образной формыHNBR
11Задняя крышкаинженерный пластик
12Фильтрсинтетический материал
13ПоршеньPOM
14Пружинанержавеющая сталь
15Ручной дублеринженерный пластик
16Заднее седлоалюминиевый сплав
17Седло пружиныалюминиевый сплав
18Буксирная скоба типа C65Mn (аналог 65Г)
Эскиз деталировки пневмораспределителя DN.RU 4M310-08 24VDC NAMUR

Эскиз деталировки пневмораспределителя DN.RU 4M310-08 24VDC NAMUR

Паспорта и сертификаты

Аналоги

График сравнения цен аналогичных кранов для теплоснабжения*. При клике на точку графика получите развернутую информацию.

*Краны подобраны по следующим параметрам: Ду150, Ру16, применение - водоснабжение, теплоснабжение, тип присоединения - Фланцевый, проход шара крана - полнопроходной, класс материала корпуса - нержавеющая сталь, управление - пневмопривод двойного действия, водоразборный - нет, наличие колонки управления - нет, тип устройства крана - двухходовой, конструкция - Разборный 2-х составной

203,000
162,400
121,800
81,200
40,600
0
DN.ru
BV3232P(2pc)-FP-F-ISO-H PA-DA
DN.ru
BV3232P(2pc)-FP-F-ISO-H, PA-DA, APL-210N
DN.ru
BV3232P(2pc)-FP-F-ISO-H, PA-DA, 4М310-08 24В NAMUR, AFC2000
DN.ru
BV3232P(2pc)-FP-F-ISO-H, PA-DA, 4М310-08 220В NAMUR, AFC2000
DN.ru
BV3232P(2pc)-FP-F-ISO-H PA-DA
DN.ru
BV3232P(2pc)-FP-F-ISO-H PA-DA 4M310-08 24В
DN.ru
BV3232P(2pc)-FP-F-ISO-H PA-DA 4M310-08 220В
DN.ru
BV3232P(2pc)-FP-F-ISO-H, PA-DA, APL-210N
DN.ru
BV3232P(2pc)-FP-F-ISO-H, PA-DA, 4М310-08 24В NAMUR, APL-210N
DN.ru
BV3232P(2pc)-FP-F-ISO-H, PA-DA, 4М310-08 220В NAMUR, APL-210N
DN.ru
BV3232P(2pc)-FP-F-ISO-H, PA-DA, 4М310-08 24В NAMUR, AFC2000
DN.ru
BV3232P(2pc)-FP-F-ISO-H, PA-DA, 4М310-08 220В NAMUR, AFC2000
DN.ru
BV3232P(2pc)-FP-F-ISO-H PA-DA 4V320-08 220В
DN.ru
BV3232P(2pc)-FP-F-ISO-H PA-DA 4V320-10 220В
DN.ru
BV3232P(2pc)-FP-F-ISO-H PA-DA 4M310-08 24В
DN.ru
BV3232P(2pc)-FP-F-ISO-H PA-DA 4M310-08 220В
DN.ru
BV3232P(2pc)-FP-F-ISO-H, PA-DA, 4М310-08 24В NAMUR, APL-210N
DN.ru
BV3232P(2pc)-FP-F-ISO-H, PA-DA, APL-410N EX
DN.ru
BV3232P(2pc)-FP-F-ISO-H, PA-DA, 4М310-08 220В NAMUR, APL-210N
DN.ru
BV3232P(2pc)-FP-F-ISO-H PA-DA 4V320-08 220В
DN.ru
BV3232P(2pc)-FP-F-ISO-H PA-DA 4V320-10 220В
DN.ru
BV3232P(2pc)-FP-F-ISO-H, PA-DA, 4М310-08 24В NAMUR, APL-210N, AFC2000
DN.ru
BV3232P(2pc)-FP-F-ISO-H, PA-DA, 4М310-08 220В NAMUR, APL-210N, AFC2000
DN.ru
BV3232P(2pc)-FP-F-ISO-H, PA-DA, APL-410N EX
DN.ru
BV3232P(2pc)-FP-F-ISO-H, PA-DA, 4М310-08 24В NAMUR, APL-410N EX
DN.ru
BV3232P(2pc)-FP-F-ISO-H, PA-DA, 4М310-08 220В NAMUR, APL-410N EX
DN.ru
BV3232P(2pc)-FP-F-ISO-H, PA-DA, 4М310-08 24В NAMUR, APL-210N, AFC2000
DN.ru
BV3232P(2pc)-FP-F-ISO-H, PA-DA, 4М310-08 220В NAMUR, APL-210N, AFC2000
DN.ru
BV3232P(2pc)-FP-F-ISO-H PA-DA 4V320-08 220В APL-210N
DN.ru
BV3232P(2pc)-FP-F-ISO-H, PA-DA, 4М310-08 24В NAMUR, APL-410N EX
DN.ru
BV3232P(2pc)-FP-F-ISO-H, PA-DA, 4М310-08 220В NAMUR, APL-410N EX
DN.ru
BV3232P(2pc)-FP-F-ISO-H PA-DA 4V320-08 220В AFC2000
DN.ru
BV3232P(2pc)-FP-F-ISO-H PA-DA 4V320-10 220В AFC2000
DN.ru
BV3232P(2pc)-FP-F-ISO-H PA-DA APL-510N Ex
DN.ru
BV3232P(2pc)-FP-F-ISO-H, PA-DA, 4М310-08 24В NAMUR, APL-410N EX, AFC2000
DN.ru
BV3232P(2pc)-FP-F-ISO-H, PA-DA, 4М310-08 220В NAMUR, APL-410N EX, AFC2000
DN.ru
BV3232P(2pc)-FP-F-ISO-H PA-DA 4V320-08 220В APL-210N
DN.ru
BV3232P(2pc)-FP-F-ISO-H PA-DA 4V320-10 220В APL-210N
DN.ru
BV3232P(2pc)-FP-F-ISO-H PA-DA 4V320-10 220В APL-210N
DN.ru
BV3232P(2pc)-FP-F-ISO-H PA-DA APL-510N Ex

Доставка

Условия доставки:

Мы осуществляем доставку по Москве, Московской области, и другим регионам Российской Федерации.

Доставка по г.Москва (в пределах МКАД) и МО осуществляется собственным транспортом или курьером.

Доставка в другие регионы осуществляется при помощи транспортных компаний (СДЭК, Деловые линии, Байкал Сервис).

Самовывоз. Вы сможете самостоятельно забрать заказ оформив самовывоз с нашего склада или пункта выдачи заказов.

Быстрый заказ

Вы можете отправить нам запрос на необходимые позиции и наш менеджер свяжется с вами в ближайшее время для формирования заказа

Нажмите, чтобы загрузить файлы или перетащите сюда
Максимальный размер файла - 10 Мб. Типы файлов: jpg, jpeg, png, xls, xlsx, doc, docx, pdf.