Краны шаровые DN.ru BV3232P(2pc)-FP-F-ISO-H WDVF Ду50-200 Ру16/40 полнопроходные, фланцевые, корпус - нержавеющая сталь 316, уплотнение - PTFE, с ISO-фланцем и рукояткой

СТМ многоступенчатые насосы 2
СТМ многоступенчатые насосы 2-mobile
КИПиА Акваконтроль 2
КИПиА Акваконтроль 2-mobile

Кран шаровой применяется в качестве запорной арматуры в системах теплоснабжения, водоснабжения, топливных и пневмосистемах со сжатым воздухом и нейтральными газами. Установка кранов данной серии возможна в системы транспортирующие жидкие и газообразные среды неагрессивные к материалам крана. Использование шаровых кранов в качестве регулирующей арматуры не допускается. Перекрытие рабочего потока происходит посредством запирающего элемента, которым служит шар со сквозным цилиндрическим отверстием. С помощью рукоятки, установленной на корпусе, осуществляется поворот шара вокруг оси. Для полного перекрытия потока достаточно повернуть ее на угол 90 градусов.

Технические характеристики кранов шаровых DN.ru BV3232P(2pc)-FP-F-ISO-H WDVF Ду50-200 Ру16/40:

Номинальный диаметр DN, мм 50-200
Номинальное давление PN, бар DN50 - 40, DN65÷200 - 16
Температура рабочей среды, ⁰C от -20 до +150
Герметичность в затворе «А» по ГОСТ 9544-2015
Рабочая среда вода, нефтепродукты и другие жидкие или газообразные среды, нейтральные к материалам крана
Присоединение к трубопроводу фланцевое
Тип управления ручное (рукоятка)
Дополнение возможна установка электрического или пневмопривода (ISO 5211)
Материал корпуса нержавеющая сталь CF8М/AISI 316 (аналог 08Х17Н14М2)
Материал шара нержавеющая сталь AISI 316 (аналог 08Х17Н14М2)
Материал уплотнения PTFE
Тип крана по проходному сечению полнопроходной
Средний срок службы, лет 10
Средний ресурс, циклов закрытие/открытие DN50÷100 – 100 000, DN125÷200 – 80 000 (при неагрессивной среде и средних значениях давления и температуры)

Краны шаровые DN.ru BV3232P(2pc)-FP-F-ISO-H WDVF Ду50-200 Ру16/40 полнопроходные, фланцевые, корпус - нержавеющая сталь 316, уплотнение - PTFE, с ISO-фланцем и рукояткой

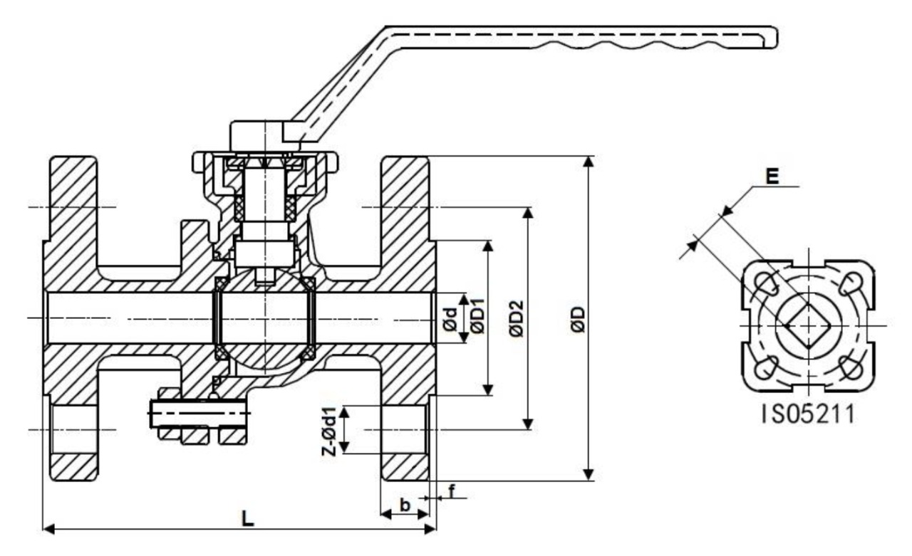
Габариты и размеры кранов шаровых DN.ru BV3232P(2pc)-FP-F-ISO-H WDVF Ду50-200 Ру16/40:

DN Ød, мм L, мм ØD, мм ØD2, мм ØD1, мм b, мм f, мм E (квадрат штока), мм Z-Ød1, шт-мм ISO 5211
50 50 150 165 125 102 18 3 14x14 4-18 F05/F07
65 64 170 185 145 122 18 3 17x17 4-18 F07/F10
80 76 180 200 160 138 20 3 17x17 8-18 F07/F10
100 100 190 220 180 158 20 3 22x22 8-18 F07/F10
125 125 325 250 210 188 22 3 27x27 8-18 F10/F12
200 200 400 340 295 268 24 3 27x27 12-22 F10/F12
Краны шаровые DN.ru BV3232P(2pc)-FP-F-ISO-H WDVF Ду50-200 Ру16/40 полнопроходные, фланцевые, корпус - нержавеющая сталь 316, уплотнение - PTFE, с ISO-фланцем и рукояткой

Эскиз габаритов и размеров кранов шаровых DN.ru BV3232P(2pc)-FP-F-ISO-H WDVF Ду50-200 Ру16/40

Таблица деталей и материалов кранов шаровых DN.ru BV3232P(2pc)-FP-F-ISO-H WDVF Ду50-200 Ру16/40:

Наименование деталей Материал
1 Корпус нержавеющая сталь CF8М/AISI 316 (аналог 08Х17Н14М2)
2 Крышка нержавеющая сталь CF8М/AISI 316 (аналог 08Х17Н14М2)
3 Шар нержавеющая сталь AISI 316 (аналог 08Х17Н14М2)
4 Седло PTFE
5 Прокладка корпуса PTFE
6 Упорная шайба PTFE
7 Набивка PTFE
8 Сальник нержавеющая сталь CF8/AISI 304 (аналог 08Х18Н10)
9 Шток нержавеющая сталь AISI 316 (аналог 08Х17Н14М2)
10 Шпонка нержавеющая сталь AISI 304 (аналог 08Х18Н10)
11 Стопорное кольцо нержавеющая сталь AISI 304 (аналог 08Х18Н10)
12 Гайка нержавеющая сталь AISI 304 (аналог 08Х18Н10)
13 Болт нержавеющая сталь AISI 304 (аналог 08Х18Н10)
14 Рукоятка нержавеющая сталь CF8/AISI 304 (аналог 08Х18Н10)
15 Болт нержавеющая сталь AISI 304 (аналог 08Х18Н10)
Краны шаровые DN.ru BV3232P(2pc)-FP-F-ISO-H WDVF Ду50-200 Ру16/40 полнопроходные, фланцевые, корпус - нержавеющая сталь 316, уплотнение - PTFE, с ISO-фланцем и рукояткой

Эскиз деталей и материалов кранов шаровых DN.ru BV3232P(2pc)-FP-F-ISO-H WDVF Ду50-200 Ру16/40

Что означает этот документ для вас?


Контроль на каждом этапе: Каждое изделие, проходит обязательную проверку на герметичность. Мы не отгружаем продукцию "вслепую".
Прозрачность процессов: Мы открыто показываем, как и на каком оборудовании тестируем нашу продукцию. Вы можете быть уверены в объективности испытаний.
Соответствие стандартам: Мы работаем в строгом соответствии с ГОСТами и собственными техническими условиями, что гарантирует высочайший уровень качества.
Ответственность и отслеживаемость: Каждое изделие имеет уникальный номер партии. Это означает полную прослеживаемость и ответственность за каждую единицу продукции.
Доверие и надежность: Этот акт — не просто бумага, а прямое доказательство того, что наша арматура будет надежно работать в вашей системе, предотвращая утечки и аварии.
Мы ценим ваше доверие и гарантируем качество!

Видео испытаний кранов шаровых DN.ru BV3232P(2pc)-FP-F-ISO-H WDVF Ду50-200 Ру16/40

Быстрый заказ

Вы можете отправить нам запрос на необходимые позиции и наш менеджер свяжется с вами в ближайшее время для формирования заказа

Нажмите, чтобы загрузить файлы или перетащите сюда
Максимальный размер файла - 10 Мб. Типы файлов: jpg, jpeg, png, xls, xlsx, doc, docx, pdf.