Краны шаровые DN.ru BV3232P(2pc)-FP-3WL-F-ISO-H Ду20-80 Ру16 HYMT, трехходовые L-тип, полнопроходные, фланцевые, корпус - нержавеющая сталь SS316, с редуктором HAM RQNx-xZ-x

NY2026 - all categories (2)
NY2026 - all categories (2)-mobile
Aquaflame 2026 (2)
Aquaflame 2026 (2)-mobile
СТМ многоступенчатые насосы 2
СТМ многоступенчатые насосы 2-mobile
КИПиА Акваконтроль 2
КИПиА Акваконтроль 2-mobile

Кран шаровой применяется в качестве запорной арматуры, а также для смешивания и разделения потоков рабочей среды в системах теплоснабжения, водоснабжения, в топливных и пневмосистемах со сжатым воздухом и нейтральными газами. Установка кранов данной серии возможна в системы, транспортирующие жидкие и газообразные среды, неагрессивные к материалам крана. С помощью рукоятки, установленной на корпусе, осуществляется поворот шара вокруг оси. Краны типа L относятся к коммутирующему типу устройств. В кранах, имеющих L-образный профиль проточной части запорного шара, рабочая среда поступает через центральный патрубок. В зависимости от положения рукоятки, т.е. самого шара, рабочий поток будет остановлен или направлен в одну из двух противоположных сторон.

Редуктор DN.ru HAM позволяет вручную устанавливать необходимое позиционирование запорного органа на четверть оборота, выступая в качестве альтернативы пневматическим, электрическим или гидравлическим четвертьоборотным приводам. Подходит для шаровых кранов, поворотных затворов, клапанов с углом поворота 90°, а также для управления воздушными заслонками.

Технические характеристики кранов шаровых DN.ru BV3232P(2pc)-FP-3WL-F-ISO-H Ду20-80 Ру16 HYMT с редуктором HAM RQNx-xZ-x:

Наименование Значение
Номинальное давление PN, бар 16
Температура рабочей среды, ⁰C от -20 до +200
Температура окружающей среды, ⁰C от -20 до +100
Рабочая среда вода, масло, воздух и другие слабо коррозийные среды, нейтральные к материалам крана
Присоединение к трубопроводу фланцевое
Тип проходного сечения полнопроходной
Класс герметичности шарового затвора «А» по ГОСТ 9544-2015
Материал корпуса нержавеющая сталь AISI 316 (аналог 08Х17Н14М2)
Материал шара нержавеющая сталь AISI 316 (аналог 08Х17Н14М2)
Материал уплотнения PTFE
Сферы применения системы отопления и водоснабжения, промышленные трубопроводы
Средний срок службы, лет 10
Краны шаровые DN.ru BV3232P(2pc)-FP-3WL-F-ISO-H Ду20-80 Ру16 HYMT, трехходовые L-тип, полнопроходные, фланцевые, корпус - нержавеющая сталь SS316, с редуктором HAM RQNx-xZ-x

Краны шаровые DN.ru BV3232P(2pc)-FP-3WL-F-ISO-H Ду20-80 Ру16 HYMT, трехходовые L-тип, полнопроходные, фланцевые, корпус - нержавеющая сталь SS316, с редуктором HAM RQNx-xZ-x

Габариты и размеры кранов шаровых DN.ru BV3232P(2pc)-FP-3WL-F-ISO-H Ду20-80 Ру16 HYMT с редуктором HAM RQNx-xZ-x:

Модель L, мм L1, мм ØD2, мм ØD1, мм ØD, мм b, мм f, мм n-Ød, шт-мм
Ду20 160 80 58 75 105 14 2 4-ø14
Ду50 240 120 102 125 165 16 2 4-ø18
Ду80 280 140 138 160 200 20 2 8-ø18
Краны шаровые DN.ru BV3232P(2pc)-FP-3WL-F-ISO-H Ду20-80 Ру16 HYMT, трехходовые L-тип, полнопроходные, фланцевые, корпус - нержавеющая сталь SS316, с редуктором HAM RQNx-xZ-x

Эскиз габаритов и размеров кранов шаровых DN.ru BV3232P(2pc)-FP-3WL-F-ISO-H Ду20-80 Ру16 HYMT с редуктором HAM RQNx-xZ-x

Таблица деталей и материалов кранов шаровых DN.ru BV3232P(2pc)-FP-3WL-F-ISO-H Ду20-80 Ру16 HYMT с редуктором HAM RQNx-xZ-x:

№ п/п Наименование детали Материал
1 Заглушка нержавеющая сталь AISI 316 (аналог 08Х17Н14М2)
2 Гайка сталь A194Gr.8M (аналог 10Х17Н13М2Т)
3 Болт сталь A193 Gr.B8M Cl2 (аналог 12Х18Н10Т)
4 Седло PTFE
5 Шар нержавеющая сталь AISI 316 (аналог 08Х17Н14М2)
6 Крышка нержавеющая сталь AISI 316 (аналог 08Х17Н14М2)
7 Корпус нержавеющая сталь AISI 316 (аналог 08Х17Н14М2)
8 Опорное кольцо нержавеющая сталь AISI 316 (аналог 08Х17Н14М2)
9 Уплотнительное кольцо VITON
10 Резьбовое седло нержавеющая сталь AISI 316 (аналог 08Х17Н14М2)
11 Прокладка PTFE
12 Шток нержавеющая сталь AISI 316 (аналог 08Х17Н14М2)
13 Уплотнение штока PTFE
14 Сальник нержавеющая сталь AISI 316 (аналог 08Х17Н14М2)
Краны шаровые DN.ru BV3232P(2pc)-FP-3WL-F-ISO-H Ду20-80 Ру16 HYMT, трехходовые L-тип, полнопроходные, фланцевые, корпус - нержавеющая сталь SS316, с редуктором HAM RQNx-xZ-x

Эскиз деталей и материалов кранов шаровых DN.ru BV3232P(2pc)-FP-3WL-F-ISO-H Ду20-80 Ру16 HYMT с редуктором HAM RQNx-xZ-x

Технические параметры редуктора HAM RQNx-xZ-x:

Наименование Значение
Температура окружающей среды, ⁰C от –30 до +120
Степень защиты корпуса IP67
Применение для различных отраслей, где требуется управление потоками рабочей среды
Монтаж горизонтальный/вертикальный
Регулировка хода 0 – 90° (с возможностью изменения ±5°)
Стандарт присоединения ISO 5211
Краны шаровые DN.ru BV3232P(2pc)-FP-3WL-F-ISO-H Ду20-80 Ру16 HYMT, трехходовые L-тип, полнопроходные, фланцевые, корпус - нержавеющая сталь SS316, с редуктором HAM RQNx-xZ-x

Редуктор HAM RQNx-xZ-x

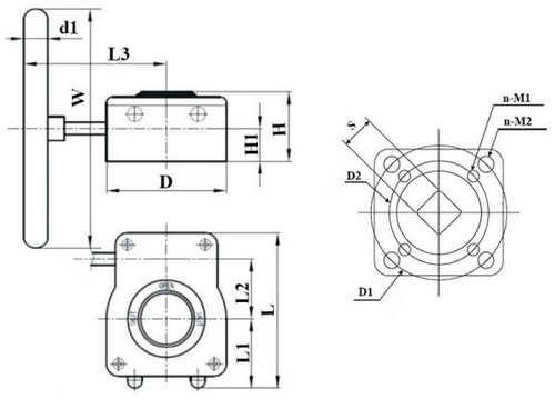
Габариты и размеры редуктора HAM RQNx-xZ-x:

Модель HAM RQN1-180Z-T40
D, мм 80
D1, мм 70
D2, мм 50
n-M1 4-М6х10
n-M2 4-М8х12
S, мм 17х17
L, мм 115
L1, мм 50
L2, мм 42
H, мм 48
H1, мм 19
D1, мм 20
L3, мм 160
W, мм 140
Краны шаровые DN.ru BV3232P(2pc)-FP-3WL-F-ISO-H Ду20-80 Ру16 HYMT, трехходовые L-тип, полнопроходные, фланцевые, корпус - нержавеющая сталь SS316, с редуктором HAM RQNx-xZ-x

Эскиз габаритов и размеров редуктора HAM RQNx-xZ-x

Быстрый заказ

Вы можете отправить нам запрос на необходимые позиции и наш менеджер свяжется с вами в ближайшее время для формирования заказа

Нажмите, чтобы загрузить файлы или перетащите сюда
Максимальный размер файла - 10 Мб. Типы файлов: jpg, jpeg, png, xls, xlsx, doc, docx, pdf.