Затвор дисковый поворотный DN.ru WBV0232E-2W-Fb-ISO-H Ду25/32 Ру16, корпус - алюминиевый сплав, диск - нержавеющая сталь 316L, уплотнение - EPDM, с четвертьоборотным электроприводом DN.ru QT-N-003EM-O1-220VAC-У1 MINI

Артикул: D050-24839   

Модификация

О товаре

Артикул: D050-24839
Бренд: DN.ru
Страна производитель: Россия
Серия бренда: WBV0232E-2W-Fb-ISO-H
Диаметр условный Ду(Dn): 25 мм
Давление условное Ру(Pn): 16 бар
Строительная длина: 36 мм
Температура рабочей среды макс.: 120 °С
Тип присоединения: межфланцевый
Управление: С электроприводом
Напряжение питания: 220В
Датчик обратной связи: нет
Наличие моментной муфты: нет
Степень защиты корпуса IP: 67
Класс материала корпуса: Алюминиевый сплав
Класс материала диска: нержавеющая сталь
Материал уплотнения: EPDM
Все характеристики
на 2026-12-31
19 795,72
Гарантия 12 месяцев
Возможна отсрочка до 90 дней
В избранное
Бесплатная доставка до ТК
Сертифицированный товар
Подходящие шкафы управления

Шкафы управления электроприводом

Для задвижек, затворов и клапанов с электроприводом. Местное и дистанционное управление, защита привода, световая индикация

Характеристики

Затвор дисковый поворотный предназначен для использования в качестве запорной или регулирующей арматуры для управления потоками в системах теплоснабжения, водоснабжения, в технологических процессах пищевой, химической, нефтегазовой, целлюлозно-бумажной и других отраслях промышленности. Принцип работы: Затворы открываются и закрываются путем поворота диска на 90°. Открытие производится поворотом рукоятки или штурвала редуктора против часовой стрелки, закрытие по часовой стрелке.

Технические характеристики затвора дискового поворотного DN.ru WBV0232E-2W-Fb-ISO-H Ду25/32 Ру16

  • Тип затвора - поворотный дисковый
  • Диаметр номинальный DN - 25 мм
  • Давление номинальное PN - 16 бар
  • Класс материала корпуса - Алюминиевый сплав
  • Материал корпуса - Алюминиевый сплав
  • Материал запорного органа - Нержавеющая сталь AISI 316L/03Х17Н14М3
  • Тип покрытия - без покрытия
  • Тип присоединения - межфланцевый
  • Тип управления - электропривод
  • Управление - С электроприводом
  • Тип ISO фланца арматуры - F05
  • Размер вала арматуры (квадрат) - 9х9 мм
  • Крутящий момент на валу арматуры - 25 Нм
  • Уплотнение - EPDM
  • Количество болтовых отверстий на фланце - 2 шт
  • Диаметр болтовых отверстий на фланце - 19 мм
  • Рабочая среда - вода, воздух, нейтральные среды
  • Температура рабочей среды, минимальная  - от -20 °C
  • Температура рабочей среды, максимальная - до 120 °C
  • Рабочее давление максимальное - 16 бар
  • Область применения - водоснабжение, теплоснабжение, Химическая промышленность, Нефтегазовая промышленность, Пищевая промышленность, Целлюлозно-бумажная промышленность
  • Строительная длина - 36 мм
  • Способ монтажа - вертикальный, горизонтальный
  • Наличие концевых выключателей - есть
  • Датчик обратной связи - нет
  • Цвет - Синий
  • Степень защиты корпуса IP - 67
  • Взрывозащита - нет
  • Тепловая защита - есть
  • Тип запорного органа - однодисковый
  • Наличие моментной муфты - нет
  • Модель арматуры - WBV0232E-2W-Fb-ISO-H
  • Серия - WBV0232E-2W-Fb-ISO-H
  • Бренд - DN.ru
  • Страна производитель - Россия
  • Гарантия - 12 мес.
  • Вес - 2.45 кг

Видео затвора дискового поворотного DN.ru WBV0232E-2W-Fb-ISO-H Ду25/32 Ру16

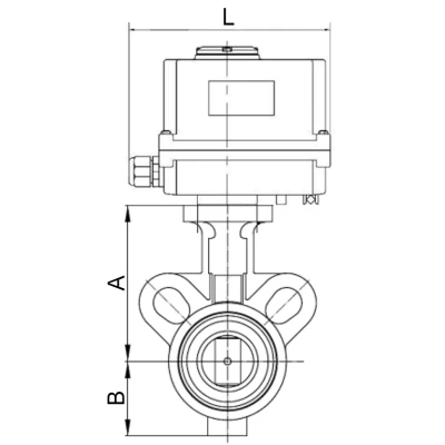
Габаритные и установочные размеры затвора дискового поворотного DN.ru WBV0232E-2W-Fb-ISO-H Ду25/32 Ру16

  • A - 93 мм
  • B - 44.5 мм
  • L - 157 мм
Затвор дисковый поворотный DN.ru WBV0232E-2W-Fb-ISO-H Ду25/32 Ру16, корпус - алюминиевый сплав, диск - нержавеющая сталь 316L, уплотнение - EPDM, с четвертьоборотным электроприводом DN.ru QT-N-003EM-O1-220VAC-У1 MINI

Эскиз габаритов затвора дискового поворотного DN.ru WBV0232E-2W-Fb-ISO-H Ду25/32 Ру16

Деталировка затвора дискового поворотного DN.ru WBV0232E-2W-Fb-ISO-H Ду25/32 Ру16

НаименованиеМатериал
1Корпусалюминиевый сплав
2Седловое уплотнениеEPDM
3Штифтнержавеющая сталь AISI 304 (аналог 08Х18Н10)
4Дискнержавеющая сталь AISI 316L (аналог 03Х17Н14М3)
5Штокнержавеющая сталь SS 410 (аналог 12Х13)
6Уплотнительное кольцоEPDM
7Пластинасталь 45
10Прокладканержавеющая сталь SS 201 (аналог 12Х15Г9НД)
11Гайканержавеющая сталь SS 201 (аналог 12Х15Г9НД)
12Прокладканержавеющая сталь SS 201 (аналог 12Х15Г9НД)
Затвор дисковый поворотный DN.ru WBV0232E-2W-Fb-ISO-H Ду25/32 Ру16, корпус - алюминиевый сплав, диск - нержавеющая сталь 316L, уплотнение - EPDM, с четвертьоборотным электроприводом DN.ru QT-N-003EM-O1-220VAC-У1 MINI

Эскиз материалов затвора дискового поворотного DN.ru WBV0232E-2W-Fb-ISO-H Ду25/32 Ру16

Технические характеристики электропривода DN.ru QT-N-003EM-O1-220VAC-У1 MINI

  • Модель привода - QT-N-003EM-O1-220VAC-У1 MINI
  • Тип электропривода - четвертьоборотный
  • Угол поворота - 90°
  • Наличие ручного дублера - Шестигранник
  • Материал корпуса - поликарбонат
  • Напряжение питания - 220В
  • Кабельный ввод - 1 шт., М18
  • Крутящий момент электропривода - 30 Нм
  • Тип ISO фланца - F03/F05
  • Время цикла (поворот на 90°) - 5-15 сек
  • Мощность электродвигателя - 20 Вт
  • Максимальный диаметр штока арматуры - 11X11
  • Номинальный потребляемый ток - 0.2 А
  • Концевые выключатели - 2-Открыто/Закрыто 250В 10А
  • Дополнительные концевые выключатели - 2-Открыто/Закрыто 250В 10А
  • Самоблокирующееся устройство - Самоблокирующееся червяком и червячной передачей
  • Защита от перегрева - Встроенная тепловая защита
  • Рабочая температура электродвигателя - открытие при +120°С / закрытие при +97°С
  • Температура окружающей среды - от -20 до +70°C
  • Класс защиты корпуса - IP67
  • Взрывозащита корпуса - нет
  • Бренд - DN.ru
  • Страна производитель - Китай
  • Вес - 1,4 кг
Изображение электропривода DN.ru QT-N-003EM-O1-220VAC-У1 MINI

Изображение электропривода DN.ru QT-N-003EM-O1-220VAC-У1 MINI

Аналоги

График сравнения цен аналогичных затворов*. При клике на точку графика получите развернутую информацию.

*Затворы подобраны по следующим параметрам: Ду25, Ру16, тип присоединения - межфланцевый, класс материала корпуса - Алюминиевый сплав, класс материала запорного органа - нержавеющая сталь, уплотнение - EPDM , управление - С электроприводом, наличие концевых выключателей - есть

84,000
67,200
50,400
33,600
16,800
0
DN.ru
WBV0232E-2W-Fb QT-N-EM-O1-220VAC-У1
DN.ru
WBV0232E-2W-Fb QT-N-EM-O1-220VAC-У1
DN.ru
WBV0232E-2W-Fb QT-N-EM-O1-24VDC-У1
DN.ru
WBV0232E-2W-Fb QT-N-003EM-O1-12VDC-У1
DN.ru
WBV0232E-2W-Fb-H QT-N-EM-O1-220VAC-У1 HARK
DN.ru
WBV0232E-2W-Fb QT-N-EM-O1-220VAC-У1
DN.ru
WBV0232E-2W-Fb-H с QT-N-хEM-A1 220В
DN.ru
WBV0232E-2W-Fb QT-N-EM-O1-220VAC-У1
DN.ru
WBV0232E-2W-Fb-H QT-N-EM-O1-380VAC-У1 HARK
DN.ru
WBV0232E-2W-Fb QT-N-EM-O1-380VAC-У1
DN.ru
WBV0232E-2W-Fb-H QT-N-003EM-O1-24VDC-У1 HARK
DN.ru
WBV0232E-2W-Fb QT-N-EM-O1-24VDC-У1
DN.ru
WBV0232E-2W-Fb-H с ГЗ-ОФ-220В
DN.ru
WBV0232E-2W-Fb-H с ГЗ-ОФ-380В
DN.ru
WBV0232E-2W-Fb QT-N-M-O2-380VAC-У1
DN.ru
WBV0232E-2W-Fb QT-N-M-O2-220VAC-У1
DN.ru
WBV0232E-2W-Fb-H с ГЗ-ОФ-24В
DN.ru
WBV0232E-2W-Fb-H QT-N-EM-A1-220VAC-У1 HARK
DN.ru
WBV0232E-2W-Fb-H QT-N-EM-B1-220VAC-У1 HARK
DN.ru
WBV0232E-2W-Fb-H с QT-N-хEM-B1 220В
DN.ru
WBV0232E-2W-Fb-H с ГЗ-ОФВ-220В
DN.ru
WBV0232E-2W-Fb-H с ГЗ-ОФВ-380В
DN.ru
WBV0232E-2W-Fb-H с ГЗ-ОФВ-24В
DN.ru
WBV0232E-2W-Fb QT-EX-M-O2-380VAC-У1
DN.ru
WBV0232E-2W-Fb QT-EX-M-O2-220VAC-У1

Доставка

Условия доставки:

Мы осуществляем доставку по Москве, Московской области, и другим регионам Российской Федерации.

Доставка по г.Москва (в пределах МКАД) и МО осуществляется собственным транспортом или курьером.

Доставка в другие регионы осуществляется при помощи транспортных компаний (СДЭК, Деловые линии, Байкал Сервис).

Самовывоз. Вы сможете самостоятельно забрать заказ, оформив самовывоз с нашего склада или пункта выдачи заказов.

Быстрый заказ

Вы можете отправить нам запрос на необходимые позиции и наш менеджер свяжется с вами в ближайшее время для формирования заказа

Нажмите, чтобы загрузить файлы или перетащите сюда
Максимальный размер файла - 10 Мб. Типы файлов: jpg, jpeg, png, xls, xlsx, doc, docx, pdf.