Затворы дисковые поворотные DN.ru WBV3432E-2W-Fb-H Ду200-250 Ру16, корпус - углеродистая сталь WCB, диск - нержавеющая сталь 316L, уплотнение - EPDM, с электроприводом QT-N-EM-O1-24VDC-У1 24В HARK

Aquaflame 2026 (2)
Aquaflame 2026 (2)-mobile
СТМ многоступенчатые насосы 2
СТМ многоступенчатые насосы 2-mobile
КИПиА Акваконтроль 2
КИПиА Акваконтроль 2-mobile

Затвор дисковый поворотный предназначен для использования в качестве запорной или регулирующей арматуры для управления потоками в системах теплоснабжения, водоснабжения, в технологических процессах пищевой, химической, нефтегазовой, целлюлозно-бумажной и других отраслях промышленности. Затворы открываются и закрываются путем поворота диска на 90°. Открытие производится поворотом рукоятки против часовой стрелки, закрытие - по часовой стрелке.

Электроприводы четвертьоборотные предназначены для дистанционного и местного управления запорной трубопроводной арматурой, имеющей четвертьоборотный запорный орган. Применяются в различных отраслях народного хозяйства: в газовой, нефтяной, металлургической, пищевой промышленности, в жилищно-коммунальном хозяйстве и т.д.

Технические характеристики затворов дисковых поворотных DN.ru WBV3432E-2W-Fb-H Ду200-250 Ру16 с электроприводом QT-N-EM-O1-24VDC-У1 24В HARK:

Наименование Значение
Номинальное давление PN, бар 16
Направление потока двустороннее
Температура рабочей среды, ⁰C от -20 до +120
Температура окружающей среды, ⁰C от -40 до +120
Рабочая среда холодная и горячая вода, воздух без примесей масла и жира, иные среды нейтральные к материалу
Присоединение к трубопроводу межфланцевое
Средний ресурс, циклов открытия/закрытия 10 000
Средний срок службы, лет 10
Затворы дисковые поворотные DN.ru WBV3432E-2W-Fb-H Ду200-250 Ру16, корпус - углеродистая сталь WCB, диск - нержавеющая сталь 316L, уплотнение - EPDM, с электроприводом QT-N-EM-O1-24VDC-У1 24В HARK

Затворы дисковые поворотные DN.ru WBV3432E-2W-Fb-H Ду200-250 Ру16, корпус - углеродистая сталь WCB, диск - нержавеющая сталь 316L, уплотнение - EPDM, с электроприводом QT-N-EM-O1-24VDC-У1 24В HARK

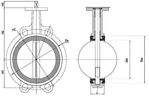
Габариты и размеры затворов дисковых поворотных DN.ru WBV3432E-2W-Fb-H Ду200-250 Ру16 с электроприводом QT-N-EM-O1-24VDC-У1 24В HARK:

Модель DN, мм H1, мм H2, мм H3, мм ØDм, мм ØDк, мм L, мм ØC, мм
Ду200 200 171 236 35 234 255 60 295
Ду250 250 197 276 35 288 315 68 355
Затворы дисковые поворотные DN.ru WBV3432E-2W-Fb-H Ду200-250 Ру16, корпус - углеродистая сталь WCB, диск - нержавеющая сталь 316L, уплотнение - EPDM, с электроприводом QT-N-EM-O1-24VDC-У1 24В HARK

Эскиз габаритов и размеров затворов дисковых поворотных DN.ru WBV3432E-2W-Fb-H Ду200-250 Ру16 с электроприводом QT-N-EM-O1-24VDC-У1 24В HARK

Таблица деталей и материалов затворов дисковых поворотных DN.ru WBV3432E-2W-Fb-H Ду200-250 Ру16 с электроприводом QT-N-EM-O1-24VDC-У1 24В HARK:

Наименование Материал
1 Корпус сталь WCB (аналог 25Л)
2 Манжета EPDM
3 Диск нержавеющая сталь AISI 316L (аналог 03Х17Н14М3)
4 Шток нержавеющая сталь SS 416/2Cr13 (аналог ст.20Х13)
5 Шпилька нержавеющая сталь AISI 316L (аналог 03Х17Н14М3)
6 Втулка EPDM
7 Уплотнительное кольцо EPDM
8 Пластина фиксирующая углеродистая сталь
Затворы дисковые поворотные DN.ru WBV3432E-2W-Fb-H Ду200-250 Ру16, корпус - углеродистая сталь WCB, диск - нержавеющая сталь 316L, уплотнение - EPDM, с электроприводом QT-N-EM-O1-24VDC-У1 24В HARK

Эскиз деталей и материалов затворов дисковых поворотных DN.ru WBV3432E-2W-Fb-H Ду200-250 Ру16 с электроприводом QT-N-EM-O1-24VDC-У1 24В HARK

Технические параметры электропривода QT-N-EM-O1-24VDC-У1 HARK:

Наименование Значение
Тип электропривода четвертьоборотный
Тип двигателя асинхронный
Угол поворота, ° 90±5
Материал корпуса алюминиевый сплав, с эпоксидным порошковым покрытием
Материал вала легированная сталь
Кабельный ввод гермоввод 2xM18
Тип присоединения ISO 5211
Самоблокирующееся устройство самоблокирующееся червяком и червячной передачей
Автоматическое отключение в положениях «открыто», «закрыто» и в
случаях заклинивания
2 концевых выключателя + 2 дополнительных выключателя (сухой контакт)
Класс изоляции F по ГОСТ IEC 60034-2-1-2017
Механическое ограничение поворота выходного вала 2 внешних регулируемых стопора
Класс защиты корпуса, IP 67
Уровень шума, дБ ≤ 50
Температура окружающей среды, °С от -20 до +70
Влажность окружающей среды ≤95% (25°С)
Взрывозащита корпуса нет
Затворы дисковые поворотные DN.ru WBV3432E-2W-Fb-H Ду200-250 Ру16, корпус - углеродистая сталь WCB, диск - нержавеющая сталь 316L, уплотнение - EPDM, с электроприводом QT-N-EM-O1-24VDC-У1 24В HARK

Электропривод QT-N-EM-O1-24VDC-У1 HARK

Габариты и размеры электропривода QT-N-EM-O1-24VDC-У1 HARK:

Модель L, мм H, мм A, мм B, мм C, мм D, мм
QT-N-005EM-O1-24VDC-У1 HARK - - 161 120.5 122 -
QT-N-008EM-O1-24VDC-У1 HARK - - 161 120.5 122 -
QT-N-015EM-O1-24VDC-У1 HARK - - 81 107 165 127
QT-N-040EM-O1-24VDC-У1 HARK 241.8 157.5 119 118 112.3 26
Затворы дисковые поворотные DN.ru WBV3432E-2W-Fb-H Ду200-250 Ру16, корпус - углеродистая сталь WCB, диск - нержавеющая сталь 316L, уплотнение - EPDM, с электроприводом QT-N-EM-O1-24VDC-У1 24В HARK

Эскиз габаритов и размеров электропривода QT-N-EM-O1-24VDC-У1 HARK

Быстрый заказ

Вы можете отправить нам запрос на необходимые позиции и наш менеджер свяжется с вами в ближайшее время для формирования заказа

Нажмите, чтобы загрузить файлы или перетащите сюда
Максимальный размер файла - 10 Мб. Типы файлов: jpg, jpeg, png, xls, xlsx, doc, docx, pdf.