Затворы дисковые поворотные с тройным эксцентриситетом DN.ru WBV3EX-3431M-1W-F-ISO Ду50-350 Ру25 фланцевые, корпус - углеродистая сталь WCB, уплотнение - METAL, с электроприводом четвертьоборотным DN.ru QT-EX-M-O2-380VAC-У1
Затвор дисковый поворотный DN.ru WBV3EX-3431M-1W-F-ISO предназначен для использования в качестве запорной или регулирующей арматуры для управления потоками в системах теплоснабжения, водоснабжения, в технологических процессах пищевой, химической, нефтегазовой, целлюлозно-бумажной и других отраслях промышленности. Затворы открываются и закрываются путем поворота диска на 90°. Открытие производится поворотом рукоятки против часовой стрелки, закрытие - по часовой стрелке. Электроприводы четвертьоборотные DN.ru QT-EX-M-O2-380VAC-У1 предназначены для дистанционного и местного управления вращением запорного органа на 90° таких типов как кран шаровой и т.п. Они широко применяются в различных отраслях народного хозяйства: в газовой, нефтяной, металлургической, пищевой промышленности, в жилищно-коммунальном хозяйстве и т.д. |
||||||||||||||||||||||||||||||||||||||||||||||||||||||||
Технические параметры затворов дисковых поворотных с тройным эксцентриситетом DN.ru WBV3EX-3431M-1W-F-ISO c электроприводом QT-EX-M-O2-380VAC-У1:
|
Затворы дисковые поворотные с тройным эксцентриситетом DN.ru WBV3EX-3431M-1W-F-ISO Ду50-350 Ру25 фланцевые, корпус - углеродистая сталь WCB, уплотнение - METAL, с электроприводом четвертьоборотным DN.ru QT-EX-M-O2-380VAC-У1 |
|||||||||||||||||||||||||||||||||||||||||||||||||||||||
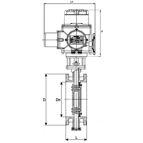
Габариты и размеры затворов дисковых поворотных с тройным эксцентриситетом DN.ru WBV3EX-3431M-1W-F-ISO c элетроприводом QT-EX-M-O2-380VAC-У1:
|
Эскиз затворов дисковых поворотных с тройным эксцентриситетом DN.ru WBV3EX-3431M-1W-F-ISO c элетроприводом QT-EX-M-O2-380VAC-У1 |
|||||||||||||||||||||||||||||||||||||||||||||||||||||||
Таблица деталей и материалов затворов дисковых поворотных с тройным эксцентриситетом DN.ru WBV3EX-3431M-1W-F-ISO:
|
Эскиз деталей и материалов затворов дисковых поворотных с тройным эксцентриситетом DN.ru WBV3EX-3431M-1W-F-ISO |
|||||||||||||||||||||||||||||||||||||||||||||||||||||||
Технические параметры электропривода DN.ru QT-EX-M-O2-380VAC-У1:
|
Схема подключения электропривода DN.ru QT-EX-M-O2-380VAC-У1 |
|||||||||||||||||||||||||||||||||||||||||||||||||||||||
Быстрый заказ
Вы можете отправить нам запрос на необходимые позиции и наш менеджер свяжется с вами в ближайшее время для формирования заказа
.jpg)
.jpg)

