Затвор дисковый поворотный DN.ru WBV4242E-2W-Fb-ISO Дн200 Ру10 межфланцевый, корпус - НПВХ, диск - НПВХ, уплотнение - EPDM, с электроприводом DN.ru QT-N-008EM-O1-24VDC-У1 24В HARK

Артикул: D050-94382   

Модификация

О товаре

Артикул: D050-94382
Бренд: DN.ru
Страна производитель: Россия
Серия бренда: WBV4242E-2W-Fb-ISO
Диаметр условный Ду(Dn): 200 мм
Давление условное Ру(Pn): 10 бар
Строительная длина: 89 мм
Температура рабочей среды макс.: 45 °С
Тип присоединения: межфланцевый
Управление: С электроприводом
Напряжение питания: 24В
Датчик обратной связи: нет
Наличие моментной муфты: нет
Класс материала корпуса: НПВХ
Класс материала диска: НПВХ
Материал уплотнения: EPDM
Все характеристики
на 2026-12-31
43 483,24
Гарантия 12 месяцев
Возможна отсрочка до 90 дней
В избранное
Бесплатная доставка до ТК
Сертифицированный товар

Характеристики

Затвор дисковый поворотный предназначен для использования в качестве запорной или регулирующей арматуры для управления потоками в системах водоснабжения и других отраслях промышленности. Затворы открываются и закрываются путем поворота диска на 90°. Открытие производится поворотом рукоятки против часовой стрелки, закрытие по часовой стрелке. Электроприводы четвертьоборотные предназначены для дистанционного и местного управления запорной трубопроводной арматурой, имеющей четвертьоборотный запорный орган. Применяются в различных отраслях народного хозяйства: в газовой, нефтяной, металлургической, пищевой промышленности, в жилищно-оммунальном хозяйстве и т.д.

Технические характеристики затвора дискового поворотного DN.ru WBV4242E-2W-Fb-ISO Дн200 Ру10

  • Тип затвора - поворотный дисковый
  • Диаметр номинальный DN - 200 мм
  • Диаметр в дюймах - 8″
  • Давление номинальное PN - 10 бар
  • Класс материала корпуса - НПВХ
  • Материал корпуса - НПВХ
  • Материал запорного органа - НПВХ
  • Тип присоединения - межфланцевый
  • Тип управления - электропривод
  • Управление - С электроприводом
  • Тип ISO фланца арматуры - F07, F10
  • Размер вала арматуры (квадрат) - 17х17 мм
  • Крутящий момент на валу арматуры - 52 Нм
  • Уплотнение - EPDM
  • Количество болтовых отверстий на фланце - 4 шт
  • Рабочая среда - вода, воздух
  • Температура рабочей среды, минимальная  - от 0 °C
  • Температура рабочей среды, максимальная - до 45 °C
  • Температура окружающей среды, минимальная - от 0 °C
  • Температура окружающей среды, максимальная - до 40 °C
  • Область применения - водоснабжение
  • Строительная длина - 89 мм
  • Наличие концевых выключателей - есть
  • Датчик обратной связи - нет
  • Класс герметичности - A
  • Цвет - черный
  • Взрывозащита - нет
  • Тип запорного органа - дисковый
  • Наличие моментной муфты - нет
  • Наличие блока подготовки воздуха - нет
  • Кабельный ввод - гермоввод 2xM18
  • Модель арматуры - WBV4242E-2W-Fb-ISO
  • Серия - WBV4242E-2W-Fb-ISO
  • Бренд - DN.ru
  • Страна производитель - Россия
  • Гарантия - 12 мес.
  • Вес - 9.5 кг
Затвор дисковый поворотный DN.ru WBV4242E-2W-Fb-ISO Дн200 Ру10 межфланцевый, корпус - НПВХ, диск - НПВХ, уплотнение - EPDM, с электроприводом DN.ru QT-N-008EM-O1-24VDC-У1 24В HARK

Изображение затвора дискового поворотного DN.ru WBV4242E-2W-Fb-ISO Дн200 Ру10

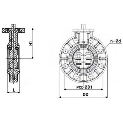
Габаритные и установочные размеры затвора дискового поворотного DN.ru WBV4242E-2W-Fb-ISO Дн200 Ру10

  • D - 340 мм
  • D1 - 291.5 мм
  • H1 - 231 мм
  • L - 89 мм
  • n–Ød - 8–Ø23*28.5
Затвор дисковый поворотный DN.ru WBV4242E-2W-Fb-ISO Дн200 Ру10 межфланцевый, корпус - НПВХ, диск - НПВХ, уплотнение - EPDM, с электроприводом DN.ru QT-N-008EM-O1-24VDC-У1 24В HARK

Эскиз габаритов затвора дискового поворотного DN.ru WBV4242E-2W-Fb-ISO Дн200 Ру10

Деталировка затвора дискового поворотного DN.ru WBV4242E-2W-Fb-ISO Дн200 Ру10

НаименованиеМатериал
1КорпусUPVC (НПВХ - непластифицированный поливинилхлорид)
2ДискUPVC (НПВХ - непластифицированный поливинилхлорид)
3Седловое уплотнениеEPDM
4Штоксталь 45
5Уплотнение штокаEPDM
Затвор дисковый поворотный DN.ru WBV4242E-2W-Fb-ISO Дн200 Ру10 межфланцевый, корпус - НПВХ, диск - НПВХ, уплотнение - EPDM, с электроприводом DN.ru QT-N-008EM-O1-24VDC-У1 24В HARK

Эскиз материалов затвора дискового поворотного DN.ru WBV4242E-2W-Fb-ISO Дн200 Ру10

Технические характеристики электропривода DN.ru QT-N-008EM-О1-24VDC-У1 HARK

  • Модель привода - QT-N-008EM-О1-24VDC-У1 HARK
  • Тип электропривода - четвертьоборотный
  • Тип двигателя - асинхронный
  • Угол поворота - 90°
  • Наличие ручного дублера - Шестигранник
  • Материал корпуса - алюминиевый сплав с эпоксидным порошковым покрытием
  • Материал вала - легированная сталь
  • Напряжение питания - 24В
  • Кабельный ввод - гермоввод 2xM18
  • Крутящий момент электропривода - 80 Нм
  • Тип ISO фланца - F05, F07
  • Время цикла (поворот на 90°) - 13 сек
  • Мощность электродвигателя - 12 Вт
  • Макс.размер вала арматуры - 17X17
  • Номинальный потребляемый ток - 3,5 А
  • Автоматическое отключение в положениях "открыто", "закрыто" и в случаях заклинивания - 2 концевых выключателя + 2 дополнительных выключателя (сухой контакт)
  • Температура окружающей среды - от -20 до +70°C
  • Класс защиты корпуса - IP67
  • Взрывозащита корпуса - нет
  • Бренд - DN.ru
  • Страна производитель - Китай
  • Вес - 3,6 кг
Изображение электропривода DN.ru QT-N-008EM-О1-24VDC-У1 HARK

Изображение электропривода DN.ru QT-N-008EM-О1-24VDC-У1 HARK

Деталировка электропривода DN.ru QT-N-008EM-О1-24VDC-У1 HARK

Наименование детали
1Индикатор положения
2Верхняя крышка
3Плата управления
4Конденсатор
5Нажимные кулачки
6Выходной вал с червячным колесом
7Корпус
8Ограничители хода выходного вала
9Червячный вал
10Электродвигатель
11Редуктор
12Крышка редуктора
Эскиз деталировки электропривода DN.ru QT-N-008EM-О1-24VDC-У1 HARK

Эскиз деталировки электропривода DN.ru QT-N-008EM-О1-24VDC-У1 HARK

Аналоги

График сравнения цен аналогичных затворов*. При клике на точку графика получите развернутую информацию.

*Затворы подобраны по следующим параметрам: Ду200, Ру10, тип присоединения - межфланцевый, класс материала корпуса - НПВХ, класс материала запорного органа - НПВХ, уплотнение - EPDM , управление - С электроприводом, наличие концевых выключателей - есть

111,000
88,800
66,600
44,400
22,200
0
DN.ru
WBV4242E-2W-Fb-ISO QT-N-EM-O1-380VAC-У1 HARK
DN.ru
WBV4242E-2W-Fb-ISO QT-N-EM-O1-220VAC-У1 HARK
DN.ru
WBV4242E-2W-Fb-ISO QT-N-EM-O1-24VDC-У1 HARK
DN.ru
WBV4242E-2W-Fb-ISO QT-N-EM-O1-220VAC-У1
DN.ru
WBV4242E-2W-Fb-ISO QT-N-EM-O1-24VDC-У1
DN.ru
WBV4242E-2W-Fb-ISO QT-N-M-O2-380VAC-У1
DN.ru
WBV4242E-2W-Fb-ISO QT-N-M-O2-220VAC-У1
DN.ru
WBV4242E-2W-Fb-ISO QT-N-EM-A1-220VAC-У1 HARK
DN.ru
WBV4242E-2W-Fb-ISO QT-EX-M-O2-220VAC-У1
DN.ru
WBV4242E-2W-Fb-ISO QT-EX-M-O2-380VAC-У1

Доставка

Условия доставки:

Мы осуществляем доставку по Москве, Московской области, и другим регионам Российской Федерации.

Доставка по г.Москва (в пределах МКАД) и МО осуществляется собственным транспортом или курьером.

Доставка в другие регионы осуществляется при помощи транспортных компаний (СДЭК, Деловые линии, Байкал Сервис).

Самовывоз. Вы сможете самостоятельно забрать заказ, оформив самовывоз с нашего склада или пункта выдачи заказов.

Быстрый заказ

Вы можете отправить нам запрос на необходимые позиции и наш менеджер свяжется с вами в ближайшее время для формирования заказа

Нажмите, чтобы загрузить файлы или перетащите сюда
Максимальный размер файла - 10 Мб. Типы файлов: jpg, jpeg, png, xls, xlsx, doc, docx, pdf.