Затвор дисковый поворотный для абразивных сред DN.ru WBV1632E-2W-Fb-H Ду150 Ру16 межфланцевый, корпус - чугун QT450, диск - нержавеющая сталь 316L, уплотнение - EPDM, с электроприводом DN.ru QTSA-N-014EM-O0-220VAC с пружинным возвратом

Артикул: D050-87708   

Модификация

О товаре

Артикул: D050-87708
Бренд: DN.ru
Страна производитель: Россия
Серия бренда: WBV1632E-2W-Fb-H
Диаметр условный Ду(Dn): 150 мм
Давление условное Ру(Pn): 16 бар
Строительная длина: 56 мм
Температура рабочей среды макс.: 110 °С
Тип присоединения: межфланцевый
Управление: С электроприводом
Напряжение питания: 220В
Датчик обратной связи: нет
Наличие моментной муфты: нет
Степень защиты корпуса IP: 67
Класс материала корпуса: чугун
Класс материала диска: нержавеющая сталь
Материал уплотнения: EPDM
Все характеристики
на 2026-12-31
659 009,23
Гарантия 12 месяцев
Возможна отсрочка до 90 дней
В избранное
Бесплатная доставка до ТК
Сертифицированный товар
Подходящие шкафы управления

Шкафы управления электроприводом

Для задвижек, затворов и клапанов с электроприводом. Местное и дистанционное управление, защита привода, световая индикация

Характеристики

Затвор дисковый поворотный предназначен для использования в качестве запорной или регулирующей арматуры для управления потоками в системах теплоснабжения, водоснабжения, в технологических процессах пищевой, химической, нефтегазовой, целлюлозно-бумажной и других отраслях промышленности.
Электропривод с пружинным возвратом предназначен для безопасного управления клапанами или заслонками при потере напряжения питания. Применяются в различных отраслях.

Технические характеристики затвора дискового поворотного DN.ru WBV1632E-2W-Fb-H Ду150 Ру16:

  • Тип затвора - поворотный дисковый
  • Модель арматуры - WBV1632E-2W-Fb-H
  • Диаметр - 150 мм
  • Давление номинальное - 16 бар
  • Среда - вода, пар, агрессивная среда, абразивная среда
  • Температура рабочей среды - от -20 до +110°C
  • Применение - водоснабжение, теплоснабжение, Химическая промышленность, Нефтегазовая промышленность, Пищевая промышленность, Целлюлозно-бумажная промышленность
  • Цвет затвора - Синий
  • Тип присоединения - межфланцевый
  • Управление - С электроприводом
  • Класс герметичности - A
  • Крутящий момент - 102 Нм
  • Тип ISO-фланца арматуры - F07
  • Квадрат штока - 14х14 мм
  • Срок службы - 10 лет
  • Гарантия - 12 мес.
  • Страна производитель - Россия
  • Вес арматуры - 6.8 кг
  • Общий вес - 24.8 кг
Затвор дисковый поворотный для абразивных сред DN.ru WBV1632E-2W-Fb-H Ду150 Ру16 межфланцевый, корпус - чугун QT450, диск - нержавеющая сталь 316L, уплотнение - EPDM, с электроприводом DN.ru QTSA-N-014EM-O0-220VAC с пружинным возвратом

Затвор дисковый поворотный для абразивных сред DN.ru WBV1632E-2W-Fb-H Ду150 Ру16 межфланцевый, корпус - чугун QT450, диск - нержавеющая сталь 316L, уплотнение - EPDM, с электроприводом DN.ru QTSA-N-014EM-O0-220VAC с пружинным возвратом

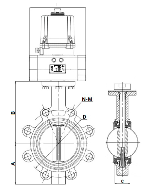
Габаритные и установочные размеры затвора дискового поворотного DN.ru WBV1632E-2W-Fb-H Ду150 Ру16 с электроприводом DN.ru QTSA-N-014EM-O0-220VAC:

  • A - 132 мм
  • B - 206 мм
  • C - 56 мм
  • D - 240 мм
  • L - 377 мм
  • M - 25 мм
  • N - 4 мм
Затвор дисковый поворотный для абразивных сред DN.ru WBV1632E-2W-Fb-H Ду150 Ру16 межфланцевый, корпус - чугун QT450, диск - нержавеющая сталь 316L, уплотнение - EPDM, с электроприводом DN.ru QTSA-N-014EM-O0-220VAC с пружинным возвратом

Эскиз габаритов затвора дискового поворотного DN.ru WBV1632E-2W-Fb-H Ду150 Ру16 с электроприводом DN.ru QTSA-N-014EM-O0-220VAC

Материалы деталей затвора дискового поворотного DN.ru WBV1632E-2W-Fb-H Ду150 Ру16:

Наименование детали Материал
1 Корпус чугун QT450 (аналог ВЧ 45)
2 Диск нержавеющая сталь AISI 316L (аналог 03Х17Н14М3)
3 Седловое уплотнение EPDM + износостойкий материал (siliclone+graphite)
4 Шток нержавеющая сталь 2Cr13 (аналог ст.20Х13)
Затвор дисковый поворотный для абразивных сред DN.ru WBV1632E-2W-Fb-H Ду150 Ру16 межфланцевый, корпус - чугун QT450, диск - нержавеющая сталь 316L, уплотнение - EPDM, с электроприводом DN.ru QTSA-N-014EM-O0-220VAC с пружинным возвратом

Эскиз материалов затвора дискового поворотного DN.ru WBV1632E-2W-Fb-H Ду150 Ру16

Технические характеристики четвертьоборотного электропривода DN.ru QTSA-N-014EM-O0-220VAC:

  • Модель привода - QTSA-N-014EM-O0-220VAC
  • Наличие ручного дублера - нет
  • Тип электропривода - Четвертьоборотный
  • Напряжение питания - 220В
  • Степень защиты корпуса - IP67
  • Взрывозащита - нет
  • Ток электродвигателя - 2.2 А
  • Крутящий момент - 140 Нм
  • Тип ISO-фланца привода - F10
  • Квадрат штока - 22х22 мм
  • Вес привода - 18 кг
  • Страна производитель привода - Китай
Четвертьоборотный электропривод DN.ru QTSA-N-014EM-O0-220VAC

Четвертьоборотный электропривод DN.ru QTSA-N-014EM-O0-220VAC

Конструкция четвертьоборотного электропривода DN.ru QTSA-N-014EM-O0-220VAC:

№ п/п Детали Материал
1 Верхняя крышка алюминиевый слав ADC12
2 Корпус алюминиевый слав AL104
3 Боковая крышка алюминиевый слав ADC12
4 Кабельный ввод нейлон
5 Возвратные пружины пружинная сталь
6 Поршень алюминиевый слав ADC12
7 Разделительный блок углеродистая сталь 45
8 Механизм привода легированная сталь 40Cr
9 Смотровое окно закаленное стекло
10 Кабельный ввод огнестойкий нейлон
11 Обогреватель керамика
12 Электродвигатель интегрированный набор
13 Регулировочный кулачок алюминиевый слав ADC12
14 Концевые микропереключатели интегрированная сборка
15 Монтажная пластина углеродистая сталь Q235
16 Выходной вал углеродистая сталь 45
17 Подшипник нержавеющая сталь
18 Индикатор положения нейлон
19 Конденсатор композитный материал
20 Колодка интегрированный набор
Четвертьоборотный электропривод DN.ru QTSA-N-014EM-O0-220VAC

Эскиз четвертьоборотного электропривода DN.ru QTSA-N-014EM-O0-220VAC

Аналоги

График сравнения цен аналогичных затворов*. При клике на точку графика получите развернутую информацию.

*Затворы подобраны по следующим параметрам: Ду150, Ру16, тип присоединения - межфланцевый, класс материала корпуса - чугун, класс материала запорного органа - нержавеющая сталь, уплотнение - EPDM , управление - С электроприводом

1,202,000
961,600
721,200
480,800
240,400
0
Benarmo
межфланцевый с электроприводом Q 380В, нержавеющий диск
Benarmo
межфланцевый с электроприводом QB 220В, нержавеющий диск
DN.ru
WBV1432E-2W-Fb-H QT-N-EM-O1-380VAC-У1 HARK
DN.ru
WBV1432E-2W-Fb QT-N-EM-O1-220VAC-У1
DN.ru
WBV1432E-2W-Fb-H QT-N-EM-O1-220VAC-У1 HARK
DN.ru
WBV1432E-2W-Fb QT-N-EM-O1-380VAC-У1
DN.ru
WBV1432E-2W-Fb QT-N-EM-O1-220VAC-У1
DN.ru
WBV1432E-2W-Fb QT-N-EM-O1-24VDC-У1
DN.ru
WBV1432E-2W-Fb-H QT-N-EM-O1-24VDC-У1 HARK
Рашворк
201 с DN.RU 380В
Рашворк
201 с DN.RU 220В
Рашворк
201 с DN.RU 24В
DN.ru
WBV1632E-2W-Fb с QT-N-хEM-O1 380В
DN.ru
WBV1632E-2W-Fb-H QT-N-EM-O1-380VAC-У1 HARK
DN.ru
WBV1632E-2W-Fb-H QT-N-EM-O1-220VAC-У1 HARK
DN.ru
WBV1632E-2W-Fb с QT-N-хEM-O1 220В
DN.ru
WBV1631E-2W-Fb-H QT-N-020EM-O1-24VDC-У1 HARK
DN.ru
WBV1631E-2W-Fb-H QT-N-EM-O1-220VAC-У1 HARK
DN.ru
WBV1432E-2W-Fb QT-N-M-O2-380VAC-У1
DN.ru
WBV1631E-2W-Fb-H QT-N-EM-O1-380VAC-У1 HARK
DN.ru
WBV1432E-2W-Fb QT-N-M-O2-220VAC-У1
DN.ru
WBV1632E-2W-Fb-H QT-N-EM-O1-24VDC-У1 HARK
DN.ru
WBV1632E-2W-Fb с QT-N-хEM-O1 24В
DN.ru
WBV1432E-2W-Fb QT-N-EM-A1-220VAC-У1 HARK
DN.ru
WBV1432E-2W-Fb QT-N-EM-B1-220VAC-У1 HARK
DN.ru
WBV1432E-2W-Fb-H c ГЗ-ОФ-220В
Рашворк
201 с DN.ru 220В (4-20мА)
Рашворк
201 с DN.ru 220В (0-10В)
DN.ru
WBV1632E-2W-Fb QT-N-EM-A1-220VAC-У1 DAR
DN.ru
WBV1632E-2W-Fb QT-N-EM-B1-220VAC-У1 HARK
DN.ru
WBV1632E-2W-Fb с ГЗ-ОФ 220В
DN.ru
WBV1432E-2W-Fb QT-EX-EM-O2-24VDC-У1
DN.ru
WBV1432E-2W-Fb QT-EX-EM-O2-380VAC-У1
DN.ru
WBV1432E-2W-Fb QT-EX-EM-O2-220VAC-У1
DN.ru
WBV1432E-2W-Fb QT-EX-M-O2-220VAC-У1
DN.ru
WBV1432E-2W-Fb QT-EX-M-O2-380VAC-У1
DN.ru
WBV1632E-2W-Fb с QT-EX-xEM-O1 220В
DN.ru
WBV1432E-2W-Fb-H QTSA-N-EM-O0-220VAC
DN.ru
WBV1632E-2W-Fb-H QTSA-N-EM-O0-220VAC
DN.ru
WBV1631E-2W-Fb-H LUG QTSA-N-EM-O0-220VAC

Доставка

Условия доставки:

Мы осуществляем доставку по Москве, Московской области, и другим регионам Российской Федерации.

Доставка по г.Москва (в пределах МКАД) и МО осуществляется собственным транспортом или курьером.

Доставка в другие регионы осуществляется при помощи транспортных компаний (СДЭК, Деловые линии, Байкал Сервис).

Самовывоз. Вы сможете самостоятельно забрать заказ оформив самовывоз с нашего склада или пункта выдачи заказов.

Быстрый заказ

Вы можете отправить нам запрос на необходимые позиции и наш менеджер свяжется с вами в ближайшее время для формирования заказа

Нажмите, чтобы загрузить файлы или перетащите сюда
Максимальный размер файла - 10 Мб. Типы файлов: jpg, jpeg, png, xls, xlsx, doc, docx, pdf.