Задвижки шиберные DN.ru GVKN1331E-2W-Fb-ОСТ Ду50-400 Ру6-16 WENZ двухсторонние, межфланцевые, шпиндель - невыдвижной, корпус - чугун GGG40, шибер - нержавеющая сталь AISI 304, уплотнение - EPDM, с голым штоком, 36Нм, ОСТ-фланец тип АК (А)/Б предназначены для установки на трубопроводе в качестве запорного устройства и регулирования потока рабочей среды в системах водоснабжения (кроме систем питьевого водопровода) и химической промышленности. Принцип работы шиберной задвижки заключается в перемещении шибера (ножа) перпендикулярно потоку среды. При полном перекрытии диаметра условного прохода трубопровода происходит остановка потока, при частичном - регулировка. |
Технические параметры задвижек шиберных DN.ru GVKN1331E-2W-Fb-ОСТ Ду50-400 Ру6-16 WENZ двухсторонних, межфланцевых| Характеристика | Значение |
|---|
| Номинальный диаметр DN, мм | 50-400 | | Номинальное давление задвижки PN, бар | 16/10/6 | | Температура рабочей среды, °C | от -40 до +120 | | Рабочая среда | вода, слабозагрязненные жидкости с содержанием взвешенных частиц до 5% | | Рабочая среда | двустороннее | | Класс герметичности | А по ГОСТ 9544-2015 | | Присоединение к трубопроводу | межфланцевое | | Номинальное давление фланцев, бар | DN50÷150 – 10/16, DN200÷400 – 10 | | Климатическое исполнение | УХЛ4 по ГОСТ 15150-69 | | Сферы применения | системы отопления и водоснабжения (кроме систем питьевого водопровода), промышленные трубопроводы | | Средний срок службы, лет | 10 | | Средний ресурс, циклов закрытие/открытие | 20 000 ÷ 50 000 | | Бренд | DN.ru |
|  Изображение задвижек шиберных DN.ru GVKN1331E-2W-Fb-ОСТ Ду50-400 Ру6-16 WENZ двухсторонних, межфланцевых |
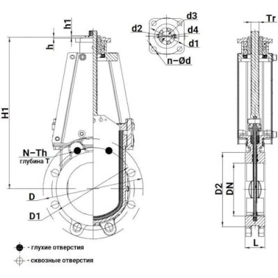
Габариты и размеры задвижек шиберных DN.ru GVKN1331E-2W-Fb-ОСТ Ду50-400 Ру6-16 WENZ двухсторонних, межфланцевых| Модель | DN, мм | L, мм | D, мм | D1, мм | D2, мм | H1, мм | T, мм | ⬤, шт | ⊕, шт | N-Th | n-Ød | Размер штока | d1, мм | d2, мм | d3, мм | d4, мм | h, мм | h1, мм |
|---|
| Ду50 Ру16 | 50 | 48 | 165 | 125 | 99 | 273 | 12 | 2 | 2 | 4-М16 | 4-Ø14 | Tr 20 x 4 LH | 104 | 70 | 44 | 28 | 3 | 4 | | Ду65 Ру16 | 65 | 48 | 185 | 145 | 118 | 298 | 12 | 2 | 6 | 8-М16 | 4-Ø14 | Tr 20 x 4 LH | 104 | 70 | 44 | 28 | 3 | 4 | | Ду80 Ру16 | 80 | 51 | 200 | 160 | 132 | 325 | 12 | 2 | 6 | 8-М16 | 4-Ø14 | Tr 20 x 4 LH | 104 | 70 | 44 | 28 | 3 | 4 | | Ду100 Ру16 | 100 | 51 | 220 | 180 | 156 | 363 | 12 | 2 | 6 | 8-М16 | 4-Ø14 | Tr 20 x 4 LH | 104 | 70 | 44 | 28 | 3 | 4 | | Ду125 Ру10 | 125 | 57 | 250 | 210 | 184 | 403 | 12 | 2 | 6 | 8-М16 | 4-Ø14 | Tr 20 x 4 LH | 104 | 70 | 44 | 28 | 3 | 4 | | Ду150 Ру10 | 150 | 57 | 285 | 240 | 211 | 432 | 14 | 2 | 6 | 8-М20 | 4-Ø14 | Tr 24 x 5 LH | 104 | 70 | 44 | 28 | 3 | 4 | | Ду200 Ру10 | 200 | 70 | 340 | 295 | 266 | 520 | 16 | 2 | 6 | 8-М20 | 4-Ø14 | Tr 24 x 5 LH | 104 | 70 | 44 | 28 | 3 | 4 | | Ду250 Ру10 | 250 | 70 | 395 | 350 | 319 | 617 | 16 | 4 | 8 | 12-М20 | 4-Ø14 | Tr 26 x 5 LH | 104 | 70 | 44 | 28 | 3 | 4 | | Ду300 Ру6 | 300 | 76 | 445 | 400 | 370 | 736 | 16 | 4 | 8 | 12-М20 | 4-Ø14 | Tr 26 x 5 LH | 104 | 70 | 44 | 28 | 3 | 4 | | Ду400 Ру6 | 400 | 89 | 565 | 515 | 480 | 945 | 20 | 10 | 6 | 16-М24 | 4-Ø14 | Tr 30 x 6 LH | 135 | 108 | 59 | 32 | 6 | 8 |
|  Эскиз габаритов задвижек шиберных DN.ru GVKN1331E-2W-Fb-ОСТ Ду50-400 Ру6-16 WENZ двухсторонних, межфланцевых |
Материалы деталей задвижек шиберных DN.ru GVKN1331E-2W-Fb-ОСТ Ду50-400 Ру6-16 WENZ двухсторонних, межфланцевых| № | Наименование | Материал |
|---|
| 1 | Корпус | чугун GGG40 (аналог ВЧ40) | | 2 | Седловое уплотнение | EPDM | | 3 | Шибер | нержавеющая сталь AISI 304 (аналог 08Х18Н10) | | 4 | Уплотнение направляющей | PTFE | | 5 | Уплотнение | PTFE | | 6 | Сальниковая набивка | углеродистая сталь WCB (аналог 25Л) | | 7 | Штифт | сталь 45 | | 8 | Патрон | углеродистая сталь WCB (аналог 25Л) | | 9 | Шток | нержавеющая сталь 2Cr13 (аналог ст.20Х13) | | 10 | Стойка | сталь Q235 (аналог Cт3) | | 11 | Верхняя пластина стойки | чугун HT200 (аналог СЧ20) | | 12 | Гайка | латунь | | 13 | Подшипник | сталь GCr15 (аналог ШХ15) | | 14 | Насадка | сталь Q235 (аналог Cт3) |
|  Материалы деталей задвижек шиберных DN.ru GVKN1331E-2W-Fb-ОСТ Ду50-400 Ру6-16 WENZ двухсторонних, межфланцевых |