Затворы дисковые поворотные для абразивных сред DN.ru WBV1632E-2W-Fb-H RR Ду65-100 Ру16, корпус - чугун QT450, диск - нержавеющая сталь AISI 316L, уплотнение - износостойкий EPDM, межфланцевые, с рукояткой

Aquaflame 2026 (2)
Aquaflame 2026 (2)-mobile
СТМ многоступенчатые насосы 2
СТМ многоступенчатые насосы 2-mobile
КИПиА Акваконтроль 2
КИПиА Акваконтроль 2-mobile

Затвор дисковый поворотный предназначен для использования в качестве запорной или регулирующей арматуры для управления потоками в системах теплоснабжения, водоснабжения, в технологических процессах пищевой, химической, нефтегазовой, целлюлозно-бумажной и других отраслях промышленности.

Технические параметры затворов дисковых поворотных для абразивных сред DN.ru WBV1632E-2W-Fb-H RR Ду65-100 Ру16 межфланцевых

ХарактеристикаЗначение
Номинальный диаметр DN, мм65-100
Номинальное давление PN, бар16
Температура рабочей среды t, °Cот -20 до +110
Рабочая средавода, пар, агрессивные среды и жидкости с абразивным содержанием (цемент, песок, глинозем и др.)
Направление потокадвустороннее
Класс герметичностиA ГОСТ 9544-2015
Тип управлениярукоятка
Присоединение к трубопроводумежфланцевое
Материал корпусачугун QT450 (аналог ВЧ 45)
Материал дисканержавеющая сталь AISI 316L (аналог 03Х17Н14М3)
Материал уплотненияEPDM с износостойким покрытием
Срок службы, лет10
Затворы дисковые поворотные для абразивных сред DN.ru WBV1632E-2W-Fb-H RR Ду65-100 Ру16, корпус - чугун QT450, диск - нержавеющая сталь AISI 316L, уплотнение - износостойкий EPDM, межфланцевые, с рукояткой

Изображение затворов дисковых поворотных для абразивных сред DN.ru WBV1632E-2W-Fb-H RR Ду65-100 Ру16 межфланцевых

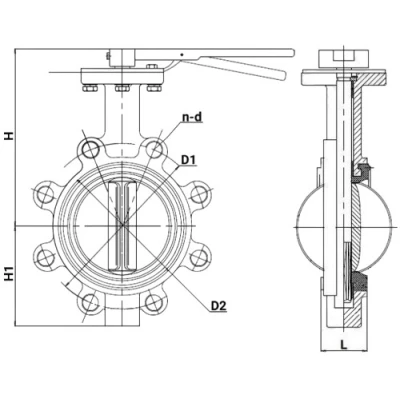
Габаритные и установочные размеры затворов дисковых поворотных для абразивных сред DN.ru WBV1632E-2W-Fb-H RR Ду65-100 Ру16 межфланцевых

РазмерL, ммH, ммH1, ммD2, ммD1, ммn-d, мм
Ду6546155761101454-Ø23
Ду100521751061531804-Ø23
Затворы дисковые поворотные для абразивных сред DN.ru WBV1632E-2W-Fb-H RR Ду65-100 Ру16, корпус - чугун QT450, диск - нержавеющая сталь AISI 316L, уплотнение - износостойкий EPDM, межфланцевые, с рукояткой

Эскиз габаритов затворов дисковых поворотных для абразивных сред DN.ru WBV1632E-2W-Fb-H RR Ду65-100 Ру16 межфланцевых

Деталировка затворов дисковых поворотных для абразивных сред DN.ru WBV1632E-2W-Fb-H RR Ду65-100 Ру16 межфланцевых

Наименование деталиМатериал
1Корпусчугун QT450 (аналог ВЧ 45)
2Дискнержавеющая сталь AISI 316L (аналог 03Х17Н14М3)
3Седловое уплотнениеEPDM + износостойкий материал (siliclone+graphite)
4Штокнержавеющая сталь 2Cr13 (аналог ст.20Х13)
5Рукояткаалюминий
Затворы дисковые поворотные для абразивных сред DN.ru WBV1632E-2W-Fb-H RR Ду65-100 Ру16, корпус - чугун QT450, диск - нержавеющая сталь AISI 316L, уплотнение - износостойкий EPDM, межфланцевые, с рукояткой

Эскиз деталировки затворов дисковых поворотных для абразивных сред DN.ru WBV1632E-2W-Fb-H RR Ду65-100 Ру16 межфланцевых

Быстрый заказ

Вы можете отправить нам запрос на необходимые позиции и наш менеджер свяжется с вами в ближайшее время для формирования заказа

Нажмите, чтобы загрузить файлы или перетащите сюда
Максимальный размер файла - 10 Мб. Типы файлов: jpg, jpeg, png, xls, xlsx, doc, docx, pdf.