Затворы дисковые поворотные DN.ru WBV1431N-2W-Fb-ISO-R Ду350 Ру16 межфланцевые, корпус - чугун GGG50, диск - нержавеющая сталь AISI 304, уплотнение - NBR, с редуктором

Aquaflame 2026 (2)
Aquaflame 2026 (2)-mobile
СТМ многоступенчатые насосы 2
СТМ многоступенчатые насосы 2-mobile
КИПиА Акваконтроль 2
КИПиА Акваконтроль 2-mobile

Затвор дисковый поворотный предназначен для использования в качестве запорной или регулирующей арматуры для управления потоками в системах теплоснабжения, водоснабжения, в технологических процессах пищевой, химической, нефтегазовой, целлюлозно-бумажной и других отраслях промышленности.

Технические параметры затворов дисковых поворотных DN.ru WBV1431N-2W-Fb-ISO-R Ду350 Ру16 с редуктором

ХарактеристикаЗначение
Номинальный диаметр DN, мм350
Номинальное давление PN, бар16
Температура рабочей среды t, ⁰Cот -20 до +100
Рабочая средавода, минеральные масла, углеводороды, масла, жиры, иные среды, нейтральные к материалам конструкции затвора
Направление потокадвустороннее
Класс герметичности«A» по ГОСТ 9544-2015
Тип управленияредуктор
Присоединение к трубопроводумежфланцевое
Климатическое исполнение«УХЛ4» по ГОСТ 15150-69
Сферы применениясистемы водоснабжения, водоподготовки, канализации, промышленные трубопроводы
Затворы дисковые поворотные DN.ru WBV1431N-2W-Fb-ISO-R Ду350 Ру16 межфланцевые, корпус - чугун GGG50, диск - нержавеющая сталь AISI 304, уплотнение - NBR, с редуктором

Изображение затворов дисковых поворотных DN.ru WBV1431N-2W-Fb-ISO-R Ду350 Ру16 с редуктором

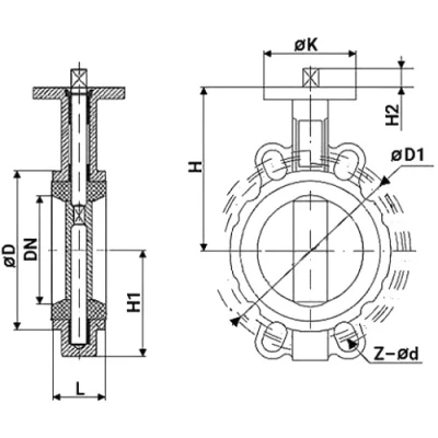
Габаритные и установочные размеры затворов дисковых поворотных DN.ru WBV1431N-2W-Fb-ISO-R Ду350 Ру16 с редуктором

РазмерDN, ммL, ммØD, ммØD1, ммH, ммH1, ммH2, ммØK, ммZ–Ød
Ду350350774174603402673512512-28
Затворы дисковые поворотные DN.ru WBV1431N-2W-Fb-ISO-R Ду350 Ру16 межфланцевые, корпус - чугун GGG50, диск - нержавеющая сталь AISI 304, уплотнение - NBR, с редуктором

Эскиз габаритов затворов дисковых поворотных DN.ru WBV1431N-2W-Fb-ISO-R Ду350 Ру16 с редуктором

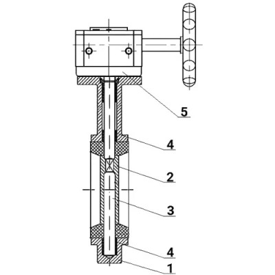
Деталировка затворов дисковых поворотных DN.ru WBV1431N-2W-Fb-ISO-R Ду350 Ру16 с редуктором

Наименование деталиМатериал
1Корпусчугун GGG50 (аналог ВЧ50)
2Дискнержавеющая сталь AISI 304 (аналог 08Х18Н10)
3Штокнержавеющая сталь SS 416 (аналог ст.20Х13)
4УплотнениеNBR
5Редуктор
Затворы дисковые поворотные DN.ru WBV1431N-2W-Fb-ISO-R Ду350 Ру16 межфланцевые, корпус - чугун GGG50, диск - нержавеющая сталь AISI 304, уплотнение - NBR, с редуктором

Эскиз деталировки затворов дисковых поворотных DN.ru WBV1431N-2W-Fb-ISO-R Ду350 Ру16 с редуктором

Быстрый заказ

Вы можете отправить нам запрос на необходимые позиции и наш менеджер свяжется с вами в ближайшее время для формирования заказа

Нажмите, чтобы загрузить файлы или перетащите сюда
Максимальный размер файла - 10 Мб. Типы файлов: jpg, jpeg, png, xls, xlsx, doc, docx, pdf.