Кран шаровой DN.ru BV3232P-FP-Fb-ISO-H WDVF Ду80 Ру16 полнопроходной, межфланцевый, корпус - нержавеющая сталь 316, уплотнение - PTFE, с ISO-фланцем и рукояткой

Артикул: D160-70715   

О товаре

Артикул:
D160-70715
Бренд:
DN.ru
Страна производитель:
Россия
Доступность товара:
Товар в наличии на складе либо у поставщика
Серия бренда:
BV3232P
Присоединение:
межфланцевое
Класс материала корпуса:
нержавеющая сталь
не указано
бронза
латунь
латунь никелированная
Низколегированная сталь
НПВХ
сталь
углеродистая сталь
чугун
Диаметр условный Ду(Dn), мм:
Диаметр в дюймах:
3″
не указано
1″
1 1/2″
1 1/4″
1/2″
1/4″
1/8″
10″
12″
14″
16″
2″
2 1/2″
20″
24″
28″
3 1/2″
3/4″
3/8″
32″
4″
5″
6″
7″
8″
½″
Давление условное Ру(Pn), бар:
Проход шара:
полнопроходной
Таблица фигур:
не указано
10нж45фт
10нж45фт-01
10нж46фт
10нж46фт-01
10нж47фт-01
11б27п(т)1
11Б27п1
11Б27п11
11Б27п13
11Б27п17
11Б27п7
11б27фт1М
11С10ФТ
11с41п
11с42п
11с42фт (11с42п)
11с667п
11с67п
11с69п
11с70п
11с967п
Рабочая среда крана:
вода, нейтральные среды, нефтепродукты
Тип управления:
ручной
под редуктор/привод
С пневмоприводом
с редуктором
С электроприводом
Устройство крана:
двухходовой
Регулирующий
сливной
трехходовой
четырехходовой
Тип присоединения:
межфланцевый
Компрессионное
муфтовый (резьбовой)
муфтовый (резьбовой) / американка
муфтовый (резьбовой) / гайка
муфтовый (резьбовой) / обжимной
муфтовый (резьбовой) / под приварку
муфтовый (резьбовой) / пресс
муфтовый (резьбовой) / цапка
муфтовый (резьбовой) / штуцер
обжим (цанговый)
под приварку
Под приварку / цапка
Под приварку / штуцер
пресс
Фланцевый
Фланцевый / муфта
фланцевый / под приварку
Фланцевый / цапка
Корпус:
Нержавеющая сталь AISI/SS 316/08Х17Н13М2
Уплотнение шара:
PTFE / Фторопласт / Тефлон
не указано
EPDM
NBR
PPL
PTFE
Резина
Температура:
180 ℃
Применение:
теплоснабжение
Класс герметичности:
A
Все характеристики
на 2026-12-31
71 851,9
Гарантия 12 месяцев
Возможна отсрочка до 90 дней
В избранное
Бесплатная доставка до ТК
Сертифицированный товар

Характеристики

Кран шаровой применяется в качестве запорной арматуры в системах теплоснабжения, водоснабжения, в топливных и пневмосистемах со сжатым воздухом и нейтральными газами. Установка кранов данной серии возможна в системы, транспортирующие жидкие и газообразные среды (вода, нефть, масла, воздух, спирты, гликоль и др.), неагрессивные к материалам крана. Перекрытие рабочего потока происходит посредством запирающего элемента, которым служит шар со сквозным цилиндрическим отверстием. С помощью рукоятки, установленной на корпусе, осуществляется поворот шара вокруг оси. Для полного перекрытия потока достаточно повернуть ее на угол 90 градусов.

Технические параметры крана шарового DN.ru BV3232P-FP-Fb-ISO-H WDVF Ду80 Ру16:

  • Давление номинальное PN - 16 бар
  • Диаметр номинальный DN - 80 мм
  • Тип присоединения - межфланцевый
  • Количество болтовых отверстий на фланце - 8 шт.
  • Диаметр болтовых отверстий на фланце - 16 мм
  • Среда - вода, нефтепродукты, нейтральные среды
  • Тип управления - ручной
  • Применение - теплоснабжение
  • Тип крана по проходному сечению - полнопроходной
  • Тип устройства крана - двухходовой
  • Температура рабочей среды - от --20°С до 180°С
  • Присоединение - межфланцевое
  • Управление - рукоятка
  • Класс герметичности - A
  • Коэффициент пропускной способности - 853 м3/ч
  • Материал корпуса - Нержавеющая сталь AISI/SS 316/08Х17Н13М2
  • Материал шара - Нержавеющая сталь AISI/SS 316/08Х17Н13М2
  • Материал уплотнения - PTFE / Фторопласт / Тефлон
  • Модель арматуры - BV3232P-FP-Fb-ISO-H WDVF
  • Тип затвора - шаровый
  • Диаметр в дюймах - 3
  • Тип ISO-фланца арматуры - F07, F10
  • Серия - BV3232P
  • Вид арматуры - запорный
  • Страна производитель - Россия
  • Гарантия - 12 мес.
  • Срок службы - 10 лет
  • Веc - 9 кг

Кран шаровой DN.ru BV3232P-FP-Fb-ISO-H WDVF Ду80 Ру16 полнопроходной, межфланцевый, корпус - нержавеющая сталь 316, уплотнение - PTFE, с ISO-фланцем и рукояткой

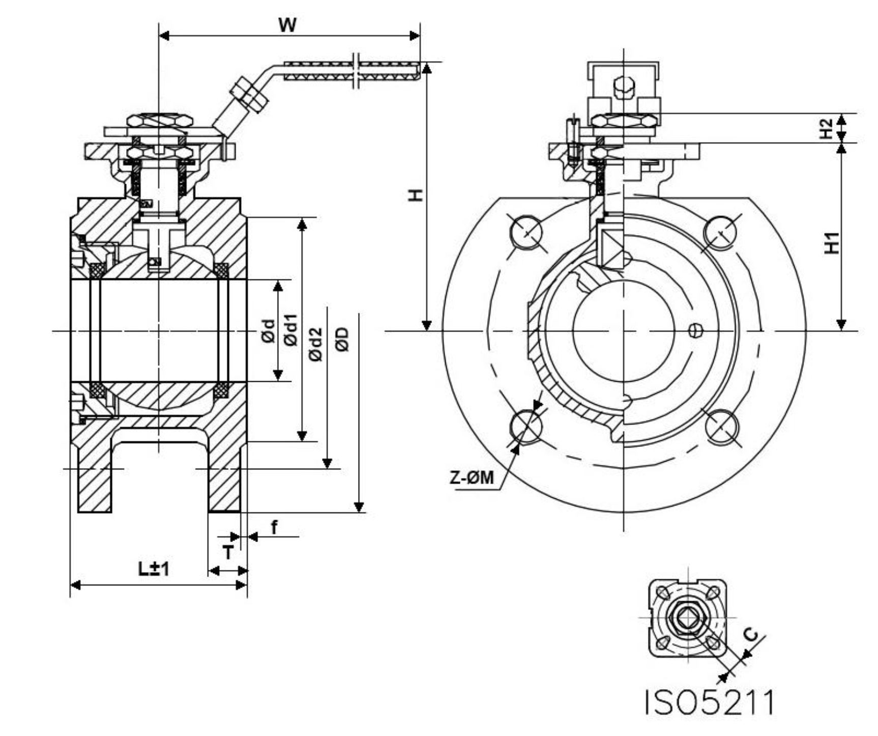
Габариты и размеры крана шарового DN.ru BV3232P-FP-Fb-ISO-H WDVF Ду80 Ру16:

  • DN - 80 мм
  • L±1 - 118 мм
  • W - 310 мм
  • H - 158 мм
  • ØD - 192 мм
  • Ød - 76 мм
  • Ød1 - 133 мм
  • Ød2 - 160 мм
  • T - 19 мм
  • f - 4 мм
  • Z-ØM - 8 шт - ø16 мм
  • C - 17х17 мм
Кран шаровой DN.ru BV3232P-FP-Fb-ISO-H WDVF Ду80 Ру16 полнопроходной, межфланцевый, корпус - нержавеющая сталь 316, уплотнение - PTFE, с ISO-фланцем и рукояткой

Эскиз габаритов и размеров крана шарового DN.ru BV3232P-FP-Fb-ISO-H WDVF Ду80 Ру16

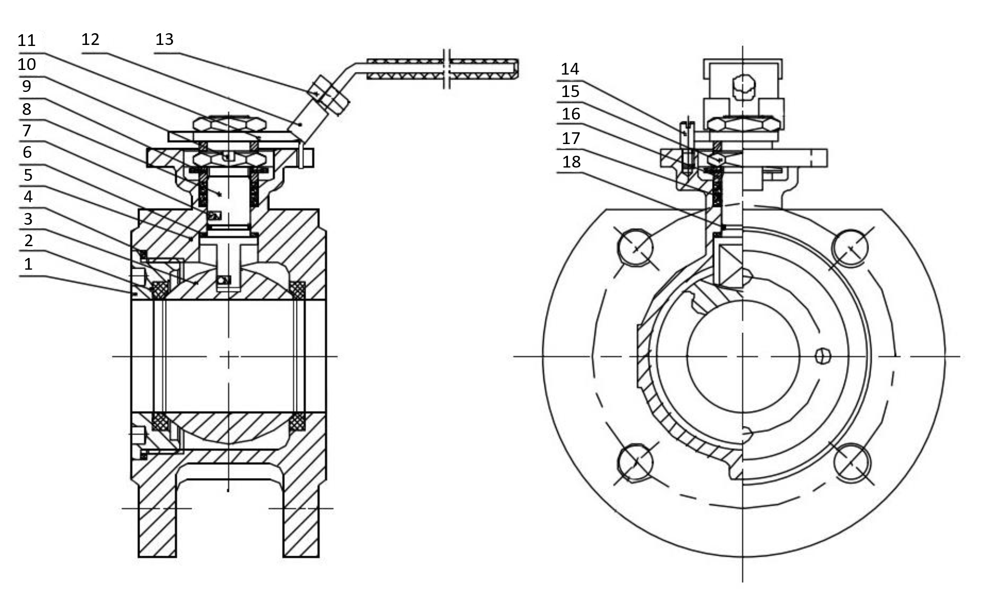
Таблица деталей и материалов крана шарового DN.ru BV3232P-FP-Fb-ISO-H WDVF Ду80 Ру16:

Наименование детали Материал
1 Крышка корпуса нержавеющая сталь CF8М/ AISI 316 (аналог 08Х17Н14М2)
2 Седло PTFE
3 Шар нержавеющая сталь AISI 316 (аналог 08Х17Н14М2)
4 Прокладка PTFE
5 Корпус нержавеющая сталь CF8М/ AISI 316 (аналог 08Х17Н14М2)
6 Прокладка штока PTFE
7 Антистатическое устройство нержавеющая сталь AISI 304 (аналог 08Х18Н10)
8 Шток нержавеющая сталь AISI 316 (аналог 08Х17Н14М2)
9 Пружина-бабочка нержавеющая сталь AISI 304 (аналог 08Х18Н10)
10 Колпачок против ослабления нержавеющая сталь AISI 304 (аналог 08Х18Н10)
11 Рукоятка нержавеющая сталь AISI 201 (аналог 12Х15Г9НД) + ПВХ
12 Фиксатор рукоятки нержавеющая сталь AISI 201 (аналог 12Х15Г9НД)
13 Штифт пластик
14 Стопорный штифт нержавеющая сталь AISI 304 (аналог 08Х18Н10)
15 Гайка нержавеющая сталь A193-8 (аналог 12Х18Н10)
16 Сальниковая набивка нержавеющая сталь AISI 304 (аналог 08Х18Н10)
17 Уплотнение PTFE
18 Уплотнительное кольцо VITON
Кран шаровой DN.ru BV3232P-FP-Fb-ISO-H WDVF Ду80 Ру16 полнопроходной, межфланцевый, корпус - нержавеющая сталь 316, уплотнение - PTFE, с ISO-фланцем и рукояткой

Эскиз деталей и материалов крана шарового DN.ru BV3232P-FP-Fb-ISO-H WDVF Ду80 Ру16

Что означает этот документ для вас?


Контроль на каждом этапе: Каждое изделие, проходит обязательную проверку на герметичность. Мы не отгружаем продукцию "вслепую".
Прозрачность процессов: Мы открыто показываем, как и на каком оборудовании тестируем нашу продукцию. Вы можете быть уверены в объективности испытаний.
Соответствие стандартам: Мы работаем в строгом соответствии с ГОСТами и собственными техническими условиями, что гарантирует высочайший уровень качества.
Ответственность и отслеживаемость: Каждое изделие имеет уникальный номер партии. Это означает полную прослеживаемость и ответственность за каждую единицу продукции.
Доверие и надежность: Этот акт — не просто бумага, а прямое доказательство того, что наша арматура будет надежно работать в вашей системе, предотвращая утечки и аварии.
Мы ценим ваше доверие и гарантируем качество!

Видео испытаний крана шарового DN.ru BV3232P-FP-Fb-ISO-H WDVF Ду80 Ру16

Паспорта и сертификаты

Аналоги

График сравнения цен аналогичных кранов для теплоснабжения*. При клике на точку графика получите развернутую информацию.

*Краны подобраны по следующим параметрам: Ду80, Ру16, применение - теплоснабжение, тип присоединения - межфланцевый, проход шара крана - полнопроходной, класс материала корпуса - нержавеющая сталь, управление - рукоятка, водоразборный - нет, наличие колонки управления - нет, тип устройства крана - двухходовой

72,000
57,600
43,200
28,800
14,400
0
DN.ru
BV3232P-FP-Fb-ISO-H
DN.ru
BV3232P-FP-Fb-ISO-H WDVF

Доставка

Условия доставки:

Мы осуществляем доставку по Москве, Московской области, и другим регионам Российской Федерации.

Доставка по г.Москва (в пределах МКАД) и МО осуществляется собственным транспортом или курьером.

Доставка в другие регионы осуществляется при помощи транспортных компаний (СДЭК, Деловые линии, Байкал Сервис).

Самовывоз. Вы сможете самостоятельно забрать заказ оформив самовывоз с нашего склада или пункта выдачи заказов.

Быстрый заказ

Вы можете отправить нам запрос на необходимые позиции и наш менеджер свяжется с вами в ближайшее время для формирования заказа

Нажмите, чтобы загрузить файлы или перетащите сюда
Максимальный размер файла - 10 Мб. Типы файлов: jpg, jpeg, png, xls, xlsx, doc, docx, pdf.