Кран шаровой применяется в качестве запорной арматуры в системах теплоснабжения, водоснабжения, в топливных и пневмосистемах со сжатым воздухом и нейтральными газами. Установка кранов данной серии возможна в системы, транспортирующие жидкие и газообразные среды (вода, нефть, масла, воздух, спирты, гликоль и др.), неагрессивные к материалам крана. |
Общие технические характеристики кранов шаровых DN.ru BV3232P-FP-Fb-ISO-H WDVF Ду50-100 Ру16 полнопроходных, межфланцевых| Характеристика | Значение |
|---|
| Номинальное давление | 16 бар | | Температура рабочей среды | от -20 до +180 ⁰C | | Класс герметичности | «А» ГОСТ 9544-2015 | | Рабочая среда | вода, нефтепродукты и другие жидкие или газообразные среды, нейтральные к применяемым материалам | | Присоединение к трубопроводу | межфланцевое | | Тип крана по проходному сечению | полнопроходной | | Средний срок службы | 10 лет | | Страна производитель | Россия |
|  Изображение кранов шаровых DN.ru BV3232P-FP-Fb-ISO-H WDVF Ду50-100 Ру16 полнопроходных, межфланцевых |
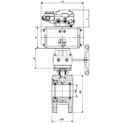
|  Эскиз габаритов и размеров кранов шаровых DN.ru BV3232P-FP-Fb-ISO-H WDVF Ду50-100 Ру16 полнопроходных, межфланцевых |
Материалы кранов шаровых DN.ru BV3232P-FP-Fb-ISO-H WDVF Ду50-100 Ру16 полнопроходных, межфланцевых| № | Наименование | Материал |
|---|
| 1 | Крышка корпуса | нержавеющая сталь CF8М/ AISI 316 (аналог 08Х17Н14М2) | | 2 | Седло | PTFE | | 3 | Шар | нержавеющая сталь AISI 316 (аналог 08Х17Н14М2) | | 4 | Прокладка | PTFE | | 5 | Корпус | нержавеющая сталь CF8М/ AISI 316 (аналог 08Х17Н14М2) | | 6 | Прокладка штока | PTFE | | 7 | Антистатическое устройство | нержавеющая сталь AISI 304 (аналог 08Х18Н10) | | 8 | Шток | нержавеющая сталь AISI 316 (аналог 08Х17Н14М2) | | 9 | Пружина-бабочка | нержавеющая сталь AISI 304 (аналог 08Х18Н10) | | 10 | Колпачок против ослабления | нержавеющая сталь AISI 304 (аналог 08Х18Н10) | | 14 | Стопорный штифт | нержавеющая сталь AISI 304 (аналог 08Х18Н10) | | 15 | Гайка | нержавеющая сталь A193-8 (аналог 12Х18Н10) | | 16 | Сальниковая набивка | нержавеющая сталь AISI 304 (аналог 08Х18Н10) | | 17 | Уплотнение | PTFE | | 18 | Уплотнительное кольцо | VITON |
|  Эскиз материалов и деталей кранов шаровых DN.ru BV3232P-FP-Fb-ISO-H WDVF Ду50-100 Ру16 полнопроходных, межфланцевых |
Технические параметры пневмоприводов DN.ru PA-DA двойного действия| Характеристика | Значение |
|---|
| Бренд | DN.ru | | Тип пневмопривода | двойного действия | | Номинальное давление | 12 бар | | Рабочее давление | 2...8 бар | | Среда | сжатый воздух | | Температура рабочей среды | от -20 °C до +80 °C | | Угол поворота | 0 - 90° | | Регулировка угла поворота | ±5% | | Страна производитель | Китай | | Максимальный диаметр частиц рабочей среды | ≤30 мкм2 | | Стандарт верхнего соединения | NAMUR | | Стандарт соединения подачи воздуха | NAMUR |
| Видео пневмоприводов DN.ru PA-DA двойного действия |
Деталировка пневмоприводов DN.ru PA-DA двойного действия| № | Наименование детали | Материал |
|---|
| 1 | Индикаторный винт | АБС-пластик | | 2 | Индикатор положения | АБС-пластик | | 3 | Пружинный зажим | нержавеющая сталь 304 | | 4 | Металлическая шайба | нержавеющая сталь 304 | | 5 | Прижимная шайба | инженерный пластик | | 6 | Корпус | экструдированный алюминиевый сплав с твердым анодированием | | 7 | Прижимная шайба | инженерный пластик | | 8 | Ограничитель | легированная сталь | | 9 | Уплотнительное кольцо вала верхнее | NBR | | 10 | Антифрикционное кольцо вала верхнее | инженерный пластик | | 11 | Вал | легированная сталь никелированная | | 12 | Антифрикционное кольцо вала нижнее | инженерный пластик | | 13 | Уплотнительное кольцо вала нижнее | NBR | | 14 | Заглушка | NBR | | 15 | Уплотнительное кольцо регулировочных винтов | NBR | | 16 | Шайба регулировочного винта | нержавеющая сталь 304 | | 17 | Стопорная гайка регулировочного винта | нержавеющая сталь 304 | | 18 | Винт регулировочный | нержавеющая сталь 304 | | 19 | Поршень | алюминиевый сплав, литой под давлением | | 20 | Направляющая накладка поршня | инженерный пластик | | 21 | Антифрикционное кольцо поршня | инженерный пластик | | 22 | Уплотнительное кольцо поршня | NBR | | 23 | Комплект пружин | пружинная сталь | | 24 | Уплотнительное кольцо крышки | NBR | | 25 | Торцевая крышка | литой алюминий с полиэфирным покрытием | | 26 | Винт крышки | нержавеющая сталь 304 | | 27 | Стопорный винт | нержавеющая сталь 304 | | 28 | Адаптер | углеродистая сталь |
|  Эскиз деталировки пневмоприводов DN.ru PA-DA двойного действия |
Технические параметры электропневматических поворотных позиционеров DN.ru YT-1000RSN с обратной связью| Характеристика | Значение |
|---|
| Тип действия | односторонний | | Входной сигнал управления | 4 ~ 20 mA | | Внутреннее сопротивление | 250 ± 15 Ом | | Входное давление | 1,4~7 бар / 20~100 psi | | Угол хода рычага | 0~90° | | Резьба подключения сжатого воздуха | 1/4" | | Резьба подключения манометра | 1/8" | | Кабельный ввод | G1/2" | | Тип защиты | IP66 | | Рабочая температура | -20°C ~ 70°C | | Допустимая влажность окружающей среды | 10~90RH | | Линейность | ±1% | | Гистерезис | ±1% | | Чувствительность | ±0.2% | | Повторяемость | ±0.5% | | Расход сжатого воздуха | 3 л /мин (при давлении 1,4 бар) | | Расход воздуха на выходе | 80 л/мин (при давлении 1,4 бар) | | Материал корпуса | алюминиевое литье | | Вес | 2,8 кг |
|  Изображение электропневматических поворотных позиционеров DN.ru YT-1000RSN с обратной связью |
Технические параметры ручных дублеров DN.ru MONx-x-x-ISO| Характеристика | Значение |
|---|
| Режим работы | повторно-кратковременный, реверсивный | | Рабочая температура t, ⁰C | от–20 до +80; от–40 до +80 (низкотемпературная версия); от–20 до +160 (при сухом воздухе) | | Рабочая среда | фильтрованный сжатый воздух или неагрессивные газы, масла | | Климатическое исполнение | У, УХЛ, Т, ОМ по ГОСТ 15150-69 | | Степень защиты | IP67 | | Тип присоединения | ISO 5211 | | Применение | водоснабжение, отопление, пожаротушение, тепловые пункты | | Монтаж | горизонтальный/вертикальный | | Материал корпуса | сплав алюминия | | Ход | механический предел 0-90 ° | | Среда эксплуатации | в помещениях и на открытом воздухе | | Место установки | между пневмоприводом и шаровым краном или затвором | | Угол поворота вала | 90° ± 5° |
|  Изображение ручных дублеров DN.ru MONx-x-x-ISO |
Деталировка ручных дублеров DN.ru MONx-x-x-ISO| № | Наименование детали | Материал |
|---|
| 1 | Шток для монтажа пневмопривода | сталь 45 | | 2, 8 | Уплотнительное кольцо | EPDM | | 3 | Фиксирующая пружина | пружинная сталь | | 4 | Верхняя торцевая крышка | сплав алюминия | | 5 | Винт | нержавеющая сталь AISI 304 (аналог 08Х18Н10) | | 6 | Фиксирующая скоба (главная тяга) | нержавеющая сталь AISI 304 (аналог 08Х18Н10) | | 7 | Корпус | сплав алюминия | | 9 | Редуктор | чугун ВЧ50 | | 10 | Переходная муфта | чугун ВЧ40 | | 11 | Шток редуктора | чугун ВЧ40 |
|  Эскиз деталировки ручных дублеров DN.ru MONx-x-x-ISO |