Кран шаровой применяется в качестве запорной арматуры в системах теплоснабжения, водоснабжения, в топливных и пневмосистемах со сжатым воздухом и нейтральными газами. Установка кранов данной серии возможна в системы, транспортирующие жидкие и газообразные среды (вода, нефть, масла, воздух, спирты, гликоль и др.), неагрессивные к материалам крана. |
Общие технические характеристики кранов шаровых DN.ru BV3232P-FP-Fb-ISO-H WDVF Ду80-100 Ру16 полнопроходных, межфланцевых| Характеристика | Значение |
|---|
| Номинальное давление | 16 бар | | Температура рабочей среды | от -20 до +180 ⁰C | | Класс герметичности | «А» ГОСТ 9544-2015 | | Рабочая среда | вода, нефтепродукты и другие жидкие или газообразные среды, нейтральные к применяемым материалам | | Присоединение к трубопроводу | межфланцевое | | Тип крана по проходному сечению | полнопроходной | | Средний срок службы | 10 лет | | Страна производитель | Россия |
|  Изображение кранов шаровых DN.ru BV3232P-FP-Fb-ISO-H WDVF Ду80-100 Ру16 полнопроходных, межфланцевых |
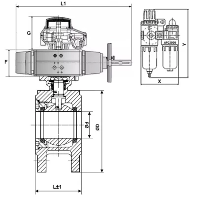
Габариты и рамеры кранов шаровых DN.ru BV3232P-FP-Fb-ISO-H WDVF Ду80-100 Ру16 полнопроходных, межфланцевых| Модель | d, мм | D, мм | L, мм | L1, мм | F, мм | G, мм | X, мм | Y, мм |
|---|
| Ду80 | 76 | 192 | 118 | 495 | 133 | 77 | 88 | 162 | | Ду100 | 90 | 214 | 140 | 495 | 133 | 77 | 88 | 162 |
|  Эскиз габаритов и размеров кранов шаровых DN.ru BV3232P-FP-Fb-ISO-H WDVF Ду80-100 Ру16 полнопроходных, межфланцевых |
Материалы кранов шаровых DN.ru BV3232P-FP-Fb-ISO-H WDVF Ду80-100 Ру16 полнопроходных, межфланцевых| № | Наименование | Материал |
|---|
| 1 | Крышка корпуса | нержавеющая сталь CF8М/ AISI 316 (аналог 08Х17Н14М2) | | 2 | Седло | PTFE | | 3 | Шар | нержавеющая сталь AISI 316 (аналог 08Х17Н14М2) | | 4 | Прокладка | PTFE | | 5 | Корпус | нержавеющая сталь CF8М/ AISI 316 (аналог 08Х17Н14М2) | | 6 | Прокладка штока | PTFE | | 7 | Антистатическое устройство | нержавеющая сталь AISI 304 (аналог 08Х18Н10) | | 8 | Шток | нержавеющая сталь AISI 316 (аналог 08Х17Н14М2) | | 9 | Пружина-бабочка | нержавеющая сталь AISI 304 (аналог 08Х18Н10) | | 10 | Колпачок против ослабления | нержавеющая сталь AISI 304 (аналог 08Х18Н10) | | 14 | Стопорный штифт | нержавеющая сталь AISI 304 (аналог 08Х18Н10) | | 15 | Гайка | нержавеющая сталь A193-8 (аналог 12Х18Н10) | | 16 | Сальниковая набивка | нержавеющая сталь AISI 304 (аналог 08Х18Н10) | | 17 | Уплотнение | PTFE | | 18 | Уплотнительное кольцо | VITON |
|  Эскиз материалов и деталей кранов шаровых DN.ru BV3232P-FP-Fb-ISO-H WDVF Ду80-100 Ру16 полнопроходных, межфланцевых |
Технические параметры блоков подготовки воздуха DN.ru AFC2000| Характеристика | Значение |
|---|
| Рабочее давление, бар | 8 | | Максимальное давление, бар | 10 | | Регулируемый диапазон давления, бар | 0,5 ÷ 9 | | Давление разрушения, бар | 15 | | Подсоединение воздуха | 1/4" | | Рабочая температура, ⁰C | от -5 до +60 | | Размер фильтруемых частиц, мкм | 40 | | Вязкость масла | ISO VG 32 | | Вес, кг | 0,395 |
|  Изображение блоков подготовки воздуха DN.ru AFC2000 |
Технические параметры блоков концевых выключателей DN.ru APL-210N| Характеристика | Значение |
|---|
| Защита корпуса | всепогодный IP65 | | Температура окружающей среды, °C | от -40 до +80 | | Совместимые устройства | четвертьоборотные пневмоприводы; - исполнительные механизмы с поворотом вала на 90° | | Кабельные вводы | 2 x NPT1/2” | | Клеммная колодка | 8 ячеек 0.08-2.6 мм2 | | Напряжение | 12V, 24V, 38V, 48V, 110V, 220V, 250V | | Положение индикатора | ЗАКРЫТО: красный ОТКРЫТО: зелёный | | Датчик | 2 SPDT электромеханических микровыключателя OMRON V151-1C25 тип "сухой контакт" | | Внешнее покрытие | полиэстеровое покрытие (чёрное) | | Вал | стандартный вал – 17 мм |
|  Изображение блоков концевых выключателей DN.ru APL-210N |
Деталировка блоков концевых выключателей DN.ru APL-210N| № | Наименование | Материал |
|---|
| 1 | Корпус | литьевой алюминий | | 2 | Индикаторный колпак | полиэстер пластик | | 3 | 3D-индикатор | ABC -пластик | | 4 | Кулачок | полиэстер пластик | | 5 | Пружина | нержавеющая сталь | | 6 | Винты | нержавеющая сталь | | 7 | Уплотнительные кольца | NBR | | 8 | Втулка | бронза | | 9 | Клемма заземления | нержавеющая сталь | | 10 | Вал | нержавеющая сталь |
| |
Технические параметры пневмораспределителей DN.ru 4V320-08 NAMUR AC220V| Характеристика | Значение |
|---|
| Тип пневмораспределителя | золотниковый | | Материал корпуса | алюминевый сплав и технополимер | | Управление | двустороннее электромагнитное | | Присоединение к пневмоприводу | стыковочная поверхность по стандарту NAMUR (VDI/VDE3845) | | Схема работы | 5/2 – 5 рабочих линий; 2 позиции | | Эффективная площадь сечения, мм2 | 25 (Cv = 1,4) | | Размер порта подвода воздуха (в пневмораспределитель) | G 1/4 | | Размер портов отвода воздуха (в пневмопривод) | 2 х Ø20 | | Размеры выхлопных портов (сброс в атмосферу) | 2 х G 1/4 | | Рабочее давление, бар | 1,5 ÷ 8 | | Максимальное давление, бар | 12 | | Рабочая среда | очищенный воздух (тонкость очистки 40 мкм) | | Напряжение питания, В | 220 | | Полная мощность, В·А | 4,5 | | Допустимые изменения напряжения питания | ±10% | | Степень защиты/класс изоляции | IP65/F | | Температура эксплуатации, °C | от -5 до +50 | | Максимальная частота срабатывания | 5 циклов в секунду | | Минимальное время переключения, с | 0,05 | | Пропускная способность, л/мин | 1 350 | | Средний ресурс, циклов | 20 000 000 | | Вес, кг | 1,200 |
|  Изображение пневмораспределителей DN.ru 4V320-08 NAMUR AC220V |