Кран шаровой DN.ru BV3232P-FP-Fb-ISO-H Ду50 Ру16 полнопроходной двухходовой, нержавеющая сталь, межфланцевый, уплотнение - PTFE, с электроприводом четвертьоборотным DN.ru QT-N-005EM-A1-24VDC-У1 HARK

Модификация
О товаре
Другие диаметры:
Характеристики
| Кран шаровой DN.ru BV3232P-FP-Fb-ISO-H применяется в качестве запорной арматуры в системах теплоснабжения, водоснабжения, в паровых, топливных и пневмосистемах со сжатым воздухом и нейтральными газами. Установка кранов серии BV3232P-FP-Fb-ISO-H возможна в системы, транспортирующие жидкие и газообразные среды (вода, пар, нефтепродукты, нейтральные среды, газообразные среды), неагрессивные к материалам крана. Электроприводы четвертьоборотные DN.ru QT-N-005EM-A1-24VDC-У1 HARK предназначены для дистанционного и местного управления вращением запорного органа на 90° таких типов как кран шаровой и т.п. Они широко применяются в различных отраслях народного хозяйства: в газовой, нефтяной, металлургической, пищевой промышленности, в жилищно-коммунальном хозяйстве и т.д. | |||||||||||||||||||||||||||||||||||||||||||
| Технические параметры крана шарового DN.ru BV3232P-FP-Fb-ISO-H Ду50 Ру16 c электроприводом DN.ru QT-N-005EM-A1-24VDC-У1 HARK:
 |   Кран шаровой DN.ru BV3232P-FP-Fb-ISO-H QT-N-005EM-A1-24VDC-У1 HARK Ду50 Ру16 | ||||||||||||||||||||||||||||||||||||||||||
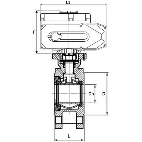
| Габариты и размеры крана шарового DN.ru BV3232P-FP-Fb-ISO-H QT-N-005EM-A1-24VDC-У1 HARK Ду50 Ру16:
 |   Эскиз крана шарового DN.ru BV3232P-FP-Fb-ISO-H QT-N-005EM-A1-24VDC-У1 HARK Ду50 Ру16 | ||||||||||||||||||||||||||||||||||||||||||
| Таблица деталей и материалов крана шарового DN.ru BV3232P-FP-Fb-ISO-H Ду50 Ру16:
 |   Эскиз деталей и материалов крана шарового DN.ru BV3232P-FP-Fb-ISO-H Ду50 Ру16 | ||||||||||||||||||||||||||||||||||||||||||
| Технические параметры электропривода DN.ru QT-N-005EM-A1-24VDC-У1 HARK:
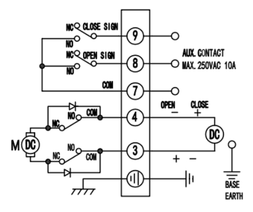
 |   Схема подключения электропривода DN.ru QT-N-005EM-A1-24VDC-У1 HARK | ||||||||||||||||||||||||||||||||||||||||||
| Таблица деталей и материалов электропривода DN.ru QT-N-005EM-A1-24VDC-У1 HARK:
 |   Эскиз деталей и материалов электропривода DN.ru QT-N-005EM-A1-24VDC-У1 HARK | ||||||||||||||||||||||||||||||||||||||||||
Паспорта и сертификаты
Аналоги
График сравнения цен аналогичных кранов для теплоснабжения*. При клике на точку графика получите развернутую информацию.
*Краны подобраны по следующим параметрам: Ду50, Ру16, применение - водоснабжение, теплоснабжение, промышленность, тип присоединения - межфланцевый, проход шара крана - полнопроходной, класс материала корпуса - нержавеющая сталь, управление - Электропривод 24В, водоразборный - нет, наличие колонки управления - нет, тип устройства крана - двухходовой
Доставка
Мы осуществляем доставку по Москве, Московской области, и другим регионам Российской Федерации.
Доставка по г.Москва (в пределах МКАД) и МО осуществляется собственным транспортом или курьером.
Доставка в другие регионы осуществляется при помощи транспортных компаний (СДЭК, Деловые линии, Байкал Сервис).
Самовывоз. Вы сможете самостоятельно забрать заказ оформив самовывоз с нашего склада или пункта выдачи заказов.
Быстрый заказ
Вы можете отправить нам запрос на необходимые позиции и наш менеджер свяжется с вами в ближайшее время для формирования заказа


