Задвижки шиберные DN.ru GVKR3232M-1W-Fb-S Ду80 Ру16 односторонние, межфланцевые, шпиндель - выдвижной, корпус - нержавеющая сталь 316, шибер - нержавеющая сталь 316, уплотнение - металл, управление - штурвал, WENZ
Сортировать по:
актуальности
Поделиться ссылкой на подборку
Артикул: D040-09379
Бренд: DN.ru
Страна производитель: Россия
Тип задвижки: Шиберная
Серия: GVKR
Диаметр: 80 мм
Строительная длина: 51 мм
Температура: 500 °C
Тип присоединения: межфланцевый
Класс материала корпуса: нержавеющая сталь
Управление: Ручное/штурвал/маховик
Конструкция шпинделя: выдвижной
Уплотнение: металл
на 2025-12-08
86 931,69
₽
| Задвижка шиберная предназначена для установки на трубопроводе в качестве запорного устройства и регулирования потока рабочей среды в системах водоснабжения (кроме систем питьевого водопровода) и химической промышленности. Принцип работы шиберной задвижки заключается в перемещении шибера (ножа) перпендикулярно потоку среды. При полном перекрытии диаметра условного прохода трубопровода происходит остановка потока, при частичном — регулировка. | |||||||||||||||||||||||||||||||||||||||||||||||||
Технические характеристики задвижек шиберных DN.ru GVKR3232M-1W-Fb-S Ду80 Ру16 односторонних, межфланцевых, управление - штурвал, WENZ:
|
Задвижки шиберные DN.ru GVKR3232M-1W-Fb-S Ду80 Ру16 односторонние, межфланцевые, шпиндель - выдвижной, корпус - нержавеющая сталь 316, шибер - нержавеющая сталь 316, уплотнение - металл, управление - штурвал, WENZ |
||||||||||||||||||||||||||||||||||||||||||||||||
Габариты и размеры задвижек шиберных DN.ru GVKR3232M-1W-Fb-S Ду80 Ру16 односторонних, межфланцевых, управление - штурвал, WENZ:
|
Эскиз габаритов и размеров задвижек шиберных DN.ru GVKR3232M-1W-Fb-S Ду80 Ру16 односторонних, межфланцевых, управление - штурвал, WENZ |
||||||||||||||||||||||||||||||||||||||||||||||||
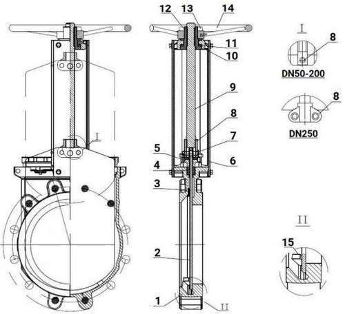
Таблица деталей и материалов задвижек шиберных DN.ru GVKR3232M-1W-Fb-S Ду80 Ру16 односторонних, межфланцевых, управление - штурвал, WENZ:
|
Эскиз деталей и материалов задвижек шиберных DN.ru GVKR3232M-1W-Fb-S Ду80 Ру16 односторонних, межфланцевых, управление - штурвал, WENZ |
||||||||||||||||||||||||||||||||||||||||||||||||
Быстрый заказ
Вы можете отправить нам запрос на необходимые позиции и наш менеджер свяжется с вами в ближайшее время для формирования заказа
Нажмите, чтобы загрузить файлы или перетащите сюда
Максимальный размер файла - 10 Мб. Типы файлов: jpg, jpeg, png, xls, xlsx, doc, docx, pdf.
.jpg)
.jpg)

