Задвижка клиновая предназначена для установки на трубопроводе в качестве запорного устройства в системах водоснабжения и химической промышленности. Клин, соединенный со шпинделем, опускается или поднимается в зависимости от направления вращения штурвала, закрывая или открывая проходное сечение корпуса задвижки. Электроприводы взрывозащищенные с маркировкой взрывозащиты 1ЕхdIIBТ4 многооборотные типа ГЗ-ВА, ВБ, ВВ, ВГ, ВД с двухсторонней муфтой ограничения крутящего момента (тип присоединения к арматуре – по ОСТ 26-07-763-73), применяются для управления трубопроводной запорной арматурой в химической, нефтяной, газовой, энергетической отраслях промышленности. |
Технические характеристики задвижек клиновых 30нж964нж DN.ru GVWR3535M-2W-F-ОСТ Ду100 Ру25 фланцевых| Характеристика | Значение |
|---|
| Номинальный диаметр DN, мм | 100 | | Номинальное давление PN, бар | 25 | | Температура рабочей среды t, °C | от -29 до +425 | | Рабочая среда | вода, пар, нефтепродукты и другие жидкие или газообразные среды, нейтральные к применяемым материалам | | Направление потока | двустороннее | | Класс герметичности | А ГОСТ 9544-2015 | | Присоединение к трубопроводу | фланцевое | | Тип клина | двухдисковый | | Сферы применения | системы отопления и водоснабжения; промышленные трубопроводы | | Средний срок службы, лет | 15 |
|  Изображение задвижек клиновых 30нж964нж DN.ru GVWR3535M-2W-F-ОСТ Ду100 Ру25 фланцевых |
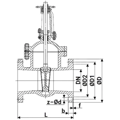
Габаритные и установочные размеры задвижек клиновых 30нж964нж DN.ru GVWR3535M-2W-F-ОСТ Ду100 Ру25 фланцевых| Модель | DN, мм | L, мм | ØD, мм | ØD1, мм | ØD2, мм | b, мм | f, мм | z–Ød, мм |
|---|
| Ду100 | 100 | 300 | 230 | 190 | 159 | 24 | 3 | 8-Ø22 |
|  Эскиз габаритов задвижек клиновых 30нж964нж DN.ru GVWR3535M-2W-F-ОСТ Ду100 Ру25 фланцевых |
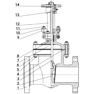
Деталировка задвижек клиновых 30нж964нж DN.ru GVWR3535M-2W-F-ОСТ Ду100 Ру25 фланцевых| № | Наименование детали | Материал детали |
|---|
| 1 | Корпус | сталь 12Х18Н9ТЛ | | 2 | Клин | сталь 12Х18Н9ТЛ | | 3 | Шток | сталь 12Х18Н9ТЛ | | 4 | Прокладка | сталь нержавеющая + графит | | 5 | Болт | сталь A 193 Grade B8 (аналог 08X18H10T) | | 6 | Гайка | сталь A 194 Grade 8 (аналог 08Х18Н10Т) | | 7 | Крышка | сталь 12Х18Н9ТЛ | | 8 | Уплотнение шпинделя | графит терморасширенный | | 9 | Скоба | сталь 12Х18Н9ТЛ | | 10 | Гайка | сталь A 194 Grade 8 (аналог 08Х18Н10Т) | | 11 | Рым-болт | сталь A 193 Grade B8 (аналог 08X18H10T) | | 12 | Стойка | сталь 12Х18Н9ТЛ | | 13 | Подшипник | | | 14 | Гайка штока | латунь |
|  Эскиз деталировки задвижек клиновых 30нж964нж DN.ru GVWR3535M-2W-F-ОСТ Ду100 Ру25 фланцевых |
Основные параметры электроприводов ГЗ-В 380В| Характеристика | Значение |
|---|
| Тип электропривода | многооборотный | | Напряжение питания | 380В | | Взрывозащита корпуса | есть | | Страна производитель | Россия | | Бренд | ГЗ |
|  Изображение электроприводов ГЗ-В 380В |