Задвижки клиновые 30нж941нж DN.ru GAIR GVWR2424M-2W-F-ОСТ фланцевые, корпус - сталь 12Х18Н9ТЛ, материал клина - сталь 12Х18Н9ТЛ, уплотнение - металл, с ОСТ-фланцем, голым штоком, с электроприводом DN.ru MT-N-xEM-O2-220VAC-У1 220В

Aquaflame 2026 (2)
Aquaflame 2026 (2)-mobile
СТМ многоступенчатые насосы 2
СТМ многоступенчатые насосы 2-mobile
КИПиА Акваконтроль 2
КИПиА Акваконтроль 2-mobile
Задвижка клиновая предназначена для установки на трубопроводе в качестве запорного устройства в системах водоснабжения и химической промышленности.
Принцип работы: Клин, соединенный со шпинделем, опускается или поднимается в зависимости от направления вращения штурвала, закрывая или открывая проходное сечение корпуса задвижки.
Электропривод многооборотный предназначен для управления запорной промышленной трубопроводной арматурой, например, чугунными и стальными задвижками, шиберными заслонками, шаровыми кранами и т.п.
Применение: электропривод позволяет использовать арматуру в системах автоматического управления теплоснабжением, водоснабжением гражданских и промышленных объектов.
Принцип работы: данный электропривод применим в повторно-кратковременном режиме S2 по ГОСТ 183-74 с продолжительностью включения (ПВ) 15%. Питание электроприводов, в зависимости от исполнения, осуществляется от сети переменного тока 50Гц 220В 1 фаза или 380В 3 фазы.

Технические характеристики задвижек клиновых 30нж941нж DN.ru GAIR GVWR2424M-2W-F-ОСТ фланцевых, с ОСТ-фланцем, голым штоком, под электропривод:

Характеристика Значение
Тип задвижки Клиновая
Диаметр 50 мм
Давление номинальное 16 бар
Среда вода, пар, нефтепродукты, газообразные среды
Температура рабочей среды от -29 до +425°C
Применение водоснабжение, теплоснабжение
Тип присоединения фланцевый
Тип управления электропривод
Страна производитель Россия
Срок службы 15 лет
Гарантия 1 г.
Задвижки клиновые 30нж941нж DN.ru GAIR GVWR2424M-2W-F-ОСТ фланцевые, корпус - сталь 12Х18Н9ТЛ, материал клина - сталь 12Х18Н9ТЛ, уплотнение - металл, с ОСТ-фланцем, голым штоком, с электроприводом DN.ru MT-N-xEM-O2-220VAC-У1 220В

Задвижки клиновые 30нж941нж DN.ru GAIR GVWR2424M-2W-F-ОСТ фланцевые, корпус - сталь 12Х18Н9ТЛ, материал клина - сталь 12Х18Н9ТЛ, уплотнение - металл, с ОСТ-фланцем, голым штоком, с электроприводом DN.ru MT-N-xEM-O2-220VAC-У1 220В

Технические характеристики электроприводов DN.ru MT-N-xEM-О2-220VAC-У1:

Характеристика Значение
Тип электропривода многооборотный
Напряжение питания 220В
Температура окружающей среды от -28°C до +60°C
Максимальное число оборотов привода 50
Степень защиты корпуса IP67
Температура срабатывания внутренней тепловой защиты 90°C
Тип ISO-фланца F10,F14
Страна производитель Китай
Электроприводы DN.ru MT-N-xEM-О2-220VAC-У1

Электроприводы DN.ru MT-N-xEM-О2-220VAC-У1

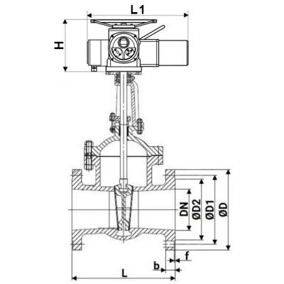
Габаритные и установочные размеры задвижек клиновых 30нж941нж DN.ru GAIR GVWR2424M-2W-F-ОСТ фланцевых, с ОСТ-фланцем, голым штоком, под электропривод:

Диаметр L, мм D, мм D1, мм D2, мм b, мм f, мм
DN50 180 160 125 100 16 3
Задвижки клиновые 30нж941нж DN.ru GAIR GVWR2424M-2W-F-ОСТ фланцевые, корпус - сталь 12Х18Н9ТЛ, материал клина - сталь 12Х18Н9ТЛ, уплотнение - металл, с ОСТ-фланцем, голым штоком, с электроприводом DN.ru MT-N-xEM-O2-220VAC-У1 220В

Эскиз габаритов задвижек клиновых 30нж941нж DN.ru GAIR GVWR2424M-2W-F-ОСТ фланцевых, с ОСТ-фланцем, голым штоком, под электропривод

Габаритные и установочные размеры электроприводов DN.ru MT-N-xEM-О2-220VAC-У1:

Модель H, мм H1, мм L, мм L1, мм
MT-N-020EM-02-x-У1 248 90 435 278
MT-N-030EM-02-x-У1 248 90 435 278
MT-N-045EM-02-x-У1 325 116 640 410
MT-N-060EM-02-x-У1 325 116 640 410
электроприводов DN.ru MT-N-xEM-О2-220VAC-У1

Эскиз габаритов электроприводов DN.ru MT-N-xEM-О2-220VAC-У1

Материалы деталей задвижек клиновых 30нж941нж DN.ru GAIR GVWR2424M-2W-F-ОСТ фланцевых, с ОСТ-фланцем, голым штоком, под электропривод:

№ п/п Наименование детали Материал
1 Корпус сталь 12Х18Н9ТЛ
2 Клин сталь 12Х18Н9ТЛ
3 Крепление клина сталь 12Х18Н9ТЛ
4 Шток сталь 12Х18Н9ТЛ
5 Прокладка сталь 12Х18Н9ТЛ + графит
6 Крышка сталь 12Х18Н9ТЛ
7 Шпилька нержавеющая сталь SS 201 (аналог 12Х15Г9НД)
8 Гайка нержавеющая сталь SS 201 (аналог 12Х15Г9НД)
9 Уплотнение шпинделя графит терморасширенный
10 Сальниковое уплотнение нержавеющая сталь SS 201 (аналог 12Х15Г9НД)
11 Скоба сталь 12Х18Н9ТЛ
12 Гайка штока алюминиевая бронза ZCuAl10Fe3 (аналог БрАЖ9-4)
Задвижки клиновые 30нж941нж DN.ru GAIR GVWR2424M-2W-F-ОСТ фланцевые, корпус - сталь 12Х18Н9ТЛ, материал клина - сталь 12Х18Н9ТЛ, уплотнение - металл, с ОСТ-фланцем, голым штоком, с электроприводом DN.ru MT-N-xEM-O2-220VAC-У1 220В

Эскиз материалов задвижек клиновых 30нж941нж DN.ru GAIR GVWR2424M-2W-F-ОСТ фланцевых, с ОСТ-фланцем, голым штоком, под электропривод

Быстрый заказ

Вы можете отправить нам запрос на необходимые позиции и наш менеджер свяжется с вами в ближайшее время для формирования заказа

Нажмите, чтобы загрузить файлы или перетащите сюда
Максимальный размер файла - 10 Мб. Типы файлов: jpg, jpeg, png, xls, xlsx, doc, docx, pdf.