Электропривод четвертьоборотный DN.ru QT-N-003EM-O1-220VAC-У1 220В, HARK

Артикул: D300-08218   

О товаре

Артикул:
D300-08218
Бренд:
DN.ru
AUMA
BERNARD
Dendor
Genebre
Kvant
PS Automation
Tecofi
ГЗ
Рашворк
СибЗТА
Страна производитель:
Китай
Тип электропривода:
Четвертьоборотный
Крутящий момент:
Напряжение питания:
220В
12В
230В
24В
380В
400В
Степень защиты корпуса:
IP67
IP65
IP68
Наличие взрывозащиты:
нет
есть
Наличие тепловой защиты:
есть
нет
Все характеристики
на 2026-12-31
21 063,3
Гарантия 12 месяцев
Возможна отсрочка до 90 дней
В избранное
Бесплатная доставка до ТК
Сертифицированный товар
Подходящие шкафы управления

Шкафы управления электроприводом

Для задвижек, затворов и клапанов с электроприводом. Местное и дистанционное управление, защита привода, световая индикация

Характеристики

Электропривод четвертьоборотный DN.ru QT-N-003EM-O1-220VAC-У1 220В, HARK предназначен для дистанционного и местного управления запорной трубопроводной арматурой, имеющей четвертьоборотный запорный орган. Применяется в различных отраслях народного хозяйства: в газовой, нефтяной, металлургической, пищевой промышленности, в жилищно-коммунальном хозяйстве и т.д.

Технические параметры электропривода четвертьоборотного DN.ru QT-N-003EM-O1-220VAC-У1 220В HARK

  • Тип электропривода - Четвертьоборотный
  • Модель привода - QT-N-003EM-O1-220VAC-У1 HARK
  • Применение (Вид арматуры) - Краны шаровые, Затворы
  • Напряжение питания - 220В
  • Степень защиты корпуса IP - 67
  • Наличие ручного дублера - Шестигранник
  • Датчик обратной связи - Концевые выключатели
  • Потребляемая мощность - 6 Вт
  • Крутящий момент привода - 30 Нм
  • Номинальный потребляемый ток - 0.24 А
  • Сигнал управления - ON/OFF
  • Взрывозащита - нет
  • Тип фланца - F05, F07
  • Размер штока арматуры квадрат для привода - 14х14 мм
  • Тепловая защита - есть
  • Время цикла открытия/закрытия - 10 сек.
  • Частота - 50Гц
  • Угол поворота привода - 90 °
  • Кабельный ввод - гермоввод 2xM18
  • Уровень шума - 50 дБ
  • Бренд - DN.ru
  • Страна производитель привода - Китай
  • Гарантия - 12 мес.
  • Вес - 2.1 кг
Электропривод четвертьоборотный DN.ru QT-N-003EM-O1-220VAC-У1 220В, HARK

Изображение электропривода четвертьоборотного DN.ru QT-N-003EM-O1-220VAC-У1 220В HARK

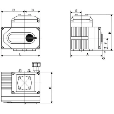
Габариты и размеры электропривода четвертьоборотного DN.ru QT-N-003EM-O1-220VAC-У1 220В HARK

  • L - 123 мм
  • H - 115 мм
  • A - 101 мм
  • B - 98 мм
  • C - 74 мм
  • D - 49 мм
  • E - 34.5 мм
  • F - 35 мм
  • G - 5 мм
Электропривод четвертьоборотный DN.ru QT-N-003EM-O1-220VAC-У1 220В, HARK

Эскиз габаритов электропривода четвертьоборотного DN.ru QT-N-003EM-O1-220VAC-У1 220В HARK

Деталировка электропривода четвертьоборотного DN.ru QT-N-003EM-O1-220VAC-У1 220В HARK

Наименование детали
1Индикатор положения
2Верхняя крышка
3Плата управления
4Конденсатор
5Нажимные кулачки
6Выходной вал с червячным колесом
7Корпус
8Ограничители хода выходного вала
9Червячный вал
10Электродвигатель
11Редуктор
12Крышка редуктора
Электропривод четвертьоборотный DN.ru QT-N-003EM-O1-220VAC-У1 220В, HARK

Эскиз деталировки электропривода четвертьоборотного DN.ru QT-N-003EM-O1-220VAC-У1 220В HARK

Аналоги

График сравнения цен аналогичных электроприводов*. При клике на точку графика получите развернутую информацию.

*Электроприводы подобраны по следующим параметрам: Тип электропривода - Четвертьоборотный, напряжение питания - 220В, крутящий момент привода - 30 Нм, взрывозащита - нет

295,000
236,000
177,000
118,000
59,000
0
DN.ru
QT-N-EM-O1-220VAC-У1
DN.ru
QT-N-EM-O1-220VAC-У1
DN.ru
QT-N-EM-O1-220VAC-У1 HARK
DN.ru
QT-N-EM-O1-220VAC-У1
Рашворк
900 220В
DN.ru
QTSA-N-EM-O0-220VAC

Доставка

Условия доставки:

Мы осуществляем доставку по Москве, Московской области, и другим регионам Российской Федерации.

Доставка по г.Москва (в пределах МКАД) и МО осуществляется собственным транспортом или курьером.

Доставка в другие регионы осуществляется при помощи транспортных компаний (СДЭК, Деловые линии, Байкал Сервис).

Самовывоз. Вы сможете самостоятельно забрать заказ, оформив самовывоз с нашего склада или пункта выдачи заказов.

Быстрый заказ

Вы можете отправить нам запрос на необходимые позиции и наш менеджер свяжется с вами в ближайшее время для формирования заказа

Нажмите, чтобы загрузить файлы или перетащите сюда
Максимальный размер файла - 10 Мб. Типы файлов: jpg, jpeg, png, xls, xlsx, doc, docx, pdf.