Насос фекальный FANCY WQV50/1.5D погружной, корпус - чугун, мощность - 1.5кВт, напор - 14м, производительность - 333л/мин, 220В

О товаре
Другие модели
Характеристики
Погружные канализационные насосы FANCY из чугуна серии WQV с колесом VORTEX предназначены для откачивания сточных, канализационных, грунтовых и поверхностных вод, содержащих твердые частицы. Используется в жилых кварталах, в коммунальном хозяйстве, строительстве, тяжелой промышленности, откачка септических баков, из отстойников и резервуаров со сточными водами, удаление воды из ёмкостей и колодцев в промышленном применении, удаление воды из баков и резервуаров и др. | |||||||||||||||||||||||||||||||||||||||||||||||||
Технические характеристики насоса фекального FANCY WQV50/1.5D погружного
| ![]() Изображение насоса фекального FANCY WQV50/1.5D погружного | ||||||||||||||||||||||||||||||||||||||||||||||||
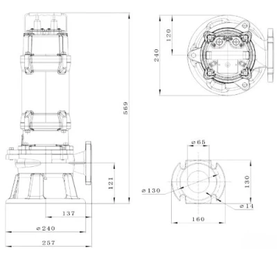
Габаритные и установочные размеры насоса фекального FANCY WQV50/1.5D погружного
| ![]() Эскиз габаритов насоса фекального FANCY WQV50/1.5D погружного | ||||||||||||||||||||||||||||||||||||||||||||||||
Материалы насоса фекального FANCY WQV50/1.5D погружного
| ![]() Эскиз материалов насоса фекального FANCY WQV50/1.5D погружного |
Паспорта и сертификаты
Аналоги
График сравнения цен аналогичных насосов*.
*Насосы подобраны по следующим параметрам: тип насоса - насос, вид - фекальный, конструкция - центробежный, напряжение питания - 220В, потребляемая мощность - 1500 Вт, производительность (литры в мин) - 333, производительность (куб. метр в час) - 20, напор - 14 м вод. ст., глубина погружения - 5 м
Доставка
Мы осуществляем доставку по Москве, Московской области, и другим регионам Российской Федерации.
Доставка по г.Москва (в пределах МКАД) и МО осуществляется собственным транспортом или курьером.
Доставка в другие регионы осуществляется при помощи транспортных компаний (СДЭК, Деловые линии, Байкал Сервис).
Самовывоз. Вы сможете самостоятельно забрать заказ оформив самовывоз с нашего склада или пункта выдачи заказов.
Быстрый заказ
Вы можете отправить нам запрос на необходимые позиции и наш менеджер свяжется с вами в ближайшее время для формирования заказа