Насосы центробежные, самовсасывающие Calpeda NMPM поверхностные, корпус - чугун, мощность - 0.55-1.5кВт, напор - 12-22.5м, производительность - 250-1000л/мин, 220В

NY2026 - all categories (2)
NY2026 - all categories (2)-mobile
Aquaflame 2026 (2)
Aquaflame 2026 (2)-mobile
СТМ многоступенчатые насосы 2
СТМ многоступенчатые насосы 2-mobile
КИПиА Акваконтроль 2
КИПиА Акваконтроль 2-mobile

Насосы относятся к типу самовсасывающих центробежных моноблочных, отличаются надежностью и эффективностью, при этом обладая демократичной стоимостью.

Технические параметры насосов центробежных, самовсасывающих Calpeda NMPM

ХарактеристикаЗначение
Тип оборудованиянасос
Вид насосапо конструкции
Материал корпусачугун
Место установкиповерхностный
Положениегоризонтальный
Сегментпромышленный
ПожарныйНет
Степень защитыIP54
ПрименениеВодоснабжение
БрендCalpeda
Страна брендаИталия
Насосы центробежные, самовсасывающие Calpeda NMPM поверхностные, корпус - чугун, мощность - 0.55-1.5кВт, напор - 12-22.5м, производительность - 250-1000л/мин, 220В

Изображение насосов центробежных, самовсасывающих Calpeda NMPM

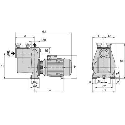
Габариты и размеры насосов центробежных, самовсасывающих Calpeda NMPM

Модельa, ммfM, ммh1, ммh2, ммH, ммh5, ммm1, ммm2, ммn1, ммDN1, дюймDN2, дюймn2, ммn3, ммb, ммs, ммl1, ммl2, ммw, ммg1, мм
32/12FE19551023050228320100701902″2″1403050141069922012
32/12SE19551023050228320100701902″2″1403050141069922012
50/12GE20554026260240360100702402 1/2″2 1/2″19037501412011723412
Насосы центробежные, самовсасывающие Calpeda NMPM поверхностные, корпус - чугун, мощность - 0.55-1.5кВт, напор - 12-22.5м, производительность - 250-1000л/мин, 220В

Эскиз (эскизы) габаритов насосов центробежных, самовсасывающих Calpeda NMPM

Деталировка насосов центробежных, самовсасывающих Calpeda NMPM

НаименованиеМатериал
Корпус насосаЧугун GJL 200 EN 1561
Соединительная частьЧугун GJL 200 EN 1561
Рабочее колесоЧугун GJL 200 EN 1561
ВалХромоникелевая сталь 1.4305 EN 10088 (AISI 303)
Крышка фильтраЧугун GJL 200 EN 1561
ФильтрХромоникелевая сталь 1.4301 EN 10088 (AISI 304)
Мех. уплотнениеУголь-керамика-FPM
Насосы центробежные, самовсасывающие Calpeda NMPM поверхностные, корпус - чугун, мощность - 0.55-1.5кВт, напор - 12-22.5м, производительность - 250-1000л/мин, 220В

Эскиз деталировки насосов центробежных, самовсасывающих Calpeda NMPM

Быстрый заказ

Вы можете отправить нам запрос на необходимые позиции и наш менеджер свяжется с вами в ближайшее время для формирования заказа

Нажмите, чтобы загрузить файлы или перетащите сюда
Максимальный размер файла - 10 Мб. Типы файлов: jpg, jpeg, png, xls, xlsx, doc, docx, pdf.