Насосы моноблочные Calpeda B-TM поверхностные, корпус - бронза, мощность - 0.45кВт, напор - 44м, производительность - 50л/мин, 220В

NY2026 - all categories (2)
NY2026 - all categories (2)-mobile
Aquaflame 2026 (2)
Aquaflame 2026 (2)-mobile
СТМ многоступенчатые насосы 2
СТМ многоступенчатые насосы 2-mobile
КИПиА Акваконтроль 2
КИПиА Акваконтроль 2-mobile

Насосы Calpeda B-TM могут использоваться для широкого круга задач благодаря возможности работы с жидкостями разного химического состава низких и высоких температур: обеспечение водой промышленности, сельского хозяйства, строительной сферы и ЖКХ.

Технические параметры насосов моноблочных Calpeda B-TM

ХарактеристикаЗначение
Тип оборудованиянасос
Вид насосапо конструкции
Материал корпусабронза
Место установкиповерхностный
Положениегоризонтальный
Сегментпромышленный
ПожарныйНет
Степень защитыIP54
ПрименениеВодоснабжение, Полив
БрендCalpeda
Страна брендаИталия
Насосы моноблочные Calpeda B-TM поверхностные, корпус - бронза, мощность - 0.45кВт, напор - 44м, производительность - 50л/мин, 220В

Изображение насосов моноблочных Calpeda B-TM

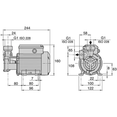
Габариты и размеры насосов моноблочных Calpeda B-TM

МодельШирина, ммВысота, ммГлубина, мм
B-TM 65244160122
Насосы моноблочные Calpeda B-TM поверхностные, корпус - бронза, мощность - 0.45кВт, напор - 44м, производительность - 50л/мин, 220В

Эскиз (эскизы) габаритов насосов моноблочных Calpeda B-TM

Деталировка насосов моноблочных Calpeda B-TM

НаименованиеМатериал
Корпус насосаБронза G-Cu Sn 10 EN 1982
Соединительная частьБронза G-Cu Sn 10 EN 1982
Крышка корпусаБронза G-Cu Sn 10 EN 1982
Рабочее колесоБронза/Латунь
ВалХромоникелевомолибденовая сталь AISI 316
Мех. уплотнениеУголь-керамика-NBR
Насосы моноблочные Calpeda B-TM поверхностные, корпус - бронза, мощность - 0.45кВт, напор - 44м, производительность - 50л/мин, 220В

Эскиз деталировки насосов моноблочных Calpeda B-TM

Быстрый заказ

Вы можете отправить нам запрос на необходимые позиции и наш менеджер свяжется с вами в ближайшее время для формирования заказа

Нажмите, чтобы загрузить файлы или перетащите сюда
Максимальный размер файла - 10 Мб. Типы файлов: jpg, jpeg, png, xls, xlsx, doc, docx, pdf.