Насосы центробежные, моноблочные Calpeda NM 6 резьбовые, поверхностные, корпус - чугун, мощность - 0.75-1.1кВт, напор - 30.5-35.5м, производительность - 125-140л/мин, 380В

NY2026 - all categories (2)
NY2026 - all categories (2)-mobile
Aquaflame 2026 (2)
Aquaflame 2026 (2)-mobile
СТМ многоступенчатые насосы 2
СТМ многоступенчатые насосы 2-mobile
КИПиА Акваконтроль 2
КИПиА Акваконтроль 2-mobile

Центробежные насосы Calpeda NM имеют моноблочный тип и решают широкий спектр задач перерабатывающей промышленности, сельского хозяйства, сферы ЖКХ и бытовых услуг.

Технические параметры насосов центробежных, моноблочных Calpeda NM 6

ХарактеристикаЗначение
Тип оборудованиянасос
Вид насосапо конструкции
Материал корпусачугун
Место установкиповерхностный
Положениегоризонтальный
Сегментпромышленный
ПожарныйДа
Степень защитыIP54
ПрименениеВодоснабжение, Отопление
БрендCalpeda
Страна брендаИталия
Насосы центробежные, моноблочные Calpeda NM 6 резьбовые, поверхностные, корпус - чугун, мощность - 0.75-1.1кВт, напор - 30.5-35.5м, производительность - 125-140л/мин, 380В

Изображение насосов центробежных, моноблочных Calpeda NM 6

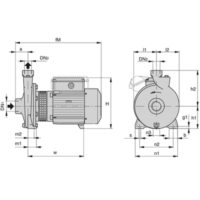
Габариты и размеры насосов центробежных, моноблочных Calpeda NM 6

Модельa, ммfM, ммh1, ммh2, ммH, ммm1, ммm2, ммn1, ммn2, ммDN1, дюймDN2, дюймn3, ммb, ммs, ммl1, ммl2, ммw, ммg1, мм
6/A5334910015021337.527.51901501 1/4″1″17389.510210222510
6/B5334910015021337.527.51901501 1/4″1″17389.510210222510
Насосы центробежные, моноблочные Calpeda NM 6 резьбовые, поверхностные, корпус - чугун, мощность - 0.75-1.1кВт, напор - 30.5-35.5м, производительность - 125-140л/мин, 380В

Эскиз (эскизы) габаритов насосов центробежных, моноблочных Calpeda NM 6

Деталировка насосов центробежных, моноблочных Calpeda NM 6

НаименованиеМатериал
Корпус насосаЧугун GJL 200 EN 1561
Соединительная частьЧугун GJL 200 EN 1561
Рабочее колесоЛатунь P-Cu Zn 40 Pb 2 UNI 5705
ВалСталь
Мех. уплотнениеУголь-керамика-NBR
Насосы центробежные, моноблочные Calpeda NM 6 резьбовые, поверхностные, корпус - чугун, мощность - 0.75-1.1кВт, напор - 30.5-35.5м, производительность - 125-140л/мин, 380В

Эскиз деталировки насосов центробежных, моноблочных Calpeda NM 6

Быстрый заказ

Вы можете отправить нам запрос на необходимые позиции и наш менеджер свяжется с вами в ближайшее время для формирования заказа

Нажмите, чтобы загрузить файлы или перетащите сюда
Максимальный размер файла - 10 Мб. Типы файлов: jpg, jpeg, png, xls, xlsx, doc, docx, pdf.