Насосы центробежные, моноблочные Calpeda NM4 25 резьбовые, поверхностные, корпус - чугун, мощность - 0.25-0.75кВт, напор - 6.1-14.5м, производительность - 100-220л/мин, 380В

NY2026 - all categories (2)
NY2026 - all categories (2)-mobile
Aquaflame 2026 (2)
Aquaflame 2026 (2)-mobile
СТМ многоступенчатые насосы 2
СТМ многоступенчатые насосы 2-mobile
КИПиА Акваконтроль 2
КИПиА Акваконтроль 2-mobile

Насосы Calpeda NM4 относятся к моноблочным центробежным насосам, имеющим консольно-моноблочный формат.

Технические параметры насосов центробежных, моноблочных Calpeda NM4 25

ХарактеристикаЗначение
Тип оборудованиянасос
Вид насосапо конструкции
Материал корпусачугун
Место установкиповерхностный
Положениегоризонтальный
Сегментпромышленный
ПожарныйНет
Степень защитыIP54
ПрименениеВодоснабжение
БрендCalpeda
Страна брендаИталия
Насосы центробежные, моноблочные Calpeda NM4 25 резьбовые, поверхностные, корпус - чугун, мощность - 0.25-0.75кВт, напор - 6.1-14.5м, производительность - 100-220л/мин, 380В

Изображение насосов центробежных, моноблочных Calpeda NM4 25

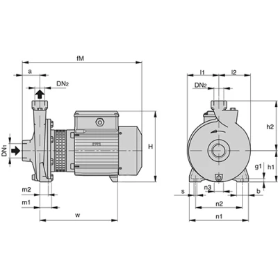
Габариты и размеры насосов центробежных, моноблочных Calpeda NM4 25

Модельa, ммfM, ммh1, ммh2, ммH, ммm1, ммm2, ммn1, ммn2, ммDN1, дюймDN2, дюймn3, ммb, ммs, ммl1, ммl2, ммw, ммg1, мм
25/12A/A563139014019937.527.51701301 1/2″1″9389.5858825010
25/200A/C634251251802534532.52452001 1/2″1″494511.512512525011
Насосы центробежные, моноблочные Calpeda NM4 25 резьбовые, поверхностные, корпус - чугун, мощность - 0.25-0.75кВт, напор - 6.1-14.5м, производительность - 100-220л/мин, 380В

Эскиз (эскизы) габаритов насосов центробежных, моноблочных Calpeda NM4 25

Деталировка насосов центробежных, моноблочных Calpeda NM4 25

НаименованиеМатериал
Корпус насосаЧугун GJL 200 EN 1561
Соединительная частьЧугун GJL 200 EN 1561
Рабочее колесоЛатунь P-Cu Zn 40 Pb 2 UNI 5705
ВалСталь
Мех. уплотнениеУголь-керамика-NBR
Насосы центробежные, моноблочные Calpeda NM4 25 резьбовые, поверхностные, корпус - чугун, мощность - 0.25-0.75кВт, напор - 6.1-14.5м, производительность - 100-220л/мин, 380В

Эскиз деталировки насосов центробежных, моноблочных Calpeda NM4 25

Быстрый заказ

Вы можете отправить нам запрос на необходимые позиции и наш менеджер свяжется с вами в ближайшее время для формирования заказа

Нажмите, чтобы загрузить файлы или перетащите сюда
Максимальный размер файла - 10 Мб. Типы файлов: jpg, jpeg, png, xls, xlsx, doc, docx, pdf.