Насосы центробежные, моноблочные Calpeda BNMM поверхностные, корпус - бронза, мощность - 0.55кВт, напор - 12.5м, производительность - 250л/мин, 220В

NY2026 - all categories (2)
NY2026 - all categories (2)-mobile
Aquaflame 2026 (2)
Aquaflame 2026 (2)-mobile
СТМ многоступенчатые насосы 2
СТМ многоступенчатые насосы 2-mobile
КИПиА Акваконтроль 2
КИПиА Акваконтроль 2-mobile

Центробежные насосы Calpeda B-NMM имеют консольно-моноблочный тип, исполнены с горизонтальным всасывающим патрубком и валом, и напорным патрубком с вертикальным расположением.

Технические параметры насосов центробежных, моноблочных Calpeda BNMM

ХарактеристикаЗначение
Тип оборудованиянасос
Вид насосапо конструкции
Материал корпусабронза
Место установкиповерхностный
Положениегоризонтальный
Сегментпромышленный
ПожарныйДа
Степень защитыIP54
ПрименениеВодоснабжение, Полив
БрендCalpeda
Страна брендаИталия
Насосы центробежные, моноблочные Calpeda BNMM поверхностные, корпус - бронза, мощность - 0.55кВт, напор - 12.5м, производительность - 250л/мин, 220В

Изображение насосов центробежных, моноблочных Calpeda BNMM

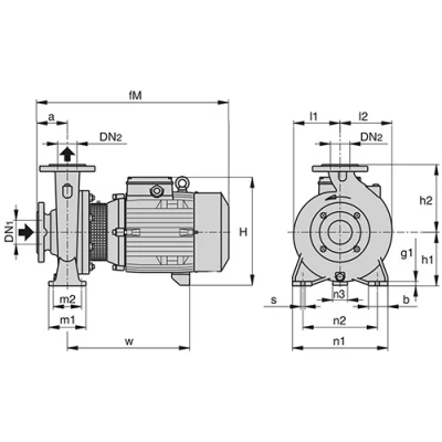
Габариты и размеры насосов центробежных, моноблочных Calpeda BNMM

МодельDN1, ммDN2, ммa, ммfM, ммh1, ммh2, ммH, ммm1, ммm2, ммn1, ммn2, ммb, ммs, ммl1, ммl2, ммw, ммn3, ммg1, мм
32/12F50328040511214024010070190140501493972453712
Насосы центробежные, моноблочные Calpeda BNMM поверхностные, корпус - бронза, мощность - 0.55кВт, напор - 12.5м, производительность - 250л/мин, 220В

Эскиз (эскизы) габаритов насосов центробежных, моноблочных Calpeda BNMM

Деталировка насосов центробежных, моноблочных Calpeda BNMM

НаименованиеМатериал
Корпус насосаБронза G-Cu Sn 10 EN 1982
Соединительная частьБронза G-Cu Sn 10 EN 1982
Рабочее колесоБронза G-Cu Sn 10 EN 1982
ВалСталь
Мех. уплотнениеУголь-керамика-NBR
КонтрфланцыСталь Fe 430B UNI 7070
Насосы центробежные, моноблочные Calpeda BNMM поверхностные, корпус - бронза, мощность - 0.55кВт, напор - 12.5м, производительность - 250л/мин, 220В

Эскиз деталировки насосов центробежных, моноблочных Calpeda BNMM

Быстрый заказ

Вы можете отправить нам запрос на необходимые позиции и наш менеджер свяжется с вами в ближайшее время для формирования заказа

Нажмите, чтобы загрузить файлы или перетащите сюда
Максимальный размер файла - 10 Мб. Типы файлов: jpg, jpeg, png, xls, xlsx, doc, docx, pdf.