Насосы центробежные, моноблочные Calpeda BNM4 100 фланцевые, поверхностные, корпус - бронза, мощность - 3-5.5кВт, напор - 9.4-15.2м, производительность - 2500-3200л/мин, 380В

NY2026 - all categories (2)
NY2026 - all categories (2)-mobile
Aquaflame 2026 (2)
Aquaflame 2026 (2)-mobile
СТМ многоступенчатые насосы 2
СТМ многоступенчатые насосы 2-mobile
КИПиА Акваконтроль 2
КИПиА Акваконтроль 2-mobile

Насосы Calpeda B-NM4 относятся к моноблочным центробежным насосам, имеющим консольно-моноблочный формат.

Технические параметры насосов центробежных, моноблочных Calpeda BNM4 100

ХарактеристикаЗначение
Тип оборудованиянасос
Вид насосапо конструкции
Материал корпусабронза
Место установкиповерхностный
Положениегоризонтальный
Сегментпромышленный
ПожарныйНет
Степень защитыIP54
ПрименениеВодоснабжение
БрендCalpeda
Страна брендаИталия
Насосы центробежные, моноблочные Calpeda BNM4 100 фланцевые, поверхностные, корпус - бронза, мощность - 3-5.5кВт, напор - 9.4-15.2м, производительность - 2500-3200л/мин, 380В

Изображение насосов центробежных, моноблочных Calpeda BNM4 100

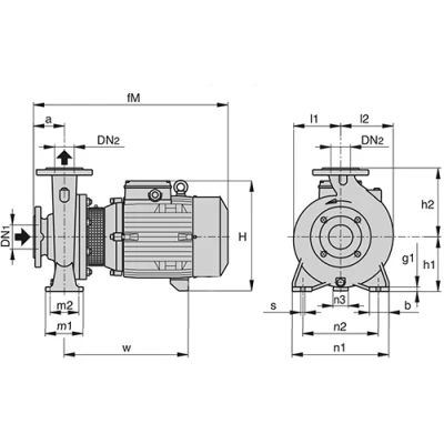
Габариты и размеры насосов центробежных, моноблочных Calpeda BNM4 100

МодельDN1, ммDN2, ммa, ммfM, ммh1, ммh2, ммH, ммm1, ммm2, ммn1, ммn2, ммn3, ммb, ммs, ммl1, ммl2, ммw, ммg1, мм
100/20A/C12510012566520028038516012036028060801818021240020
100/20B/A12510012556520028036016012036028060801818021233020
100/20C/A12510012556520028036016012036028060801818021233020
Насосы центробежные, моноблочные Calpeda BNM4 100 фланцевые, поверхностные, корпус - бронза, мощность - 3-5.5кВт, напор - 9.4-15.2м, производительность - 2500-3200л/мин, 380В

Эскиз (эскизы) габаритов насосов центробежных, моноблочных Calpeda BNM4 100

Деталировка насосов центробежных, моноблочных Calpeda BNM4 100

НаименованиеМатериал
Корпус насосаБронза G-Cu Sn 10 EN 1982
Соединительная частьБронза G-Cu Sn 10 EN 1982
Рабочее колесоБронза G-Cu Sn 10 EN 1982
ВалСталь
Мех. уплотнениеУголь-керамика-NBR
КонтрфланцыСталь Fe 430B UNI 7070
Насосы центробежные, моноблочные Calpeda BNM4 100 фланцевые, поверхностные, корпус - бронза, мощность - 3-5.5кВт, напор - 9.4-15.2м, производительность - 2500-3200л/мин, 380В

Эскиз деталировки насосов центробежных, моноблочных Calpeda BNM4 100

Быстрый заказ

Вы можете отправить нам запрос на необходимые позиции и наш менеджер свяжется с вами в ближайшее время для формирования заказа

Нажмите, чтобы загрузить файлы или перетащите сюда
Максимальный размер файла - 10 Мб. Типы файлов: jpg, jpeg, png, xls, xlsx, doc, docx, pdf.