Насосы моноблочные Calpeda B-CT поверхностные, корпус - бронза, мощность - 0.33кВт, напор - 41м, производительность - 38л/мин, 380В

NY2026 - all categories (2)
NY2026 - all categories (2)-mobile
Aquaflame 2026 (2)
Aquaflame 2026 (2)-mobile
СТМ многоступенчатые насосы 2
СТМ многоступенчатые насосы 2-mobile
КИПиА Акваконтроль 2
КИПиА Акваконтроль 2-mobile

Моноблочные насосы Calpeda B-CT имеют возможность работы с жидкостями, обладающими различным химическим составом и разной температуры, поэтому насосы могут быть использованы для решения широкого круга задач в различных отраслях промышленности, сельского хозяйства, строительной сферы и ЖКХ.

Технические параметры насосов моноблочных Calpeda B-CT

ХарактеристикаЗначение
Тип оборудованиянасос
Вид насосапо конструкции
Материал корпусабронза
Место установкиповерхностный
Положениегоризонтальный
Сегментпромышленный
ПожарныйНет
Степень защитыIP54
ПрименениеВодоснабжение, Полив
БрендCalpeda
Страна брендаИталия
Насосы моноблочные Calpeda B-CT поверхностные, корпус - бронза, мощность - 0.33кВт, напор - 41м, производительность - 38л/мин, 380В

Изображение насосов моноблочных Calpeda B-CT

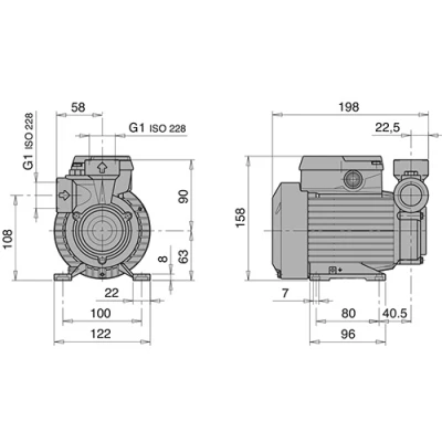
Габариты и размеры насосов моноблочных Calpeda B-CT

МодельШирина, ммВысота, ммГлубина, мм
61/A198158122
Насосы моноблочные Calpeda B-CT поверхностные, корпус - бронза, мощность - 0.33кВт, напор - 41м, производительность - 38л/мин, 380В

Эскиз (эскизы) габаритов насосов моноблочных Calpeda B-CT

Быстрый заказ

Вы можете отправить нам запрос на необходимые позиции и наш менеджер свяжется с вами в ближайшее время для формирования заказа

Нажмите, чтобы загрузить файлы или перетащите сюда
Максимальный размер файла - 10 Мб. Типы файлов: jpg, jpeg, png, xls, xlsx, doc, docx, pdf.