Кран шаровой применяется в качестве запорной арматуры, а также для смешивания и разделения потоков рабочей среды в системах теплоснабжения, водоснабжения, в топливных и пневмосистемах со сжатым воздухом и нейтральными газами. Установка кранов данной серии возможна в системы, транспортирующие жидкие и газообразные среды, неагрессивные к материалам крана. |
Общие технические характеристики кранов шаровых DN.ru BV3232P(4pc)-SP-3WL-T-ISO-H WDVF Ду40-65 Ру63/40 стандартнопроходных, 3-ходовых L-тип, внутренняя резьба| Характеристика | Значение |
|---|
| Номинальное давление | 63/40 бар | | Температура рабочей среды | от -25 до +180 ⁰C | | Класс герметичности | «А» ГОСТ 9544-2015 | | Рабочая среда | вода, нефтепродукты и другие жидкие или газообразные среды, нейтральные к применяемым материалам | | Присоединение к трубопроводу | резьбовое BSPP | | Тип крана по проходному сечению | стандартнопроходной | | Средний срок службы | 10 лет | | Страна производитель | Россия | | Тип крана | L |
|  Изображение кранов шаровых DN.ru BV3232P(4pc)-SP-3WL-T-ISO-H WDVF Ду40-65 Ру63/40 стандартнопроходных, 3-ходовых L-тип, внутренняя резьба |
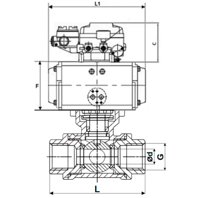
Габариты и рамеры кранов шаровых DN.ru BV3232P(4pc)-SP-3WL-T-ISO-H WDVF Ду40-65 Ру63/40 стандартнопроходных, 3-ходовых L-тип, внутренняя резьба| Модель | d, мм | L, мм | L1, мм | F, мм | C, мм | G″ |
|---|
| Ду40 | 32 | 136 | 301 | 185 | 117.5 | 1 1/2 | | Ду65 | 48 | 168 | 390 | 202 | 117.5 | 2 1/2 |
|  Эскиз габаритов и размеров кранов шаровых DN.ru BV3232P(4pc)-SP-3WL-T-ISO-H WDVF Ду40-65 Ру63/40 стандартнопроходных, 3-ходовых L-тип, внутренняя резьба |
Материалы кранов шаровых DN.ru BV3232P(4pc)-SP-3WL-T-ISO-H WDVF Ду40-65 Ру63/40 стандартнопроходных, 3-ходовых L-тип, внутренняя резьба| № | Наименование | Материал |
|---|
| 1 | Корпус | нержавеющая сталь CF8М/AISI 316 (аналог 08Х17Н14М2) | | 2 | Прокладка патрубков | PTFE | | 3 | Резьбовые патрубки | нержавеющая сталь CF8М/AISI 316 (аналог 08Х17Н14М2) | | 4 | Седло | PTFE | | 5 | Шар | нержавеющая сталь AISI 316 (аналог 08Х17Н14М2) | | 6 | Упорная шайба | PTFE | | 7 | Шток | нержавеющая сталь AISI 316 (аналог 08Х17Н14М2) | | 8 | Сальник | PTFE | | 9 | Втулка сальника | нержавеющая сталь AISI 304 (аналог 08Х18Н10) | | 10 | Пружина-бабочка | нержавеющая сталь AISI 301 (аналог 07Х16Н6) |
|  Эскиз материалов и деталей кранов шаровых DN.ru BV3232P(4pc)-SP-3WL-T-ISO-H WDVF Ду40-65 Ру63/40 стандартнопроходных, 3-ходовых L-тип, внутренняя резьба |
Технические параметры пневмоприводов DN.ru PA-SA с возвратными пружинами| Характеристика | Значение |
|---|
| Бренд | DN.ru | | Тип пневмопривода | с возвратными пружинами | | Количество пружин | 10 шт | | Номинальное давление | 12 бар | | Рабочее давление | 2...8 бар | | Среда | сжатый воздух | | Температура рабочей среды | от -20 °C до +80 °C | | Угол поворота | 0 - 90° | | Регулировка угла поворота | ±5% | | Страна производитель | Китай | | Максимальный диаметр частиц рабочей среды | ≤30 мкм2 | | Стандарт верхнего соединения | NAMUR | | Стандарт соединения подачи воздуха | NAMUR |
| Видео пневмоприводов DN.ru PA-SA с возвратными пружинами |
Деталировка пневмопривода DN.ru PA-SA с возвратными пружинами| № | Наименование детали | Материал |
|---|
| 1 | Индикаторный винт | АБС-пластик | | 2 | Индикатор положения | АБС-пластик | | 3 | Пружинный зажим | нержавеющая сталь 304 | | 4 | Металлическая шайба | нержавеющая сталь 304 | | 5 | Прижимная шайба | инженерный пластик | | 6 | Корпус | экструдированный алюминиевый сплав с твердым анодированием | | 7 | Прижимная шайба | инженерный пластик | | 8 | Ограничитель | легированная сталь | | 9 | Уплотнительное кольцо вала верхнее | NBR | | 10 | Антифрикционное кольцо вала верхнее | инженерный пластик | | 11 | Вал | легированная сталь никелированная | | 12 | Антифрикционное кольцо вала нижнее | инженерный пластик | | 13 | Уплотнительное кольцо вала нижнее | NBR | | 14 | Заглушка | NBR | | 15 | Уплотнительное кольцо регулировочных винтов | NBR | | 16 | Шайба регулировочного винта | нержавеющая сталь 304 | | 17 | Стопорная гайка регулировочного винта | нержавеющая сталь 304 | | 18 | Винт регулировочный | нержавеющая сталь 304 | | 19 | Поршень | алюминиевый сплав, литой под давлением | | 20 | Направляющая накладка поршня | инженерный пластик | | 21 | Антифрикционное кольцо поршня | инженерный пластик | | 22 | Уплотнительное кольцо поршня | NBR | | 23 | Комплект пружин | пружинная сталь | | 24 | Уплотнительное кольцо крышки | NBR | | 25 | Торцевая крышка | литой алюминий с полиэфирным покрытием | | 26 | Винт крышки | нержавеющая сталь 304 | | 27 | Стопорный винт | нержавеющая сталь 304 | | 28 | Адаптер | углеродистая сталь |
|  Эскиз деталировки пневмоприводов DN.ru PA-SA с возвратными пружинами |
Технические параметры электропневматических поворотных позиционеров DN.ru YT-1000RSN без обратной связи| Характеристика | Значение |
|---|
| Тип действия | односторонний | | Входной сигнал управления | 4 ~ 20 mA | | Внутреннее сопротивление | 250 ± 15 Ом | | Входное давление | 1,4~7 бар / 20~100 psi | | Угол хода рычага | 0~90° | | Резьба подключения сжатого воздуха | 1/4" | | Резьба подключения манометра | 1/8" | | Кабельный ввод | G1/2" | | Тип защиты | IP66 | | Рабочая температура | -20°C ~ 70°C | | Допустимая влажность окружающей среды | 10~90RH | | Линейность | ±1% | | Гистерезис | ±1% | | Чувствительность | ±0.2% | | Повторяемость | ±0.5% | | Расход сжатого воздуха | 3 л /мин (при давлении 1,4 бар) | | Расход воздуха на выходе | 80 л/мин (при давлении 1,4 бар) | | Материал корпуса | алюминиевое литье | | Вес | 2,8 кг |
|  Изображение электропневматических поворотных позиционеров DN.ru YT-1000RSN без обратной связи |