Задвижка клиновая 30нж941нж DN.ru GVWR2434M-2W-F-ОСТ Ду300 Ру16 фланцевая, клин - двухдисковый, шпиндель - выдвижной, корпус - нержавеющая сталь, уплотнение - металл, c ОСТ-фланцем, круглым штоком, с электроприводом DN.ru MT-N-045EM-O2-380VAC-У1 380В

Модификация
О товаре
Характеристики
Задвижка клиновая предназначена для установки в качестве запорного устройства на трубопроводах по транспортировке воды, пара, масел по отношению к которым материалы, применяемые в задвижке, коррозионностойкие. | |||||||||||||||||||||||||
Общие характеристики задвижки DN.ru 30нж941нж Ду300 с электроприводом DN.ru MT-N-045EM-O2-380VAC-У1:
|
![]() Задвижка клиновая 30нж941нж DN.ru GVWR2434M-2W-F-ОСТ Ду300 Ру16 фланцевая, клин - двухдисковый, шпиндель - выдвижной, корпус - нержавеющая сталь, уплотнение - металл, c ОСТ-фланцем, круглым штоком, с электроприводом DN.ru MT-N-045EM-O2-380VAC-У1 380В |
||||||||||||||||||||||||
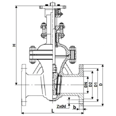
Габаритные и установочные размеры задвижки DN.ru 30нж941нж Ду300 с электроприводом DN.ru MT-N-045EM-O2-380VAC-У1:
|
![]() Эскиз задвижки DN.ru 30нж941нж Ду300 с электроприводом DN.ru MT-N-045EM-O2-380VAC-У1: |
||||||||||||||||||||||||
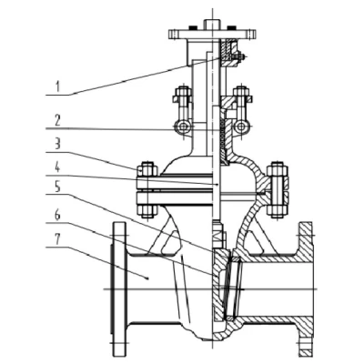
Основные материалы деталей задвижки DN.ru 30нж941нж Ду300:
|
![]() Эскиз материалов деталей задвижки DN.ru 30нж941нж Ду300 |
||||||||||||||||||||||||
Основные технические данные и характеристики электроприводов DN.ru MT-N-045EM-O2-380VAC-У1:
|
![]() Электрическая схема подключения электроприводов DN.ru MT-N-045EM-O2-380VAC-У1, 380В |
Паспорта и сертификаты
Аналоги
График сравнения цен аналогичных задвижек*. При клике на точку графика получите развернутую информацию.
*Задвижки подобраны по следующим параметрам: Ду300, Ру16, тип задвижки - Клиновая, клин - двухдисковый, тип присоединения - фланцевый, управление - С электроприводом, класс материала корпуса - нержавеющая сталь, уплотнение - Металл, конструкция шпинделя - выдвижной, наличие телескопического штока - нет, наличие колонки управления - нет
Доставка
Мы осуществляем доставку по Москве, Московской области, и другим регионам Российской Федерации.
Доставка по г.Москва (в пределах МКАД) и МО осуществляется собственным транспортом или курьером.
Доставка в другие регионы осуществляется при помощи транспортных компаний (СДЭК, Деловые линии, Байкал Сервис).
Самовывоз. Вы сможете самостоятельно забрать заказ оформив самовывоз с нашего склада или пункта выдачи заказов.
Быстрый заказ
Вы можете отправить нам запрос на необходимые позиции и наш менеджер свяжется с вами в ближайшее время для формирования заказа