Задвижки клиновые DN.ru GVWR3131M-2W-F-S Ду50-300 Ру63 фланцевые, с выдвижным шпинделем, корпус - сталь 08Х18Н10, уплотнение - METAL, управление - штурвал
Задвижки клиновые DN.ru GVWR3131M-2W-F-S Ду50-300 Ру63 фланцевые, с выдвижным шпинделем, корпус - сталь 08Х18Н10, уплотнение - METAL, управление - штурвал |
||||||||||||||||||||||||||||||||||||||||||||||
|
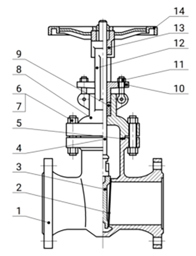
Клиновые задвижки стальные изготавливаются с цельным клином или составным двухдисковым клином. Применение жесткого клина в задвижках малых диаметров создает надежную конструкцию с высокой герметичностью запирающего элемента. Параллельные задвижки стальные могут иметь затвор в виде одного диска или листа (шиберная), или в виде двух дисков с расположенным между ними распорным клином или распорной пружиной. Присоединительные размеры и размеры уплотнительных поверхностей корпуса: исп.1 ГОСТ 12815-80. Направление подачи среды: с любой стороны магистральных фланцев. Установочное положение на трубопроводе: приводом вверх. Допускается отклонение от вертикали до 90° в любую сторону. |
||||||||||||||||||||||||||||||||||||||||||||||
Материалы
|
![]() |
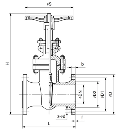
Размеры
|
Быстрый заказ
Вы можете отправить нам запрос на необходимые позиции и наш менеджер свяжется с вами в ближайшее время для формирования заказа
.jpg)
.jpg)


