Затворы дисковые поворотные Tecofi VPG4448-08EP Ду200 Ру16 межфланцевые, корпус - чугун, диск - чугун, уплотнение - EPDM, с редуктором
Сортировать по:
актуальности
Поделиться ссылкой на подборку
Артикул: D050-87422
Бренд: Tecofi
Страна производитель: Франция
Тип затвора: поворотный дисковый
Диаметр условный: 200 мм
Давление условное: 16 бар
Температура рабочей среды макс.: 150 °С
Тип присоединения: межфланцевый
Управление: редуктор
Класс материала корпуса: чугун
Класс материала диска: чугун
Материал уплотнения: EPDM
Применение: вода
Вес: 16.80 кг
Категория: Затворы с редуктором
на 2025-12-07
32 549,19
₽
|
Установка в качестве запорных и запорно-регулирующих устройств на трубопроводах холодного и горячего водоснабжения, антифризов (в том числе растворы этиленгликоля), технологических трубопроводах, транспортирующих среды, неагрессивные к материалам изделий. |
||||||||||||||||||||||||||||||||||||||||
Основные технические характеристики затворов дисковых поворотных Tecofi VPG4448-08EP:
|
Затворы дисковые поворотные Tecofi VPG4448-08EP Ду200 Ру16 межфланцевые, корпус - чугун, диск - чугун, уплотнение - EPDM, с редуктором |
|||||||||||||||||||||||||||||||||||||||
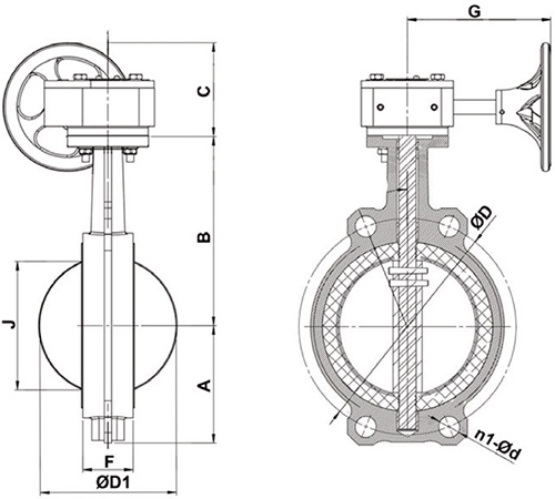
Габаритные и установочные размеры затворов дисковых поворотных Tecofi VPG4448-08EP:
|
Эскиз размеров затворов дисковых поворотных Tecofi VPG4448-08EP |
|||||||||||||||||||||||||||||||||||||||
Деталировка затворов дисковых поворотных Tecofi VPG4448-08EP:
|
Эскиз деталировки затворов дисковых поворотных Tecofi VPG4448-08EP |
|||||||||||||||||||||||||||||||||||||||
Быстрый заказ
Вы можете отправить нам запрос на необходимые позиции и наш менеджер свяжется с вами в ближайшее время для формирования заказа
Нажмите, чтобы загрузить файлы или перетащите сюда
Максимальный размер файла - 10 Мб. Типы файлов: jpg, jpeg, png, xls, xlsx, doc, docx, pdf.
.jpg)
.jpg)

