Шаговый серводвигатель PL86H5401-D14-1K с энкодером 1000PPR, фланец - NEMA 34 (86мм), угол шага - 1.8гр, крутящий момент - 12Нм, IP54

Артикул: D300-17539   

О товаре

Артикул:
D300-17539
Бренд:
Китай
Страна производитель:
Китай
Тип изделия:
Электродвигатель
Тип электродвигателя:
Шаговый
Номинальный ток In:
5.6 А
Все характеристики
на 2026-02-26
Гарантия 12 месяцев
Возможна отсрочка до 90 дней
В избранное
Бесплатная доставка до ТК
Сертифицированный товар

Характеристики

В отличие от сервопривода с применением щеточного DC или бесщеточного PMSM электродвигателя, сервопривод на базе ШД обладает более скоростным откликом на команду и отсутствием эффекта колебания ротора в точке останова (ротор не "рыскает"). В отличие от обычного привода с ШД без обратной связи, сервопривод на базе ШД исключает пропуск шагов и на высоких скоростях осуществляет прирост момента на 30%. Для управления серво-шаговым двигателем (СШД) требуется специальный драйвер с поддержкой энкодера. Данные серво-шаговые двигатели совместимы с драйверами Purelogic. Для работы СШД с драйвером другого производителя, возможно, понадобится настройка драйвера. Также можно подключать эти СШД к обычному драйверу, без подключения энкодера. В этом случае точный контроль положения ротора производиться не будет. Подключение СШД к драйверу осуществляется согласно документации на драйвер и СШД.

Технические характеристики шагового серводвигателя PL86H5401-D14-1K

  • Тип изделия - Электродвигатель
  • Вариант исполнения электродвигателя - Синхронный
  • Тип электродвигателя - Шаговый
  • Бренд - Китай
  • Серия - H
  • Тип исполнения для фланцев - NEMA 34 (86мм)
  • Номинальный ток - 5.6 А
  • Количество фаз - 2 шт
  • Класс нагревостойкости изоляции - B
  • Диапазон рабочих температур окружающей среды - от 0°C до 50°C
  • Степень защиты - IP54
  • Наличие энкодера - С энкодером (closed loop)
  • Обработка вала - Шпонка
  • Крутящий момент - 12 Нм
  • Встроенный тормоз - Нет
  • Диаметр вала электродвигателя - 14 мм
  • Угловой шаг - 1.8 °
  • Гарантийный срок эксплуатации - 6 мес.
  • Страна производитель - Китай
  • Вес - 4.5 кг

Изображение шагового серводвигателя PL86H5401-D14-1K

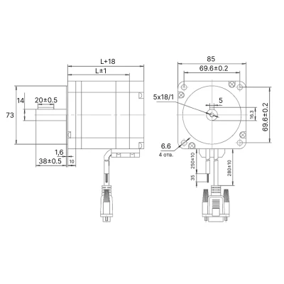
Габаритные и установочные размеры шагового серводвигателя PL86H5401-D14-1K

  • L, мм - 148 мм

Эскиз габаритов шагового серводвигателя PL86H5401-D14-1K

Паспорта и сертификаты

Доставка

Условия доставки:

Мы осуществляем доставку по Москве, Московской области, и другим регионам Российской Федерации.

Доставка по г.Москва (в пределах МКАД) и МО осуществляется собственным транспортом или курьером.

Доставка в другие регионы осуществляется при помощи транспортных компаний (СДЭК, Деловые линии, Байкал Сервис).

Самовывоз. Вы сможете самостоятельно забрать заказ, оформив самовывоз с нашего склада или пункта выдачи заказов.

Быстрый заказ

Вы можете отправить нам запрос на необходимые позиции и наш менеджер свяжется с вами в ближайшее время для формирования заказа

Нажмите, чтобы загрузить файлы или перетащите сюда
Максимальный размер файла - 10 Мб. Типы файлов: jpg, jpeg, png, xls, xlsx, doc, docx, pdf.