Шаговые серводвигатели 110H фланец - NEMA 43 (110мм), угол шага - 1.8°, крутящий момент - 8-28.5Нм, 3.0-6.0В, IP54

СТМ многоступенчатые насосы 2
СТМ многоступенчатые насосы 2-mobile
КИПиА Акваконтроль 2
КИПиА Акваконтроль 2-mobile

В отличие от сервопривода с применением щеточного DC или бесщеточного PMSM электродвигателя, сервопривод на базе ШД обладает более скоростным откликом на команду и отсутствием эффекта колебания ротора в точке останова (ротор не "рыскает"). В отличие от обычного привода с ШД без обратной связи, сервопривод на базе ШД исключает пропуск шагов и на высоких скоростях осуществляет прирост момента на 30%. Для управления серво-шаговым двигателем (СШД) требуется специальный драйвер с поддержкой энкодера. Данные серво-шаговые двигатели совместимы с драйверами Purelogic. Для работы СШД с драйвером другого производителя, возможно, понадобится настройка драйвера. Также можно подключать эти СШД к обычному драйверу, без подключения энкодера. В этом случае точный контроль положения ротора производиться не будет. Подключение СШД к драйверу осуществляется согласно документации на драйвер и СШД.

Технические параметры шагового электродвигателя 110H

ХарактеристикаЗначение
Вариант исполнения электродвигателяСинхронный
Тип электродвигателяШаговый серводвигатель
Диапазон рабочих температурот 0°C до 50°C

Изображение шагового электродвигателя 110H

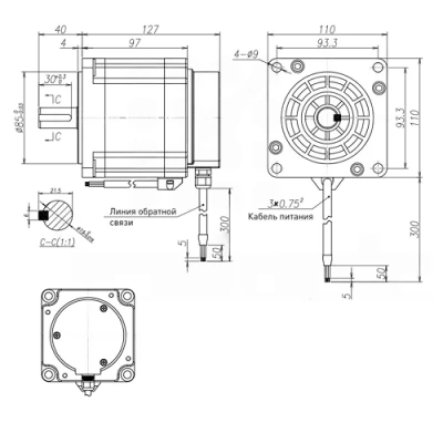
Габариты и размеры шагового электродвигателя 110H

МодельL, ммL1, мм
PL110H97-D19-1K12797
PL110H121-D19-1K151121
PL110H155-D19-1K185155
PL110H189-D19-1K219189
PL110H0460-D19-1K100
PL110H5460-D19-1K150
PL110H8460-D19-1K200
3PL110H97-D19-1K12797
3PL110H189-D19-1K219189
3PL110H155-D19-1K185155
3PL110H121-D19-1K151121

Эскиз шагового электродвигателя 110H

Быстрый заказ

Вы можете отправить нам запрос на необходимые позиции и наш менеджер свяжется с вами в ближайшее время для формирования заказа

Нажмите, чтобы загрузить файлы или перетащите сюда
Максимальный размер файла - 10 Мб. Типы файлов: jpg, jpeg, png, xls, xlsx, doc, docx, pdf.