Электродвигатель шаговый PL20HSL4406-400TR3.5X1P с винтом, фланец - NEMA 8 (20мм), угол шага - 1.8гр, крутящий момент - 0.026Нм, IP40

Артикул: D300-17512   

О товаре

Артикул:
D300-17512
Бренд:
Китай
Страна производитель:
Китай
Тип изделия:
Электродвигатель
Тип электродвигателя:
Шаговый
Номинальный ток In:
0.6 А
Все характеристики
на 2026-02-26
Гарантия 12 месяцев
Возможна отсрочка до 90 дней
В избранное
Бесплатная доставка до ТК
Сертифицированный товар

Характеристики

Линейные шаговые электродвигатели с винтом — это шаговые двигатели с трапецеидальным винтом вместо стандартного вала.

Технические характеристики электродвигателя шагового PL20HSL4406-400TR3.5X1P

  • Тип изделия - Электродвигатель
  • Вариант исполнения электродвигателя - Синхронный
  • Тип электродвигателя - Шаговый
  • Бренд - Китай
  • Тип вала - Винт
  • Серия - HSL
  • Тип исполнения для фланцев - NEMA 8 (20мм)
  • Номинальный ток - 0.6 А
  • Класс нагревостойкости изоляции - B
  • Диапазон рабочих температур окружающей среды - от -20°C до 50°C
  • Степень защиты - IP40
  • Наличие энкодера - Без энкодера (обычные)
  • Обработка вала - Трапецеидальная резьба
  • Крутящий момент - 0.026 Нм
  • Встроенный тормоз - Нет
  • Диаметр вала электродвигателя - 3.5 мм
  • Угловой шаг - 1.8 °
  • Гарантийный срок эксплуатации - 6 мес.
  • Страна производитель - Китай
  • Вес - 0.3 кг

Изображение электродвигателя шагового PL20HSL4406-400TR3.5X1P

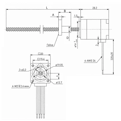
Габаритные и установочные размеры электродвигателя шагового PL20HSL4406-400TR3.5X1P

  • L1, мм - 400 мм
  • A, мм - 3.2 мм
  • B, мм - 9.5 мм
  • D, мм - 8 мм

Эскиз габаритов электродвигателя шагового PL20HSL4406-400TR3.5X1P

Паспорта и сертификаты

Доставка

Условия доставки:

Мы осуществляем доставку по Москве, Московской области, и другим регионам Российской Федерации.

Доставка по г.Москва (в пределах МКАД) и МО осуществляется собственным транспортом или курьером.

Доставка в другие регионы осуществляется при помощи транспортных компаний (СДЭК, Деловые линии, Байкал Сервис).

Самовывоз. Вы сможете самостоятельно забрать заказ, оформив самовывоз с нашего склада или пункта выдачи заказов.

Быстрый заказ

Вы можете отправить нам запрос на необходимые позиции и наш менеджер свяжется с вами в ближайшее время для формирования заказа

Нажмите, чтобы загрузить файлы или перетащите сюда
Максимальный размер файла - 10 Мб. Типы файлов: jpg, jpeg, png, xls, xlsx, doc, docx, pdf.