Задвижка клиновая 30нж941нж Авангард Ду250 Ру16 фланцевая, клин - двухдисковый, шпиндель - выдвижной, корпус - нержавеющая сталь, уплотнение - ТРГ, с электроприводом DN.ru MTG-200-220, 220В
Модификация
О товаре
Характеристики
Задвижка предназначена в качестве запорного органа на технологических линиях. Ее конструкция обладает низким сопротивлением потоку рабочей среды, является двусторонней и предназначена для широкого диапазона давлений и температур проходящей через нее среды. Задвижка не может быть использована в качестве регулирующего устройства. |
|
Общие характеристики задвижки стальной 30нж941нж с DN.RU 220В Ду 250 Ру16 с электроприводом DN.ru MTG-300-220
|
![]() Задвижка клиновая 30нж941нж Авангард Ду250 Ру16 фланцевая, клин - двухдисковый, шпиндель - выдвижной, корпус - нержавеющая сталь, уплотнение - ТРГ, с электроприводом DN.ru MTG-200-220, 220В |
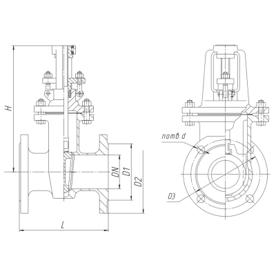
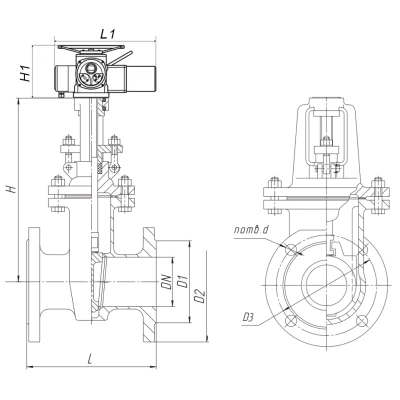
Габаритные и установочные размеры задвижки стальной 30нж941нж с DN.RU 220В Ду 250 Ру16 с электроприводом DN.ru MTG-300-220
Характеристики электропривода - MTG-300-220
|
![]() Эскиз задвижки 30нж941нж с DN.RU 220В
|
![]() Электрическая схема подключения электропривода MTG-300-220 |
|
![]() |
![]() |
Расположение концевых выключателей
|
Расположение контактов
|
Паспорта и сертификаты
Аналоги
График сравнения цен аналогичных задвижек*. При клике на точку графика получите развернутую информацию.
*Задвижки подобраны по следующим параметрам: Ду250, Ру16, тип задвижки - Клиновая, клин - двухдисковый, тип присоединения - фланцевый, управление - С электроприводом, класс материала корпуса - нержавеющая сталь, уплотнение - ТРГ, конструкция шпинделя - выдвижной, наличие телескопического штока - нет, наличие колонки управления - нет
Доставка
Мы осуществляем доставку по Москве, Московской области, и другим регионам Российской Федерации.
Доставка по г.Москва (в пределах МКАД) и МО осуществляется собственным транспортом или курьером.
Доставка в другие регионы осуществляется при помощи транспортных компаний (СДЭК, Деловые линии, Байкал Сервис).
Самовывоз. Вы сможете самостоятельно забрать заказ оформив самовывоз с нашего склада или пункта выдачи заказов.
Быстрый заказ
Вы можете отправить нам запрос на необходимые позиции и наш менеджер свяжется с вами в ближайшее время для формирования заказа




