Конденсатоотводчик поплавковый DN.ru STF1331-F Ду20 Ру16 фланцевый, корпус - чугун GGG40

Артикул: D150-01352   

О товаре

Артикул:
D150-01352
Бренд:
DN.ru
АДЛ
Аста
Страна производитель:
Россия
Диаметр:
20 мм
15 мм
25 мм
32 мм
40 мм
50 мм
Давление:
16 бар
25 бар
Тип конденсатоотводчика:
поплавковый
Тип присоединения:
Фланцевый
муфтовый (резьбовой)
Корпус:
Высокопрочный чугун GGG40/ВЧ40/EN-GJS-400-15
Высокопрочный чугун GGG 40.3
углеродистая сталь
Углеродистая сталь EN-1.0619
Чугун EN-JL1040
Применение:
теплоснабжение
Уплотнение:
не указано
Klingerit
Графит
Клингерит
Металлографит
Все характеристики
на 2026-12-31
59 280,41
Гарантия 12 месяцев
Возможна отсрочка до 90 дней
В избранное
Бесплатная доставка до ТК
Сертифицированный товар

Характеристики

Конденсатоотводчик поплавковый DN.ru STF1331-F Ду20 Ру16 фланцевый, корпус - чугун GGG40 предназначен для выпуска из паровой системы конденсата, воздуха и других неконденсируемых газов, а также для задержки пара до его полной конденсации. Поплавковые конденсатоотводчики отводят конденсат сразу по мере его образования. При запуске системы воздух выходит через автоматический воздушный клапан в обвод главного клапана, предотвращая его запирание. Горячий конденсат нагревает термостатическую капсулу воздушного клапана, которая от нагрева закрывается. Далее конденсат заполняет корпус конденсатоотводчика, поплавок всплывает, открывая главный клапан и выпуская конденсат. При уменьшении объема поступающего конденсата или его полном исчезновении поплавок опускается и прижимает шар клапана к седлу. При наличии в конденсатоотводчике только пара, затопленное конденсатом седло остается закрытым, предотвращая появление пролетного пара.

Технические параметры конденсатоотводчика поплавкового DN.ru STF1331-F Ду20 Ру16

  • Тип конденсатоотводчика - поплавковый
  • Давление номинальное PN - 16
  • Рабочее давление минимальное - 16 бар
  • Рабочее давление максимальное - 16 бар
  • Диаметр номинальный DN - 20 мм
  • Тип присоединения - Фланцевый
  • Присоединение - фланцевое
  • Материал корпуса - Высокопрочный чугун GGG40/ВЧ40/EN-GJS-400-15
  • Среда - вода, пар, конденсат
  • Температура рабочей среды, максимальная: 300°C
  • Применение - теплоснабжение
  • Цвет - Синий
  • Бренд - DN.ru
  • Страна производитель - Россия
  • Вес - 5.5 кг
Конденсатоотводчик поплавковый DN.ru STF1331-F Ду20 Ру16 фланцевый, корпус - чугун GGG40

Изображение конденсатоотводчика поплавкового DN.ru STF1331-F Ду20 Ру16

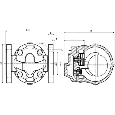
Габариты и размеры конденсатоотводчика поплавкового DN.ru STF1331-F Ду20 Ру16

  • DN - 20 мм
  • ØD - 105 мм
  • ØD1 - 75 мм
  • ØD2 - 56 мм
  • b - 16 мм
  • f - 2 мм
  • L±1 - 150 мм
  • H - 65 мм
  • H1 - 155 мм
  • n-Ød - 4-ø14 шт-мм
Конденсатоотводчик поплавковый DN.ru STF1331-F Ду20 Ру16 фланцевый, корпус - чугун GGG40

Эскиз габаритов конденсатоотводчика поплавкового DN.ru STF1331-F Ду20 Ру16

Деталировка конденсатоотводчика поплавкового DN.ru STF1331-F Ду20 Ру16

НаименованиеМатериал
1Крышкачугун высокопрочный GGG40 (аналог ВЧ40)
2Уплотнение корпусанержавеющая сталь AISI 304 (аналог 08Х18Н10) + графит
3Уплотнение седла клапананержавеющая сталь AISI 304 (аналог 08Х18Н10)
4Седлонержавеющая сталь AISI 304 (аналог 08Х18Н10)
5Стойканержавеющая сталь AISI 304 (аналог 08Х18Н10)
6Клапаннержавеющая сталь AISI 304 (аналог 08Х18Н10)
7Корпусчугун высокопрочный GGG40 (аналог ВЧ40)
8Шарнержавеющая сталь AISI 304 (аналог 08Х18Н10)
9Болтсталь класс прочности 8.8
10Прокладканержавеющая сталь AISI 304 (аналог 08Х18Н10)
11Седло выпускного клапананержавеющая сталь AISI 304 (аналог 08Х18Н10)
12Регулировочная накладканержавеющая сталь AISI 304 (аналог 08Х18Н10)
13Выпускной клапан-
14Стойка выпускного клапананержавеющая сталь AISI 304 (аналог 08Х18Н10)
Конденсатоотводчик поплавковый DN.ru STF1331-F Ду20 Ру16 фланцевый, корпус - чугун GGG40

Эскиз деталировки конденсатоотводчика поплавкового DN.ru STF1331-F Ду20 Ру16

Аналоги

График сравнения цен аналогичных конденсатоотводчиков*. При клике на точку графика получите развернутую информацию.

*Конденсатоотводчики подобраны по следующим параметрам: тип конденсатоотводчика - поплавковый, класс материала корпуса - Чугун GGG40, тип присоединения - Фланцевый, диаметр - 20 мм, давление номинальное - 16 бар

Доставка

Условия доставки:

Мы осуществляем доставку по Москве, Московской области, и другим регионам Российской Федерации.

Доставка по г.Москва (в пределах МКАД) и МО осуществляется собственным транспортом или курьером.

Доставка в другие регионы осуществляется при помощи транспортных компаний (СДЭК, Деловые линии, Байкал Сервис).

Самовывоз. Вы сможете самостоятельно забрать заказ оформив самовывоз с нашего склада или пункта выдачи заказов.

Быстрый заказ

Вы можете отправить нам запрос на необходимые позиции и наш менеджер свяжется с вами в ближайшее время для формирования заказа

Нажмите, чтобы загрузить файлы или перетащите сюда
Максимальный размер файла - 10 Мб. Типы файлов: jpg, jpeg, png, xls, xlsx, doc, docx, pdf.