Задвижка клиновая 30с964нж МЗТА ЗКЛ2-25 Ду200 Ру25 фланцевая, клин - двухдисковый, шпиндель - выдвижной, корпус - сталь, уплотнение - ТРГ, с электроприводом DN.ru MTG-300-220, 220В
Модификация
О товаре
Характеристики
Задвижка стальная литая клиновая 30с964нж с DN.ru 220В с электроприводом DN.ru MTG-300-220 предназначена для установки на трубопроводах (Вода, пар, масло, нефть, природный газ, жидкие неагрессивные нефтепродукты, неагрессивные жидкие и газообразные среды, по отношению к которым, материалы применяемые в задвижке коррозионностойкие) в качестве запорного устройства в системах автоматического управления теплоснабжением и водоснабжением на промышленных и гражданских объектах. К трубопроводу присоединяется при помощи фланцев (по ГОСТу 12817, исполнение I, ряд 2 по ГОСТу 12815). Установка производится приводом вверх. Задвижки с электроприводом предназначены для эксплуатации в повторно-кратковременном режиме S2 по ГОСТ 183-74 с продолжительностью включения (ПВ) 15%. Питание электропривода осуществляется от сети переменного тока 220В 50 Гц. |
|
Общие характеристики задвижки 30с964нж с DN.ru 220В
|
![]() Задвижка клиновая 30с964нж МЗТА ЗКЛ2-25 Ду200 Ру25 фланцевая, клин - двухдисковый, шпиндель - выдвижной, корпус - сталь, уплотнение - ТРГ, с электроприводом DN.ru MTG-300-220, 220В |
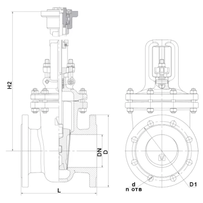
Габаритные размеры задвижки 30с964нж с DN.ru 220В
Установочные размеры и характеристики задвижки 30с964нж с DN.ru 220В
Характеристики электропривода - MTG-300-220
|
![]() Эскиз задвижки 30с964нж с DN.ru 220В
|
![]() |
|
Электрическая схема подключения электропривода 30с964нж с DN.ru 220В |
|
![]() |
|
Расположение концевых выключателей
|
Расположение контактов
|
Паспорта и сертификаты
Аналоги
График сравнения цен аналогичных задвижек*. При клике на точку графика получите развернутую информацию.
*Задвижки подобраны по следующим параметрам: Ду200, Ру25, тип задвижки - Клиновая, клин - двухдисковый, тип присоединения - фланцевый, управление - С электроприводом, класс материала корпуса - сталь, уплотнение - ТРГ, конструкция шпинделя - выдвижной, наличие телескопического штока - нет, наличие колонки управления - нет
Доставка
Мы осуществляем доставку по Москве, Московской области, и другим регионам Российской Федерации.
Доставка по г.Москва (в пределах МКАД) и МО осуществляется собственным транспортом или курьером.
Доставка в другие регионы осуществляется при помощи транспортных компаний (СДЭК, Деловые линии, Байкал Сервис).
Самовывоз. Вы сможете самостоятельно забрать заказ оформив самовывоз с нашего склада или пункта выдачи заказов.
Быстрый заказ
Вы можете отправить нам запрос на необходимые позиции и наш менеджер свяжется с вами в ближайшее время для формирования заказа



