Воздухоотводчик автоматический (вантуз) ABRA AV01T-050 Ду50 Ру16 прямой, внутренняя резьба, корпус - чугун GGG50, уплотнение - NBR

Артикул: D030-00305   

О товаре

Артикул:
D030-00305
Бренд:
ABRA
AQUALINK
Aquasfera
Barberi
Benarmo
Cimberio
Dendor
DN.ru
EUROS
FAR
Itap
IVANCI
KROMWELL
LUXOR
Mankenberg
MVI
Remsan
STOUT
Страна производитель:
Китай
Давление:
16 бар
не указано
10 бар
25 бар
Диаметр:
50
не указано
6
10
15
20
25
40
65
80
100
150
200
Тип воздухоотводчика:
автоматический
Тип присоединения:
муфтовый (резьбовой)
Фланцевый
Корпус:
Высокопрочный чугун GGG50/ВЧ50/EN-GJS-500-7
Высокопрочный чугун
Высокопрочный чугун GGG40/ВЧ40/EN-GJS-400-15
латунь
Латунь CW614N
Латунь CW617N
латунь EN 1982-CB754S
Латунь HPb57-3
нержавеющая сталь
Нержавеющая сталь AISI/SS 304/08Х18Н10
Применение:
Водоснабжение / Отопление
Уплотнение:
NBR
не указано
EPDM
Silicon
Все характеристики
на 2026-03-03
6 031,07
Гарантия 12 месяцев
Возможна отсрочка до 90 дней
В избранное
Бесплатная доставка до ТК
Сертифицированный товар

Характеристики

Автоматический воздухоотводчик ABRA-AV04T предназначен для автономного удаления воздуха из систем отопления и водоснабжения, а также для впуска воздуха при их опорожнении. Его работа предотвращает образование воздушных пробок, защищает оборудование от коррозии и кавитации, повышая эффективность и срок службы всей системы. Клапан отличается надежностью: корпус имеет усиленную конструкцию и антикоррозионное покрытие. Для удобства обслуживания предусмотрена съемная крышка, позволяющая провести осмотр без демонтажа с трубопровода. Дополнительным преимуществом является резьбовое отверстие на крышке для установки вспомогательного воздухоотводчика. Важно: запрещено открывать крышку при работающем давлении в системе.

Технические параметры воздухоотводчика автоматического (вантуз) ABRA AV01T-050 Ду50 Ру16 прямого

  • Диаметр - Ду50
  • Диаметр в дюймах - 2"
  • Давление номинальное - 16 бар
  • Строительная высота - 190 мм
  • Тип работы - автоматический
  • Тип воздухоотводчика - автоматический
  • Материал корпуса - Высокопрочный чугун GGG50/ВЧ50/EN-GJS-500-7
  • Тип покрытия - эпоксидный порошок
  • Уплотнение - NBR
  • Температура рабочей среды минимальная - от -10 °C
  • Температура рабочей среды максимальная - до 70 °C
  • Тип присоединения - муфтовый (резьбовой)
  • Присоединение - внутренняя резьба
  • Стандарт присоединения - ГОСТ 6211-81
  • Тип резьбы - трубная цилиндрическая
  • Конструкция воздухоотводчика - прямой
  • Расположение выпускного клапана - верхнее
  • Способ монтажа - вертикальный
  • Среда - вода
  • Применение - Водоснабжение, Отопление
  • Функции - выпуск воздуха
  • Бренд - ABRA
  • Страна производитель - Китай
  • Гарантия - 12 мес.
  • Вес - 5 кг
Воздухоотводчик автоматический (вантуз) ABRA AV01T-050 Ду50 Ру16 прямой, внутренняя резьба, корпус - чугун GGG50, уплотнение - NBR

Изображение воздухоотводчика автоматического (вантуз) ABRA AV01T-050 Ду50 Ру16 прямого

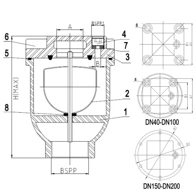
Габариты и размеры воздухоотводчика автоматического (вантуз) ABRA AV01T-050 Ду50 Ру16 прямого

  • H(max) - 190 мм
  • A - 44 мм
  • B - 14 мм
  • A1 - 134 мм
  • B1 - 134 мм
  • BSPP1 - 3/4 "
Воздухоотводчик автоматический (вантуз) ABRA AV01T-050 Ду50 Ру16 прямой, внутренняя резьба, корпус - чугун GGG50, уплотнение - NBR

Эскиз габаритов воздухоотводчика автоматического (вантуз) ABRA AV01T-050 Ду50 Ру16 прямого

Деталировка воздухоотводчика автоматического (вантуз) ABRA AV01T-050 Ду50 Ру16 прямого

НаименованиеМатериал
1, 3Корпус, крышкаЧугун DIN GGG50
2ПоплавокНержавеющая сталь JIS SUS304 (AISI/SAE304)
5, 8, 7УплотненияNBR (по умолчанию)
4, 6Крепеж и пробкаУглеродистая сталь с покрытием ТДЦ или аналогичным покрытием

Аналоги

График сравнения цен аналогичных воздухоотводчиков*. При клике на точку графика получите развернутую информацию.

*Воздухоотводчики подобраны по следующим параметрам: тип товара - воздухооотводчик, тип присоединения - муфтовый (резьбовой), тип воздухоотводчика - автоматический, Ду50, Ру16, класс материала корпуса - Ковкий чугун, уплотнение - NBR

Доставка

Условия доставки:

Мы осуществляем доставку по Москве, Московской области, и другим регионам Российской Федерации.

Доставка по г.Москва (в пределах МКАД) и МО осуществляется собственным транспортом или курьером.

Доставка в другие регионы осуществляется при помощи транспортных компаний (СДЭК, Деловые линии, Байкал Сервис).

Самовывоз. Вы сможете самостоятельно забрать заказ оформив самовывоз с нашего склада или пункта выдачи заказов.

Быстрый заказ

Вы можете отправить нам запрос на необходимые позиции и наш менеджер свяжется с вами в ближайшее время для формирования заказа

Нажмите, чтобы загрузить файлы или перетащите сюда
Максимальный размер файла - 10 Мб. Типы файлов: jpg, jpeg, png, xls, xlsx, doc, docx, pdf.