Воздухоотводчики автоматические (вантуз) ABRA-AV01T Ду15-80 Ру16 прямые, с пробкой на отверстии в крышке для возможности установки небольшого дополнительного воздушника
Автоматический воздухоотводчик ABRA-AV01T предназначен для автономного удаления воздуха из систем отопления и водоснабжения, а также для впуска воздуха при их опорожнении. Его работа предотвращает образование воздушных пробок, защищает оборудование от коррозии и кавитации, повышая эффективность и срок службы всей системы. Клапан отличается надежностью: корпус имеет усиленную конструкцию и антикоррозионное покрытие. Для удобства обслуживания предусмотрена съемная крышка, позволяющая провести осмотр без демонтажа с трубопровода. Дополнительным преимуществом является резьбовое отверстие на крышке для установки вспомогательного воздухоотводчика. Важно: запрещено открывать крышку при работающем давлении в системе. | |||||||||||||||||||||||||||||||||||||||||||
Технические параметры воздухоотводчика автоматического (вантуз) ABRA-AV01T Ду15-80 Ру16 прямого
| Изображение воздухоотводчика автоматического (вантуз) ABRA-AV01T Ду15-80 Ру16 прямого | ||||||||||||||||||||||||||||||||||||||||||
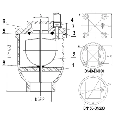
Габариты и размеры воздухоотводчика автоматического (вантуз) ABRA-AV01T Ду15-80 Ру16 прямого
| Эскиз габаритов воздухоотводчика автоматического (вантуз) ABRA-AV01T Ду15-80 Ру16 прямого | ||||||||||||||||||||||||||||||||||||||||||
Деталировка воздухоотводчика автоматического (вантуз) ABRA-AV01T Ду15-80 Ру16 прямого
| |||||||||||||||||||||||||||||||||||||||||||
Быстрый заказ
Вы можете отправить нам запрос на необходимые позиции и наш менеджер свяжется с вами в ближайшее время для формирования заказа
.jpg)
.jpg)

