Краны шаровые полнопроходные муфтовые САГА S-BMXX-4 Ду8-100 из нержавеющей стали AISI304, с рукояткой

Кран шаровый муфтовый предназначен для использования в качестве запорного устройства на трубопроводах. Пропускает и перекрывает поток рабочей среды (вода, нефтепродукты, пар, воздух, спирты, гликоль, эфиры).

Технические характеристики кранов шаровых полнопроходных муфтовых САГА S-BMXX-4 Ду8-100 из нержавеющей стали AISI304, с рукояткой:

Характеристика Значение
Производитель САГА
Страна производитель Китай
Тип соединения муфтовое
Управление ручное
Максимальное давление 64 бар
Рабочая температура от -20 до 180 ᵒС
Материал корпуса нержавеющая сталь
Область применения Водоснабжение
Краны шаровые полнопроходные муфтовые САГА S-BMXX-4 Ду8-100 из нержавеющей стали AISI304, с рукояткой

Краны шаровые полнопроходные муфтовые САГА S-BMXX-4 Ду8-100 из нержавеющей стали AISI304, с рукояткой

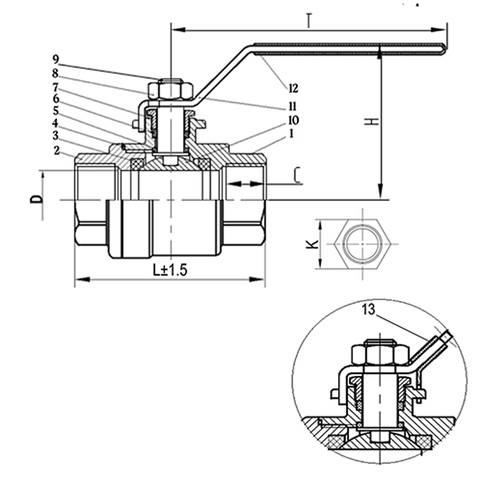
Материалы деталей кранов шаровых полнопроходных муфтовых САГА S-BMXX-4 Ду8-100 из нержавеющей стали AISI304, с рукояткой:

Наименование Материал
1 Корпус Нержавеющая сталь 304
2 Крышка Нержавеющая сталь 304
3 Седло PTFE/RPTFE/PPL
4 Прокладка PTFE/RPTFE/PPL
5 Упорная шайба PTFE/RPTFE/PPL
6 Уплотнение штока PTFE/RPTFE/PPL
7 Сальник Нержавеющая сталь 304
8 Гайка Нержавеющая сталь 304
9 Шток Нержавеющая сталь 304
10 Шар Нержавеющая сталь 304
11 Рукоять Нержавеющая сталь SS201
12 Оплетка PVC (поливинилхлорид)
13 Фиксатор Нержавеющая сталь SS201
Краны шаровые полнопроходные муфтовые САГА S-BMXX-4 Ду8-100 из нержавеющей стали AISI304, с рукояткой

Эскиз деталей кранов шаровых полнопроходных муфтовых САГА S-BMXX-4 Ду8-100 из нержавеющей стали AISI304, с рукояткой

Размерная таблица кранов шаровых полнопроходных муфтовых САГА S-BMXX-4 Ду8-100 из нержавеющей стали AISI304, с рукояткой

Размер DN D L±1.5 H T C K
1/4" 8 9 52 52.5 89 10 19
3/8" 10 11 52 52.5 89 11 21
1/2" 15 15 56 52 104 14 24.5
3/4" 20 20 62 62 111 15 31
1" 25 25 71.5 67 128 16 36.5
1¼" 32 32 81 72 143 15.5 46
1½" 40 40 92 84 156 18 53
2" 50 50 109 90 166 23 64
2½" 65 65 145 128 207 28 81
3" 80 80 168 137 220 37 97
4" 100 100 203 160 318 33 120

Быстрый заказ

Вы можете отправить нам запрос на необходимые позиции и наш менеджер свяжется с вами в ближайшее время для формирования заказа

Нажмите, чтобы загрузить файлы или перетащите сюда
Максимальный размер файла - 10 Мб. Типы файлов: jpg, jpeg, png, xls, xlsx, doc, docx, pdf.