Краны шаровые полнопроходные муфтовые САГА S-3BMiХХ-6 Ду15-80 из нержавеющей стали, с рукояткой, ISO-фланцем

Кран предназначен для использования в качестве запорного устройства на трубопроводах. Пропускает и перекрывает поток рабочей среды (вода, нефтепродукты, пар, воздух, спирт, эфиры, гликоль и агрессивные среды, соответствующие параметрам в спецификации).

Технические характеристики кранов шаровых полнопроходных муфтовых САГА S-3BMiХХ-6 Ду15-80 из нержавеющей стали, с рукояткой, ISO-фланцем:

Характеристика Значение
Производитель САГА
Страна производитель Китай
Тип соединения резьбовое
Управление ручное
Максимальное давление 64 бар
Рабочая температура от -29 до 220 ᵒС
Материал корпуса нержавеющая сталь
Область применения Водоснабжение
Краны шаровые полнопроходные муфтовые САГА S-3BMiХХ-6 Ду15-80 из нержавеющей стали, с рукояткой, ISO-фланцем

Краны шаровые полнопроходные муфтовые САГА S-3BMiХХ-6 Ду15-80 из нержавеющей стали, с рукояткой, ISO-фланцем

Материалы деталей кранов шаровых полнопроходных муфтовых САГА S-3BMiХХ-6 Ду15-80 из нержавеющей стали, с рукояткой, ISO-фланцем:

Наименование Материал
1 Корпус Нержавеющая сталь CF8/CF8M
2 Шар Нержавеющая сталь S316/S304
3 Болт Нержавеющая сталь S201
4 Гайка Нержавеющая сталь SS304
5 Сальник PTFE/RPTFE/PPL
6 Шток Нержавеющая сталь S316/S304
7 Сальник Нержавеющая сталь SS304
8 Гайка Нержавеющая сталь SS304
9 Крышка корпуса Нержавеющая сталь CF8/CF8M
10 Седло PTFE/RPTFE/PPL
11 Упорная шайба PTFE/RPTFE/PPL
12 Рукоять Нержавеющая сталь S201
13 Оплетка рукояти PVC (поливинилхлорид)
14 Фиксатор Нержавеющая сталь S201
Краны шаровые полнопроходные муфтовые САГА S-3BMiХХ-6 Ду15-80 из нержавеющей стали, с рукояткой, ISO-фланцем

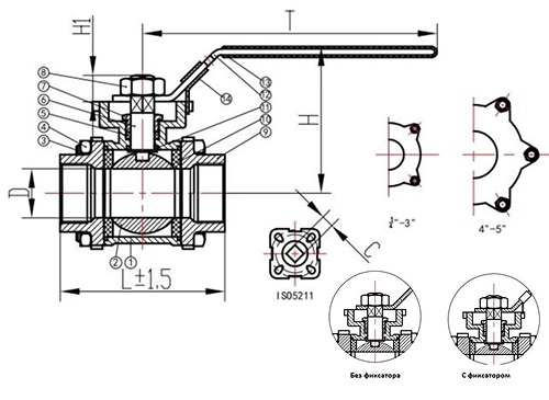
Эскиз деталей кранов шаровых полнопроходных муфтовых САГА S-3BMiХХ-6 Ду15-80 из нержавеющей стали, с рукояткой, ISO-фланцем

Размерная таблица кранов шаровых полнопроходных муфтовых САГА S-3BMiХХ-6 Ду15-80 из нержавеющей стали, с рукояткой, ISO-фланцем

Размер DN D L±1.5 H T C (NM) ISO5211 Вес, кг
1/2" 15 15 65 63 131 9 3.5 F03/F04 0.675
3/4" 20 20 72 74 131 9 6 F03/F04 0.795
1" 25 25 84 90 167 11 6 F04/F05 1.205
1 1/4" 32 32 98 90 167 11 7.5 F04/F05 1.555
1 1/2" 40 40 112 116 194 14 18 F05/F07 2.205
2" 50 50 125 116 194 14 28 F05/F07 2.875
2 1/2" 65 65 185 143 244 17 32 F07/F10 5.708
3" 80 80 205 153 263 17 38 F07/F10 8.255
4" 100 100 240 167 285 17 80 F07/F10 13.465

Быстрый заказ

Вы можете отправить нам запрос на необходимые позиции и наш менеджер свяжется с вами в ближайшее время для формирования заказа

Нажмите, чтобы загрузить файлы или перетащите сюда
Максимальный размер файла - 10 Мб. Типы файлов: jpg, jpeg, png, xls, xlsx, doc, docx, pdf.