Датчик уровня вибрационный INNOLEVEL IL-VA-TS-PT Ру40, 12 - 55 VDC, IP65, резьба 3/4'' PT коническая, удлинение - 40мм, выход PNP/NPN, разъем DIN 43650

Артикул: D070-11842   

О товаре

Артикул:
D070-11842
Бренд:
INNOLEVEL
DN.ru
LANBAO
Страна производитель:
Россия
Присоединительный размер:
G3/4
G1
G1 1/2
G1/2
Рабочее давление:
40 бар
Материал корпуса:
нержавеющая сталь
Среда:
вода, жидкая среда, масла, нейтральные жидкости
Все характеристики
на 2026-06-05
33 794,61
Гарантия 12 месяцев
Возможна отсрочка до 90 дней
В избранное
Бесплатная доставка до ТК
Сертифицированный товар

Характеристики

Вибрационный датчик уровня INNOLEVEL VIBRO серии A используется для мониторинга уровня жидких сред. Датчик применяется для пищевых и не пищевых жидкостей, не склонных к налипанию. Некоторые области применения: •Пищевая промышленность (раст. масло, напитки, молоко и молочные продукты) •Химическая промышленность (растворы солей, щелочей, кислот) •ЖКХ (техническая и питьевая вода, конденсат, системы водоподготовки) •СИП-станции (вода, реагенты и их растворы) Вибрационный датчик уровня INNOLEVEL VIBRO серии A размещается на емкости (сверху или сбоку) на требуемой для выполнения измерений высоте.

Технические параметры датчика уровня вибрационного INNOLEVEL IL-VA-TS-PT

  • Тип изделия - датчики
  • Присоединение - резьбовое
  • Тип присоединения - муфтовый (резьбовой)
  • Рабочее давление макс в барах - 40 бар
  • Присоединительный размер КИПИА - G3/4
  • Материал корпуса - нержавеющая сталь
  • Среда - вода, масла, жидкая среда, нейтральные жидкости
  • Тип датчиков - датчики уровня
  • Подтип датчиков - датчики уровня вибрационные
  • Напряжение питания - 55В
  • Температура рабочей среды - от -40 до 150 °C
  • Температура окружающей среды - от -40 до 70 °C
  • Степень защиты корпуса IP - 65
  • Удлиннение - 40 мм
  • Резьба - коническая
  • Страна производитель - Россия
  • Бренд - INNOLEVEL
  • Вес - 0.5 кг
Датчик уровня вибрационный INNOLEVEL IL-VA-TS-PT Ру40, 12 - 55 VDC, IP65, резьба 3/4'' PT коническая, удлинение - 40мм, выход PNP/NPN, разъем DIN 43650

Изображение датчика уровня вибрационного INNOLEVEL IL-VA-TS-PT

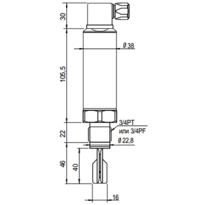
Габаритные и установочные размеры датчика уровня вибрационного INNOLEVEL IL-VA-TS-PT

  • Ширина - 38 мм
  • Длина зонда - 40 мм
Датчик уровня вибрационный INNOLEVEL IL-VA-TS-PT Ру40, 12 - 55 VDC, IP65, резьба 3/4'' PT коническая, удлинение - 40мм, выход PNP/NPN, разъем DIN 43650

Эскиз габаритов датчика уровня вибрационного INNOLEVEL IL-VA-TS-PT

Паспорта и сертификаты

Аналоги

График сравнения цен аналогичных датчиков*. При клике на точку графика получите развернутую информацию.

*Датчики подобраны по следующим параметрам: Тип датчиков - датчики уровня, присоединительный размер - G3/4, температура рабочей среды максимальная - 150 °С, материал корпуса - нержавеющая сталь, среда - вода, масла, жидкая среда, нейтральные жидкости, рабочее давление максимальное: 40 бар

34,000
27,200
20,400
13,600
6,800
0
INNOLEVEL
VA резьба 3/4"
INNOLEVEL
VA резьба 3/4"
INNOLEVEL
VA резьба 3/4"
INNOLEVEL
VA резьба 3/4"

Доставка

Условия доставки:

Мы осуществляем доставку по Москве, Московской области, и другим регионам Российской Федерации.

Доставка по г.Москва (в пределах МКАД) и МО осуществляется собственным транспортом или курьером.

Доставка в другие регионы осуществляется при помощи транспортных компаний (СДЭК, Деловые линии, Байкал Сервис).

Самовывоз. Вы сможете самостоятельно забрать заказ, оформив самовывоз с нашего склада или пункта выдачи заказов.

Быстрый заказ

Вы можете отправить нам запрос на необходимые позиции и наш менеджер свяжется с вами в ближайшее время для формирования заказа

Нажмите, чтобы загрузить файлы или перетащите сюда
Максимальный размер файла - 10 Мб. Типы файлов: jpg, jpeg, png, xls, xlsx, doc, docx, pdf.