Датчики уровня ультразвуковые INNOLEVEL ECHO

Aquaflame 2026 (2)
Aquaflame 2026 (2)-mobile
СТМ многоступенчатые насосы 2
СТМ многоступенчатые насосы 2-mobile
КИПиА Акваконтроль 2
КИПиА Акваконтроль 2-mobile

Ультразвуковой датчик уровня INNOLEVEL ECHO предназначен для бесконтактного непрерывного измерения уровня жидких сред и сыпучих материалов, не склонных к повышенному пылеобразованию. Некоторые области применения: пищевая промышленность (растительное масло, солевые и спиртовые растворы), химическая промышленность (химические реагенты, моющие средства), полимерная промышленность (полимерный гранулят), ЖКХ (вода, сточные воды) Ультразвуковой датчик уровня INNOLEVEL ECHO обладает рядом преимуществ: бесконтактное измерение уровня , питание по цепи выходного сигнала 4-20мА, 2-х проводное подключение, простота и надежность наряду с экономичностью решения – аналог дорогостоящих уровнемеров, точность измерения 0,3% от основного диапазона измерения.

Технические параметры датчиков уровня ультразвуковых INNOLEVEL ECHO

ХарактеристикаЗначение
Средажидкая среда,сыпучие среды
СтранаРоссия
Степень защиты корпуса IP65
Тип датчиковдатчики уровня ультразвуковые
Температура, °Cот -20 до 80
Материал корпусаПластик
Датчики уровня ультразвуковые INNOLEVEL ECHO

Изображение датчиков уровня ультразвуковых INNOLEVEL ECHO

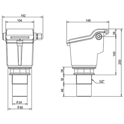
Габаритные и установочные размеры датчиков уровня ультразвуковых INNOLEVEL ECHO

МодельШирина, ммВысота, мм
IL-EC-A104250
Датчики уровня ультразвуковые INNOLEVEL ECHO

Эскиз габаритов датчиков уровня ультразвуковых INNOLEVEL ECHO

Быстрый заказ

Вы можете отправить нам запрос на необходимые позиции и наш менеджер свяжется с вами в ближайшее время для формирования заказа

Нажмите, чтобы загрузить файлы или перетащите сюда
Максимальный размер файла - 10 Мб. Типы файлов: jpg, jpeg, png, xls, xlsx, doc, docx, pdf.