Датчик провисания конвейерной ленты INNOLEVEL IL-BWS температура - 75°C, корпус - алюминий, напряжение - 250В, IP65, 2 релейных выхода

Артикул: D070-11617   

О товаре

Артикул:
D070-11617
Бренд:
INNOLEVEL
Страна производитель:
Россия
Присоединительный размер:
не указано
G1 1/2
Рабочее давление:
не указано
Материал корпуса:
Алюминий
Все характеристики
на 2026-03-31
18 478,73
Гарантия 12 месяцев
Возможна отсрочка до 90 дней
В избранное
Бесплатная доставка до ТК
Сертифицированный товар

Характеристики

Датчик провисания конвейерной ленты INNOLEVEL серии BWS предназначен для контроля рабочего процесса ленточного конвейера. При провисании конвейерной ленты, являющимся следствием перегруза, датчик выдает сигнал на светозвуковое оборудование для оповещения персонала либо на аварийное отключение конвейера, предотвращая тем самым повреждение ленты или элементов конвейера. После срабатывания датчик провисания конвейерной ленты INNOLEVEL серии BWS возвращается в рабочее положение автоматически.

Технические параметры датчика провисания конвейерной ленты INNOLEVEL IL-BWS

  • Тип изделия - датчики
  • Материал корпуса - Алюминий
  • Класс материала корпуса - Алюминий
  • Тип датчиков - датчики конвейерной безопасности
  • Подтип датчиков - датчики провисания
  • Напряжение питания - 250В
  • Номинальный потребляемый ток - 10 А
  • Температура рабочей среды - от -40 до 75 °C
  • Температура окружающей среды - от -40 до 75 °C
  • Кабельный ввод - 2 х М20х1,5
  • Степень защиты корпуса IP - 65
  • Страна производитель - Россия
  • Бренд - INNOLEVEL
  • Срок службы - 8 лет
  • Гарантия - 1 г.
  • Вес - 1.9 кг
Датчик провисания конвейерной ленты INNOLEVEL IL-BWS температура - 75°C, корпус - алюминий, напряжение - 250В, IP65, 2 релейных выхода

Изображение датчика провисания конвейерной ленты INNOLEVEL IL-BWS

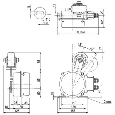
Габаритные и установочные размеры датчика провисания конвейерной ленты INNOLEVEL IL-BWS

  • Длина - 125 мм
  • Ширина - 156 мм
Датчик провисания конвейерной ленты INNOLEVEL IL-BWS температура - 75°C, корпус - алюминий, напряжение - 250В, IP65, 2 релейных выхода

Эскиз габаритов датчика провисания конвейерной ленты INNOLEVEL IL-BWS

Аналоги

График сравнения цен аналогичных датчиков*. При клике на точку графика получите развернутую информацию.

*Датчики подобраны по следующим параметрам: Тип датчиков - датчики конвейерной безопасности, температура рабочей среды максимальная - 75 °С, материал корпуса - Алюминий

21,000
16,800
12,600
8,400
4,200
0
INNOLEVEL
Серия BMS
INNOLEVEL
Серия RES
INNOLEVEL
Серия BHS-M
INNOLEVEL
Серия BWS
INNOLEVEL
Серия BHS

Доставка

Условия доставки:

Мы осуществляем доставку по Москве, Московской области, и другим регионам Российской Федерации.

Доставка по г.Москва (в пределах МКАД) и МО осуществляется собственным транспортом или курьером.

Доставка в другие регионы осуществляется при помощи транспортных компаний (СДЭК, Деловые линии, Байкал Сервис).

Самовывоз. Вы сможете самостоятельно забрать заказ оформив самовывоз с нашего склада или пункта выдачи заказов.

Быстрый заказ

Вы можете отправить нам запрос на необходимые позиции и наш менеджер свяжется с вами в ближайшее время для формирования заказа

Нажмите, чтобы загрузить файлы или перетащите сюда
Максимальный размер файла - 10 Мб. Типы файлов: jpg, jpeg, png, xls, xlsx, doc, docx, pdf.